Curiosii for ever!
: Car repair manuals for everyone.
Home
>>
Chevy Truck
>>
2011
>>
Traverse AWD V6-3.6L
>>
Repair and Diagnosis
>>
Starting and Charging
>>
Power and Ground Distribution
>>
Diagrams
>>
Electrical Diagrams
>>
Power Distribution Schematics
>>
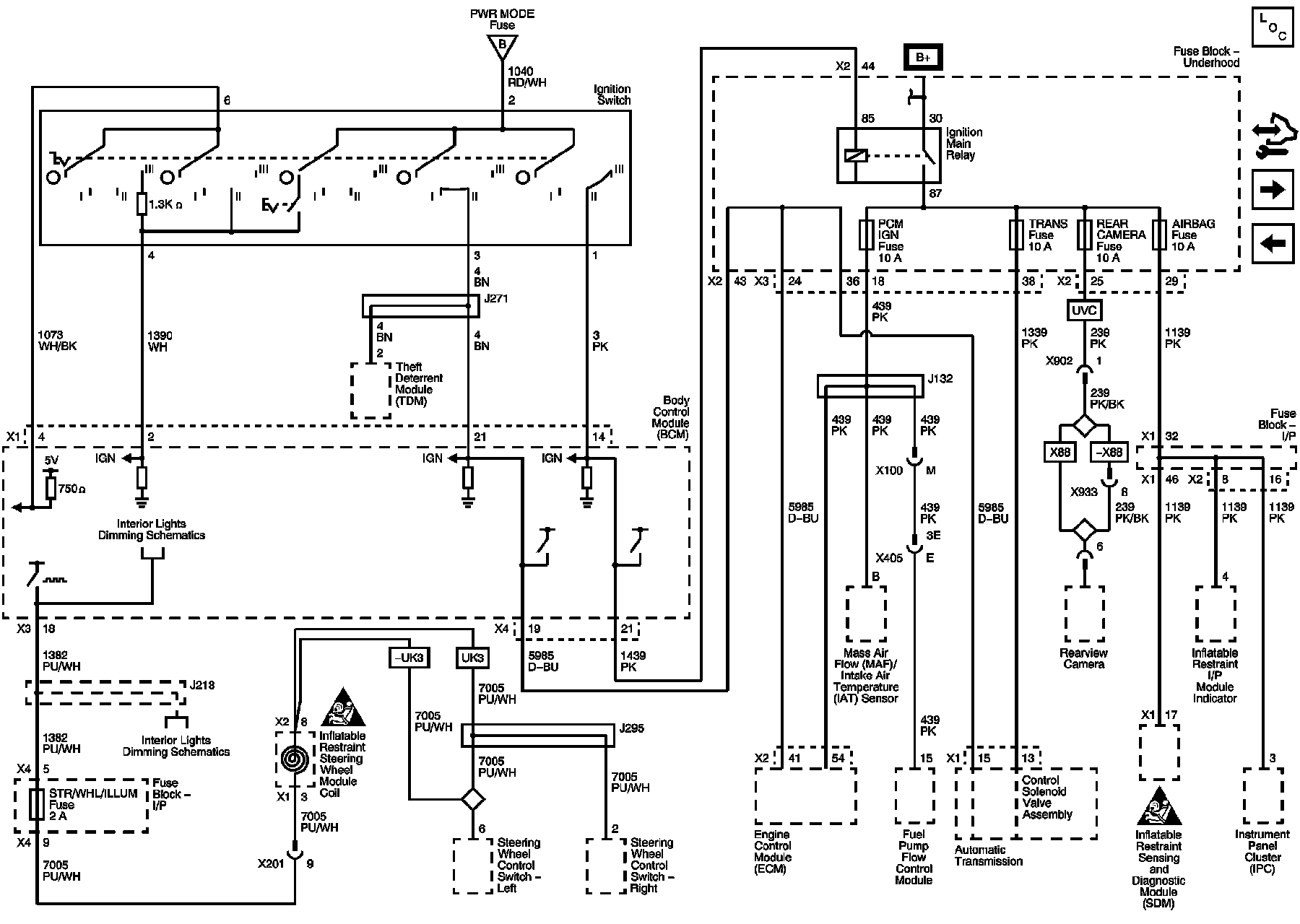
Power Distribution Schematic 10
Power Distribution Schematic 10
Power Distribution Schematics
Ignition Switch
and AIRBAG, PCM IGN, REAR CAMERA, and TRANS Fuses