Curiosii for ever!
: Car repair manuals for everyone.
Home
>>
Chevy Truck
>>
2011
>>
Traverse AWD V6-3.6L
>>
Repair and Diagnosis
>>
Starting and Charging
>>
Diagrams
>>
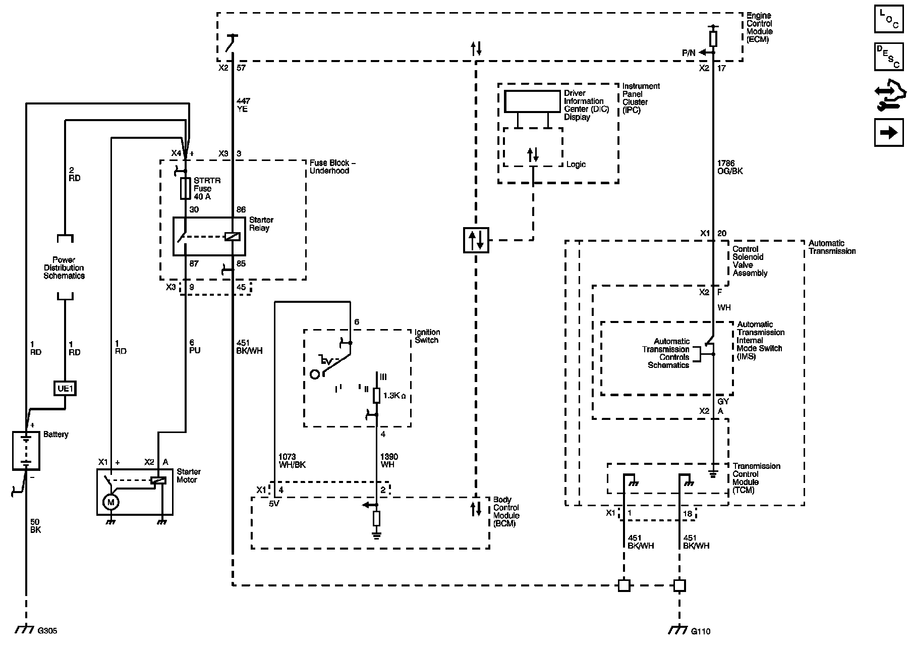
Electrical Diagrams
Electrical Diagrams
Starting and Charging
Schematics
Starting
Charging