Curiosii for ever!
: Car repair manuals for everyone.
Home
>>
Chevy Truck
>>
2011
>>
Traverse AWD V6-3.6L
>>
Repair and Diagnosis
>>
Power and Ground Distribution
>>
Diagrams
>>
Electrical Diagrams
>>
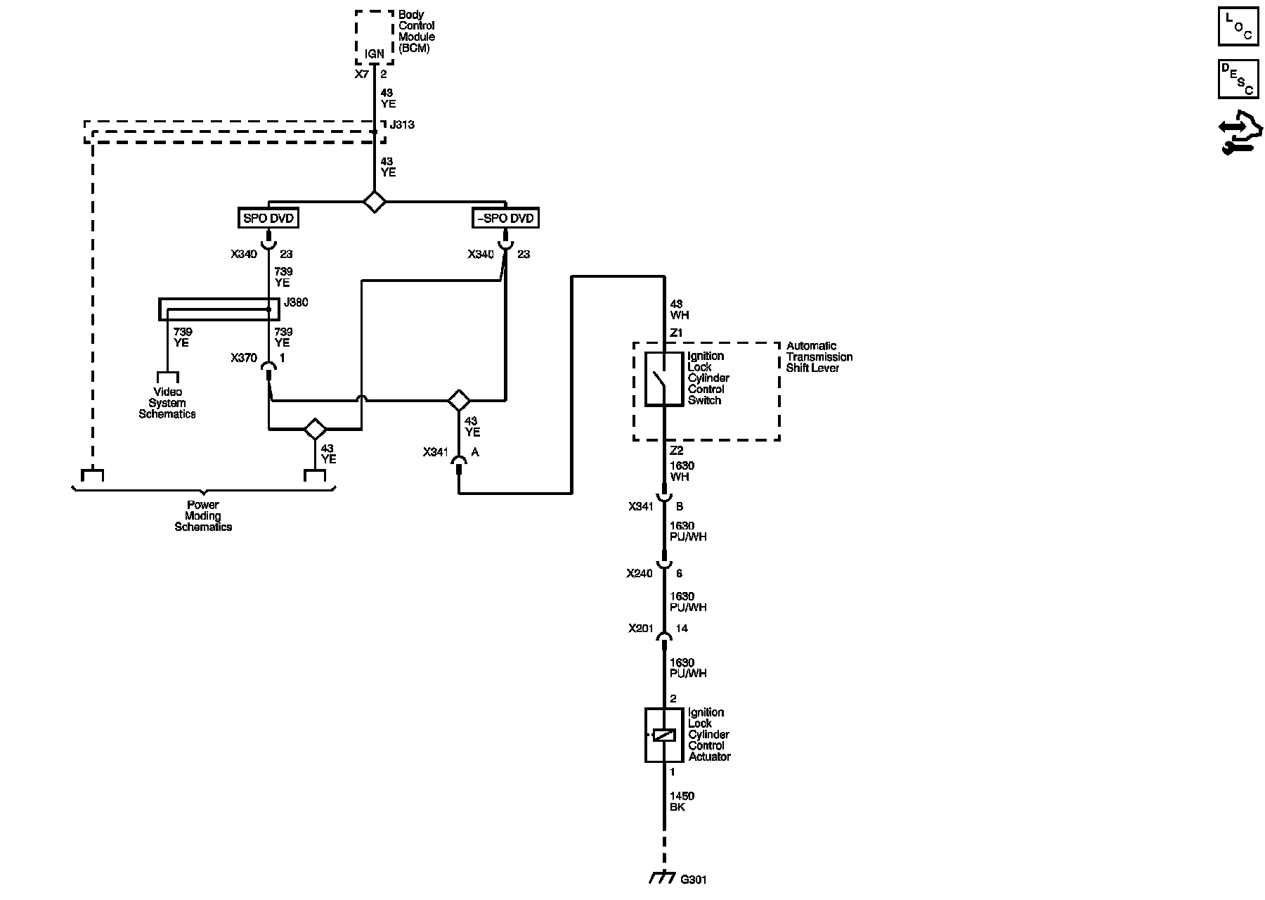
Ignition Lock Schematics
Ignition Lock Schematics
Ignition Lock
Schematics
Ignition Lock