Curiosii for ever!
: Car repair manuals for everyone.
Home
>>
Chevy Truck
>>
2011
>>
Traverse AWD V6-3.6L
>>
Repair and Diagnosis
>>
Diagrams
>>
Electrical Diagrams
>>
Automatic Transmission/Transaxle
>>
System Diagram
System Diagram
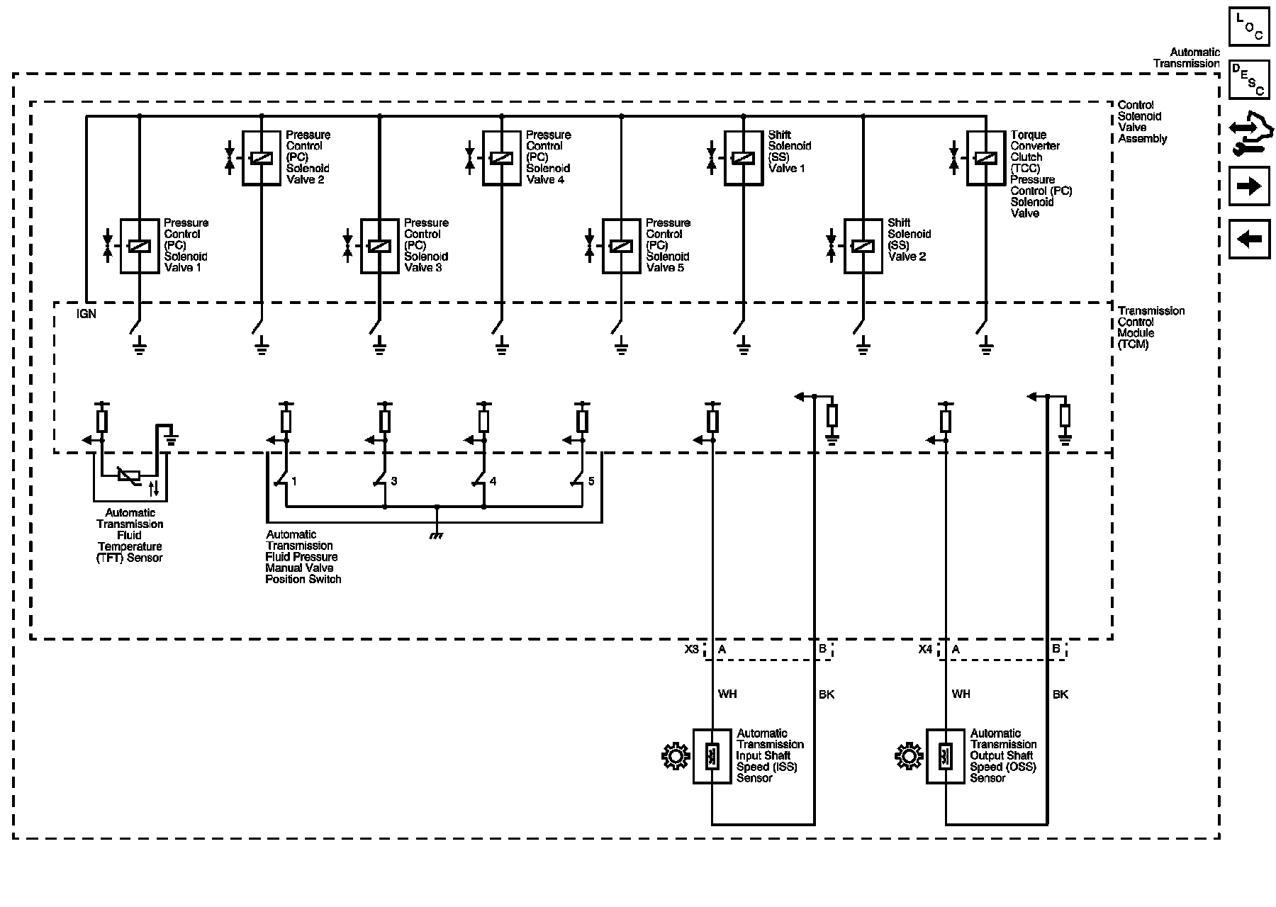
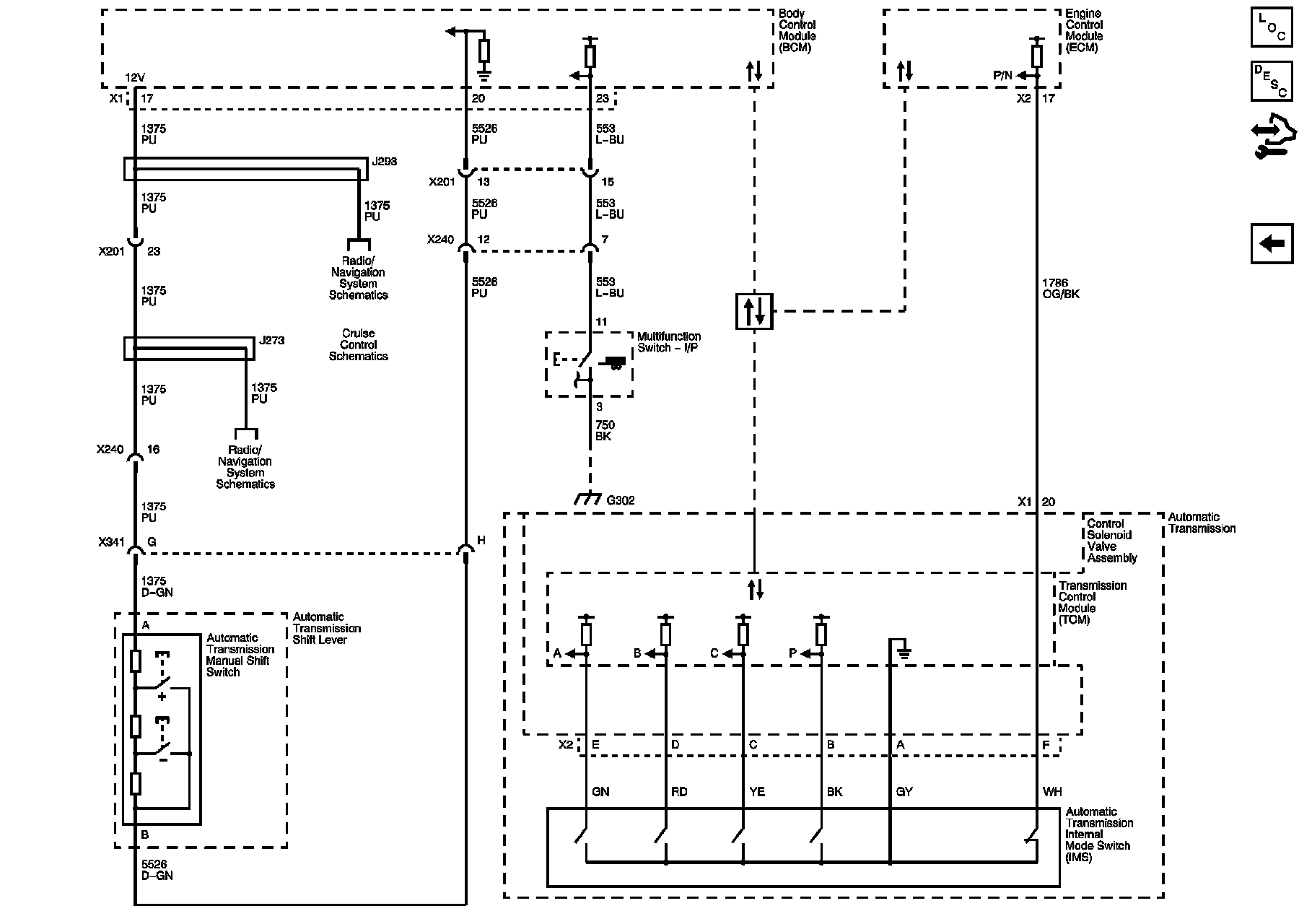
Automatic Transmission Controls Schematics
Power, Ground, and Serial Data
ISS, OSS, TFT Sensors, and Pressure and Shift Controls
IMS and Tap Up/Tap Down Switch