Curiosii for ever!
: Car repair manuals for everyone.
Home
>>
Chevy Truck
>>
2011
>>
Traverse AWD V6-3.6L
>>
Repair and Diagnosis
>>
Diagrams
>>
Electrical Diagrams
>>
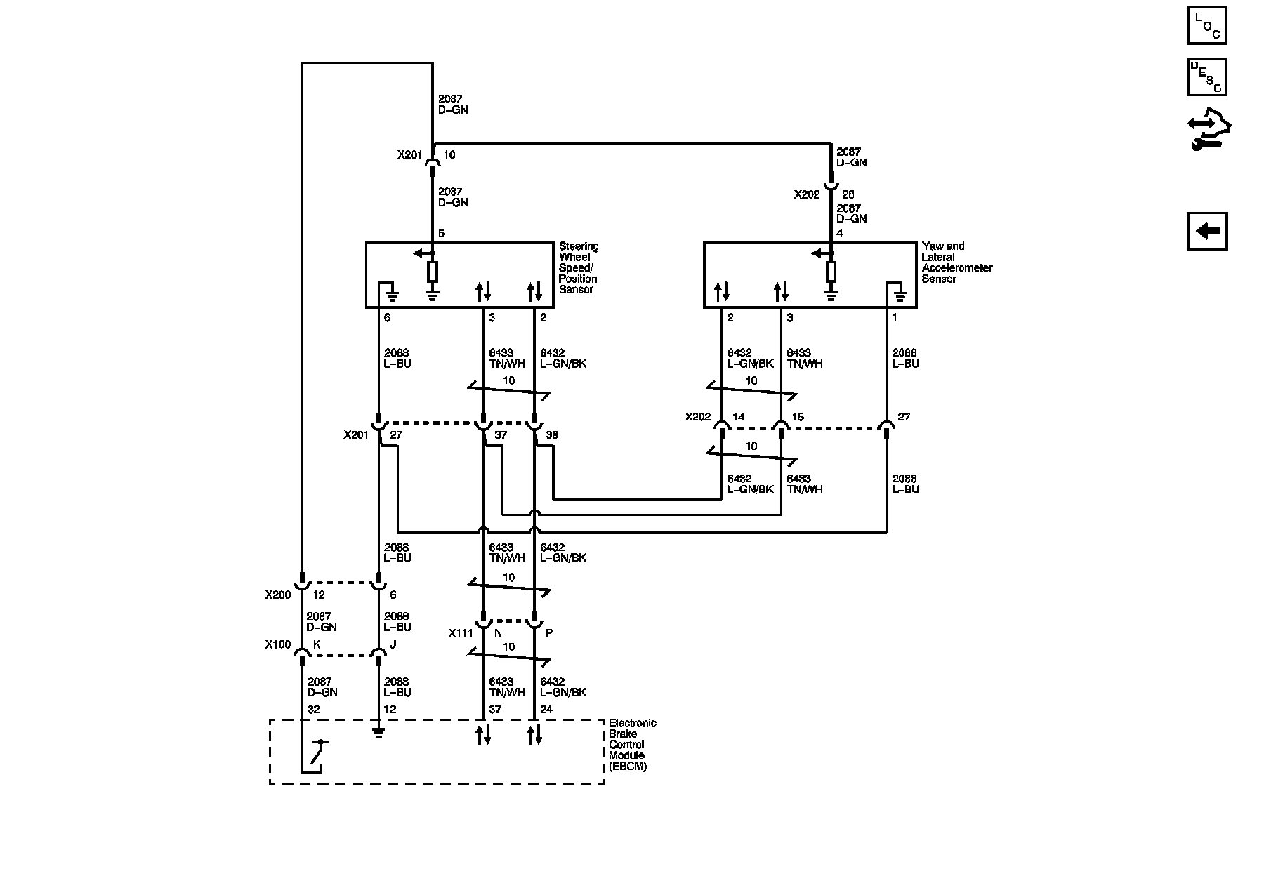
Antilock Brakes / Traction Control Systems
Antilock Brakes / Traction Control Systems
Antilock Brake System Schematics
Power, Ground, Serial Data, and Traction Control
Wheel Speed Sensors
Stability Control