Curiosii for ever!: Car repair manuals for everyone.

System Diagram



Engine Controls Schematics

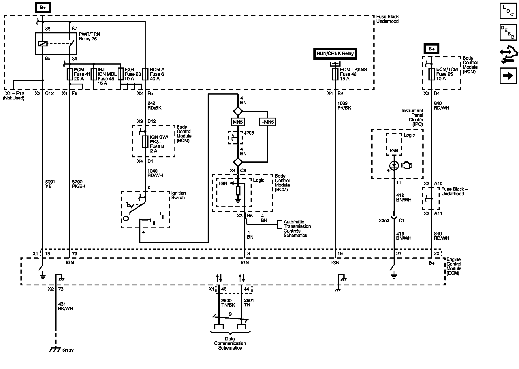
Power, Ground, Serial Data, and MIL






5V1, 5V2, and Low Reference Bus






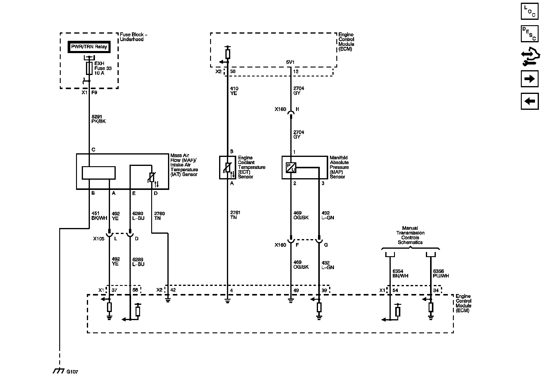
Engine Data Sensors - Pressure and Temperature






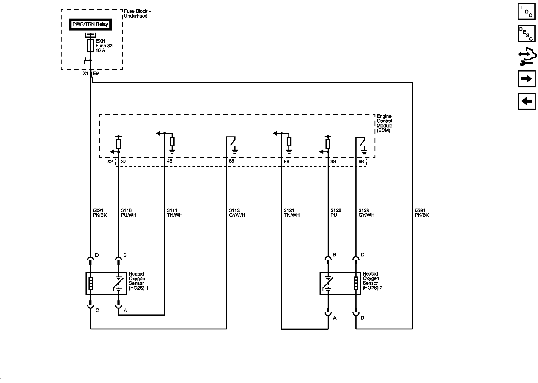
Engine Data Sensors - Heated Oxygen Sensors






Engine Data Sensors - Throttle Controls






Ignition Controls - Ignition System






Ignition Controls - CKP, CMP, and Knock Sensors, CMP Actuators






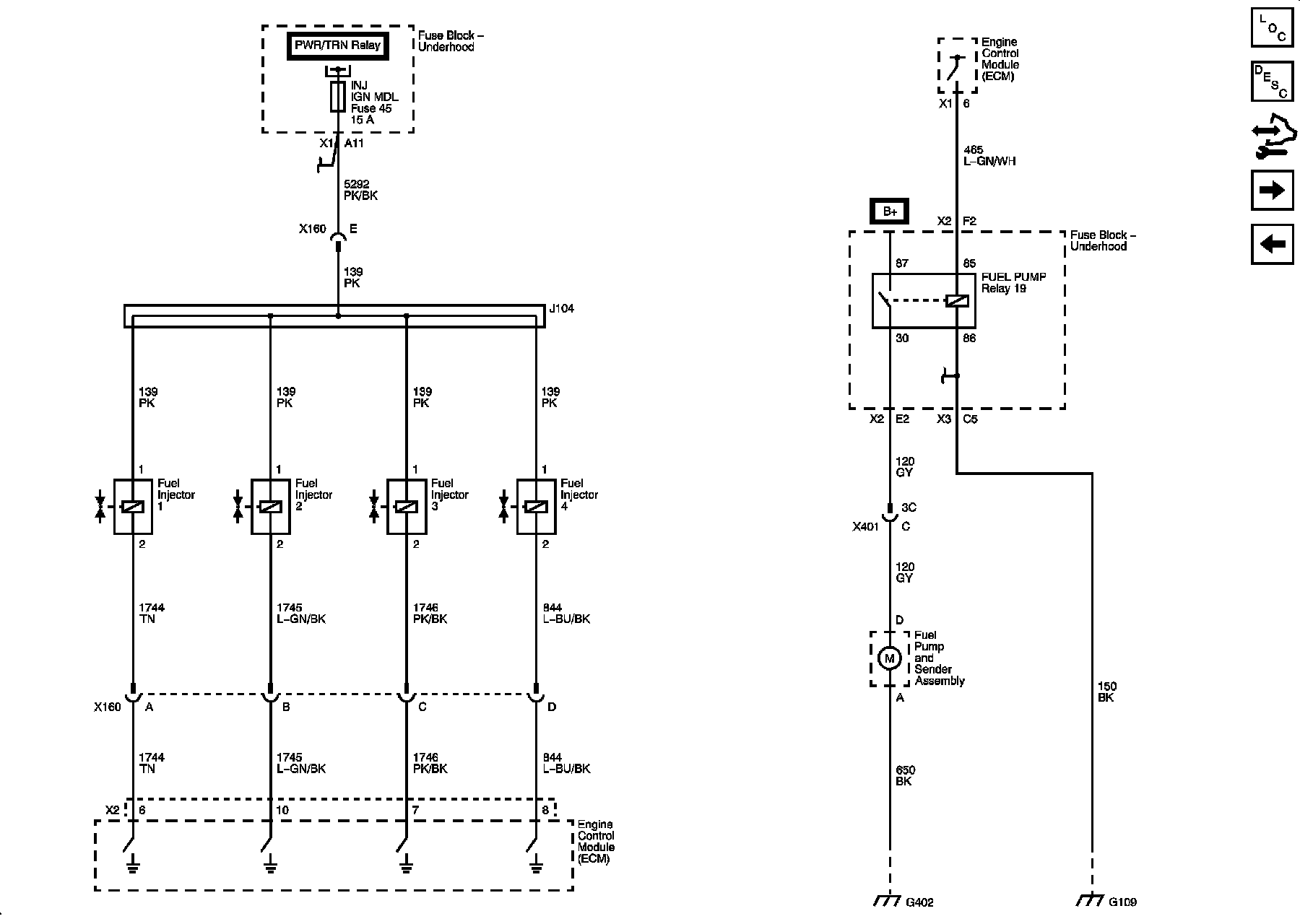
Fuel Controls - Fuel Pump and Fuel Injectors






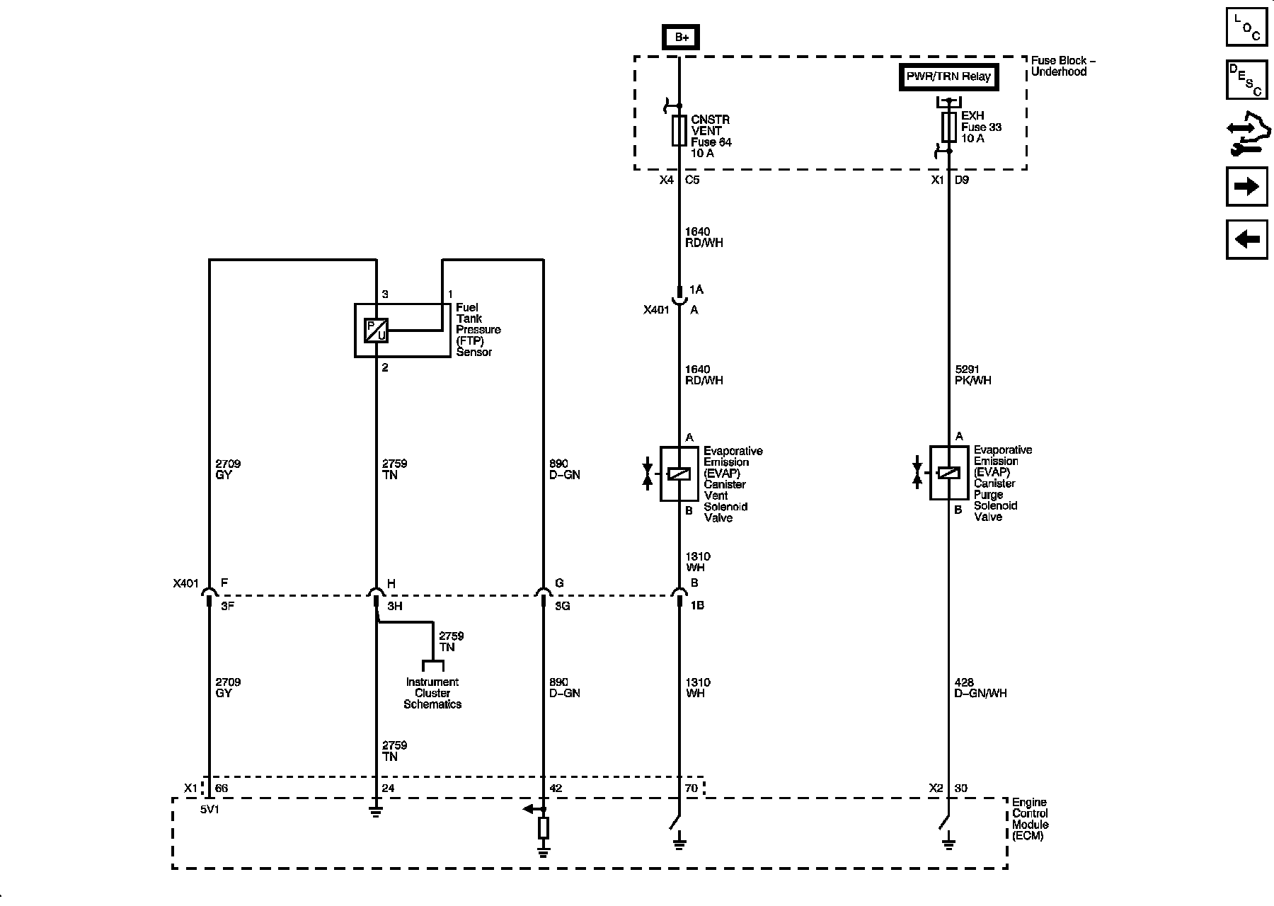
Fuel Controls - EVAP Controls






Controlled/Monitored Subsystem References