Curiosii for ever!
: Car repair manuals for everyone.
Home
>>
Chevy Truck
>>
2011
>>
HHR L4-2.4L
>>
Repair and Diagnosis
>>
Diagrams
>>
Electrical Diagrams
>>
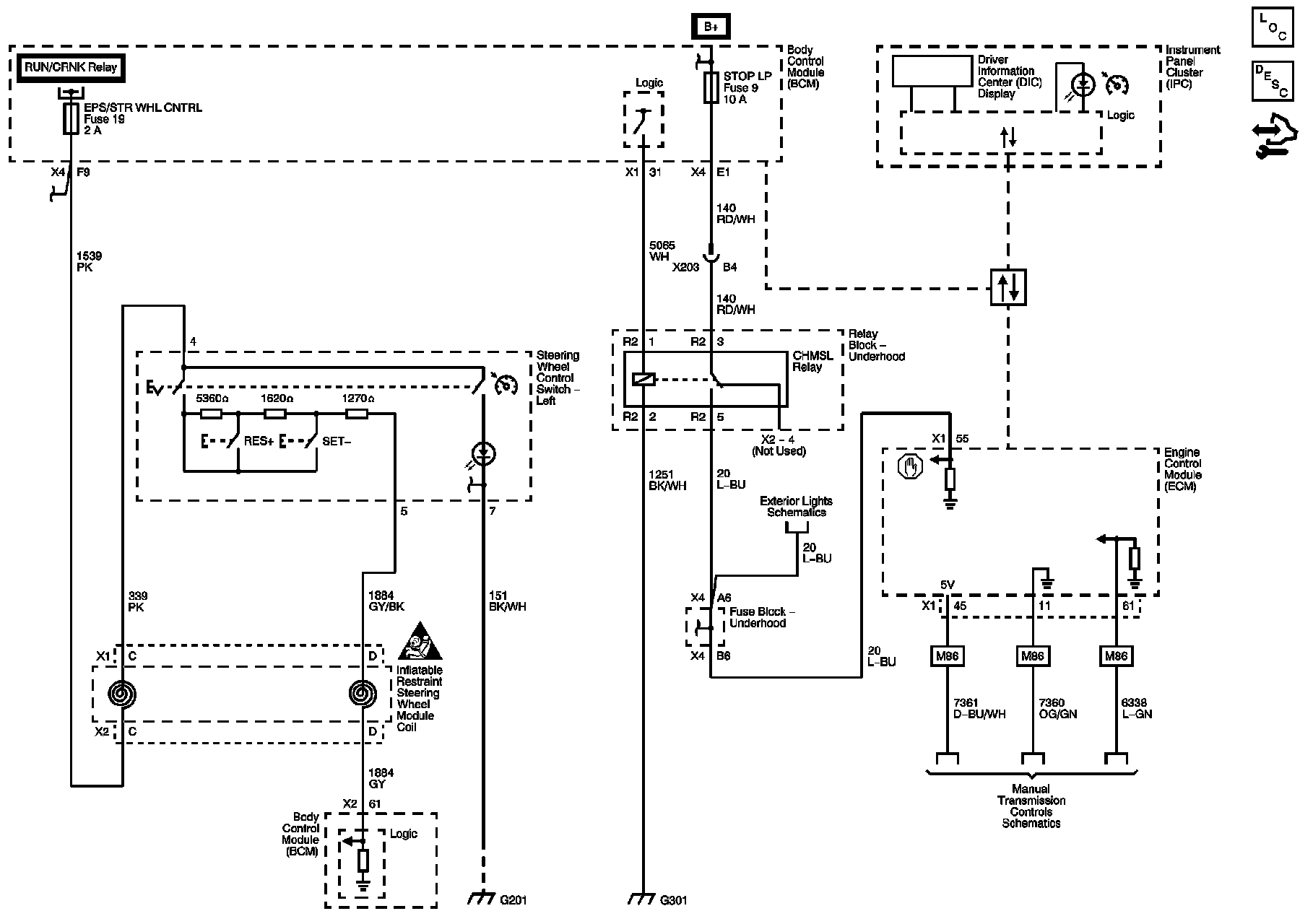
Cruise Control
Cruise Control
Cruise Control
Schematics
K34