Curiosii for ever!: Car repair manuals for everyone.

Control Arm: Service and Repair




Lower Control Arm Replacement

Removal Procedure

1. Raise and support the vehicle. Refer to Lifting and Jacking the Vehicle (Service and Repair).
2. Remove the wheel. Refer to Tire and Wheel Removal and Installation (Service and Repair).





Caution: Do not free the ball stud by using a pickle fork or a wedge-type tool. Damage to the seal or bushing may result.

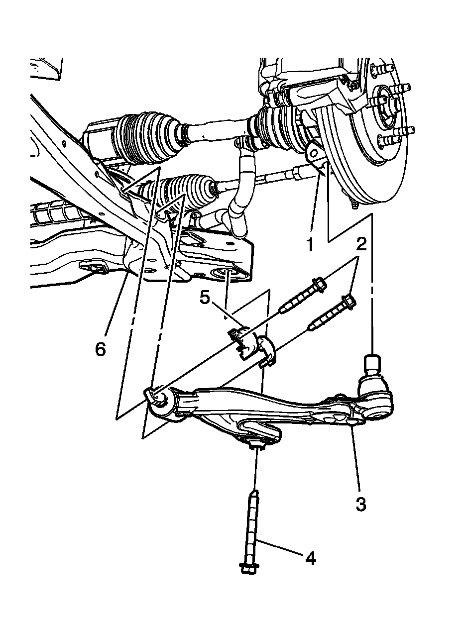
3. Remove the lower control arm nut (1).
4. Remove the lower control arm bolt (3) from the knuckle (2).




5. Remove the control arm to frame bolt (4).
6. Remove the control arm (3) from the frame (6).
7. Remove the lower control arm bolts (2) and the brackets (5).
8. Remove the lower control arm (1) from the knuckle (1).

Installation Procedure




1. Position the lower control arm (3) in the frame (6).

Caution: Refer to Fastener Caution (Fastener Caution).

2. Install the control arm to frame bolt (4) and tighten to 100 Nm (74 lb ft) + 180 degrees..
3. Install the lower control arm brackets (5) and bolt (2) and tighten to 55 Nm (41 lb ft).




4. Install the lower control arm bolt (3) in the knuckle (2).

Note: The torque sequence must be followed in the order that is listed.

5. Install the lower control arm nut (1) and tighten to 50 Nm (37 lb ft). Reverse the nut 3/4 turn. Then tighten to 50 Nm (37 lb ft) + 30 degrees.
6. Install the wheel. Refer to Tire and Wheel Removal and Installation (Service and Repair).
7. Lower the vehicle.
8. Road test the vehicle in order to test for leads or pulls. If leads or pulls are present refer to Wheel Alignment Measurement (Wheel Alignment Measurement).