Curiosii for ever!
: Car repair manuals for everyone.
Home
>>
Chevy Truck
>>
2011
>>
HHR L4-2.2L
>>
Repair and Diagnosis
>>
Starting and Charging
>>
Power and Ground Distribution
>>
Diagrams
>>
Electrical Diagrams
>>
Power Distribution Schematics
>>
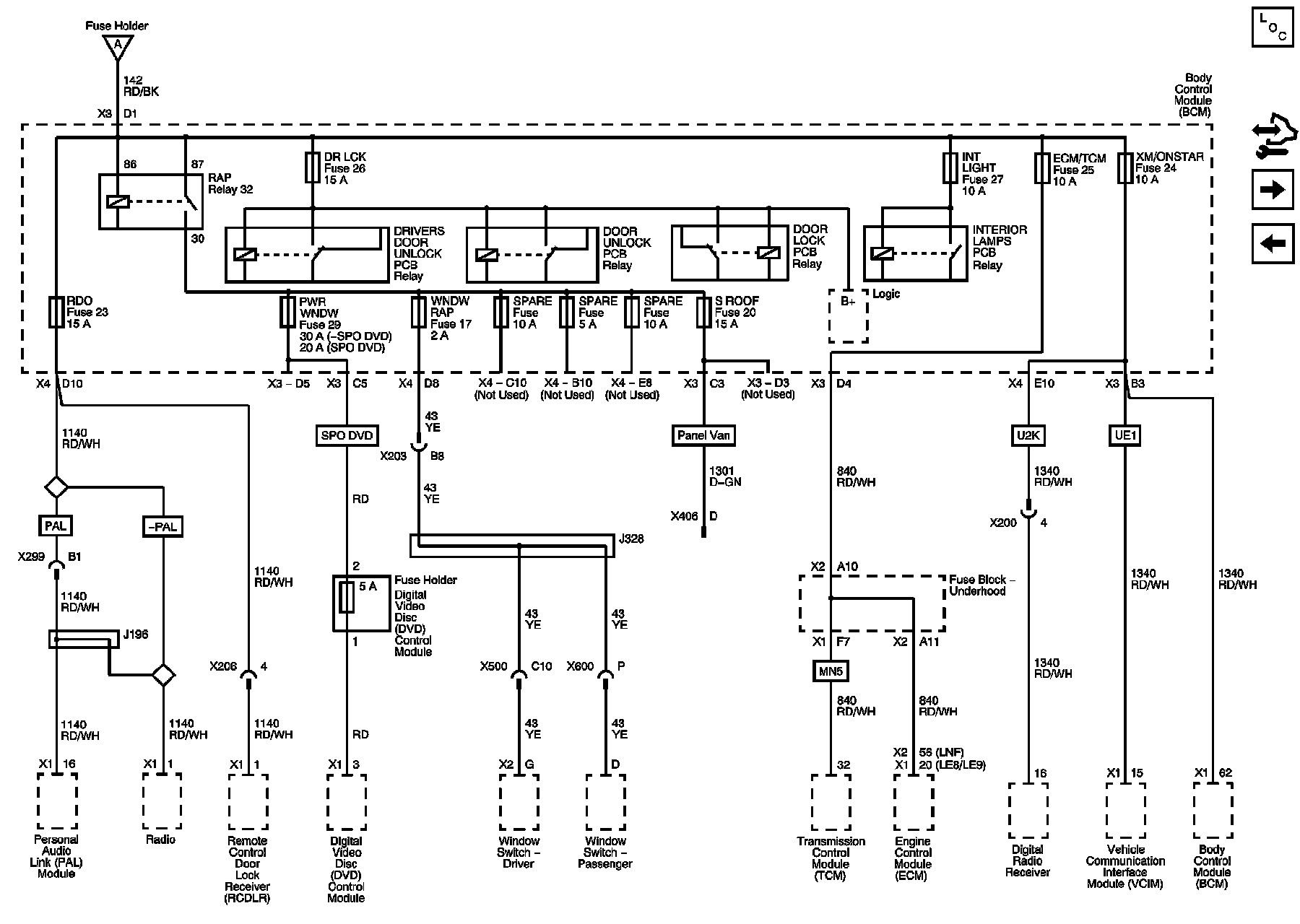
Power Distribution Schematic 6
Power Distribution Schematic 6
Power Distribution Schematics
DR LCK, ECM/TCM, INT LIGHT, PWR WINDW, RDO, SPARE, S ROOF, WNDW RAP, and XM/ONSTAR Fuses