Curiosii for ever!
: Car repair manuals for everyone.
Home
>>
Chevy Truck
>>
2011
>>
Colorado 2WD L5-3.7L
>>
Repair and Diagnosis
>>
Diagrams
>>
Electrical Diagrams
>>
Windows
Windows
Moveable Window Schematics
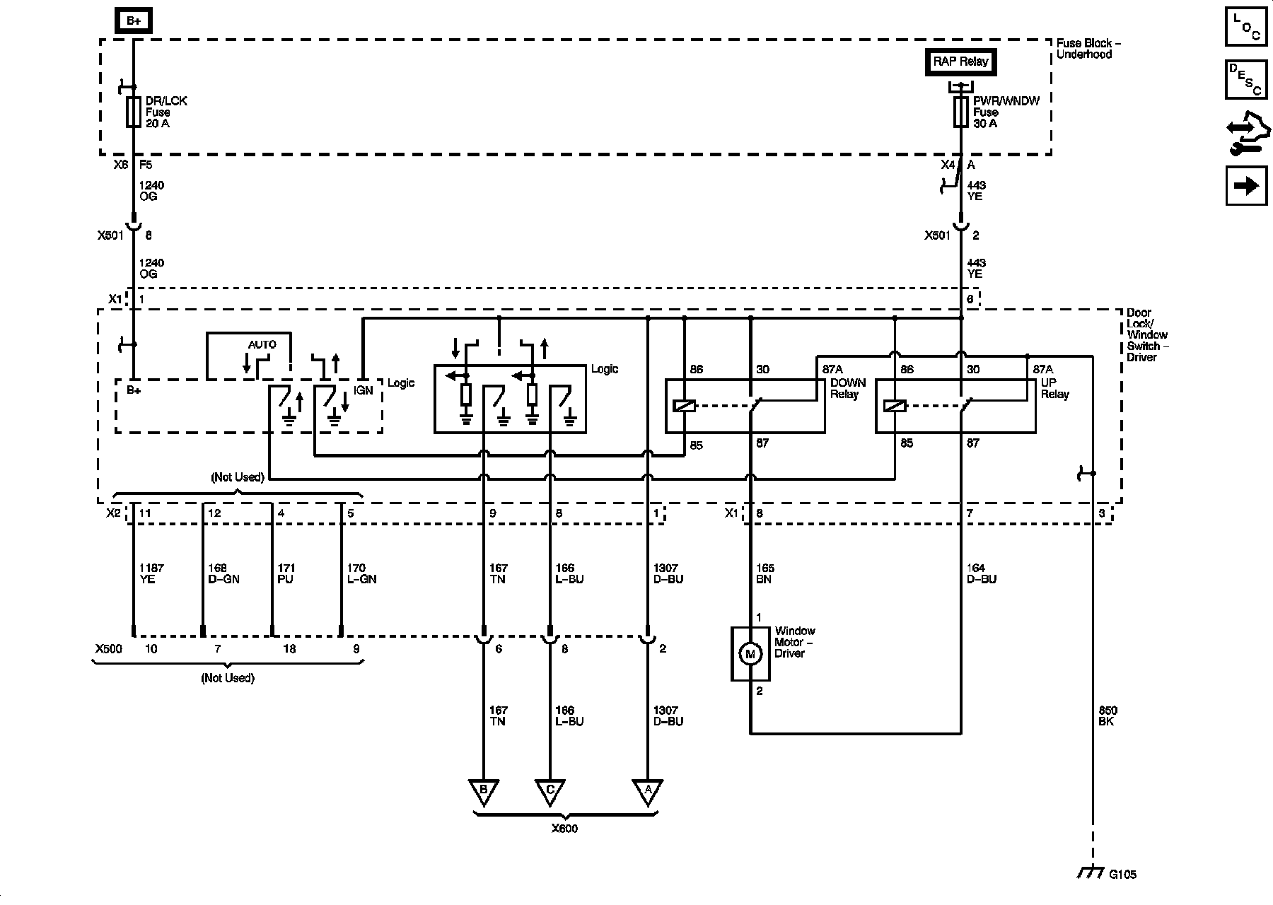
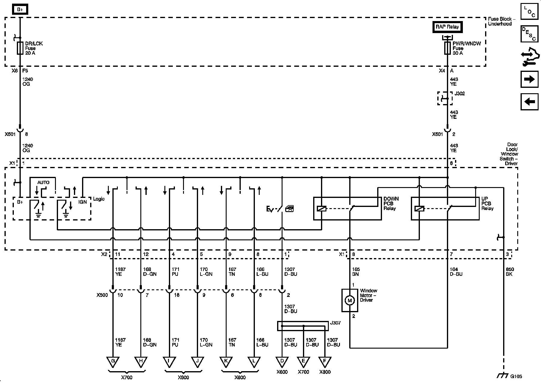
Left Window (Except Crew Cab)
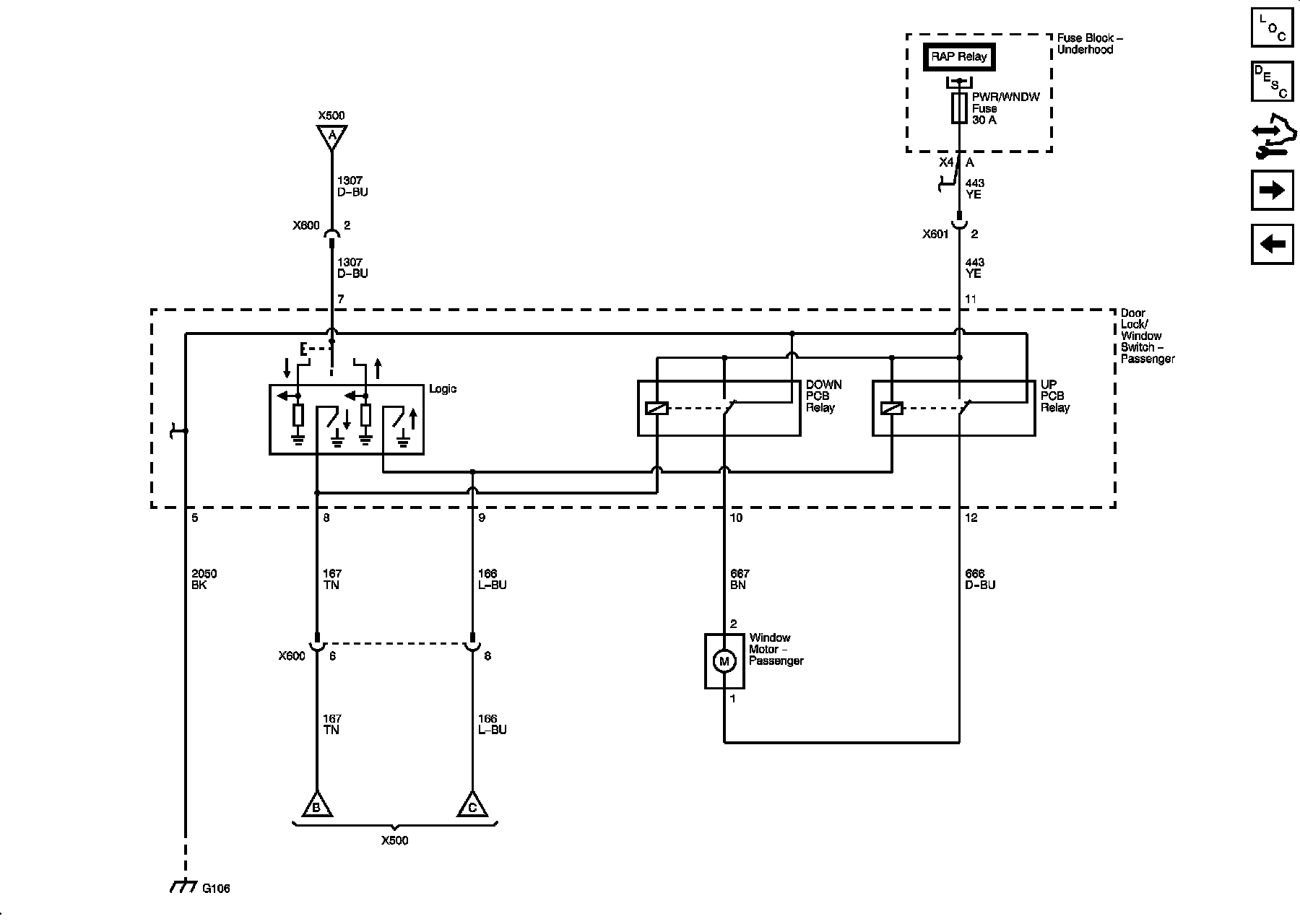
Right Window (Except Crew Cab)
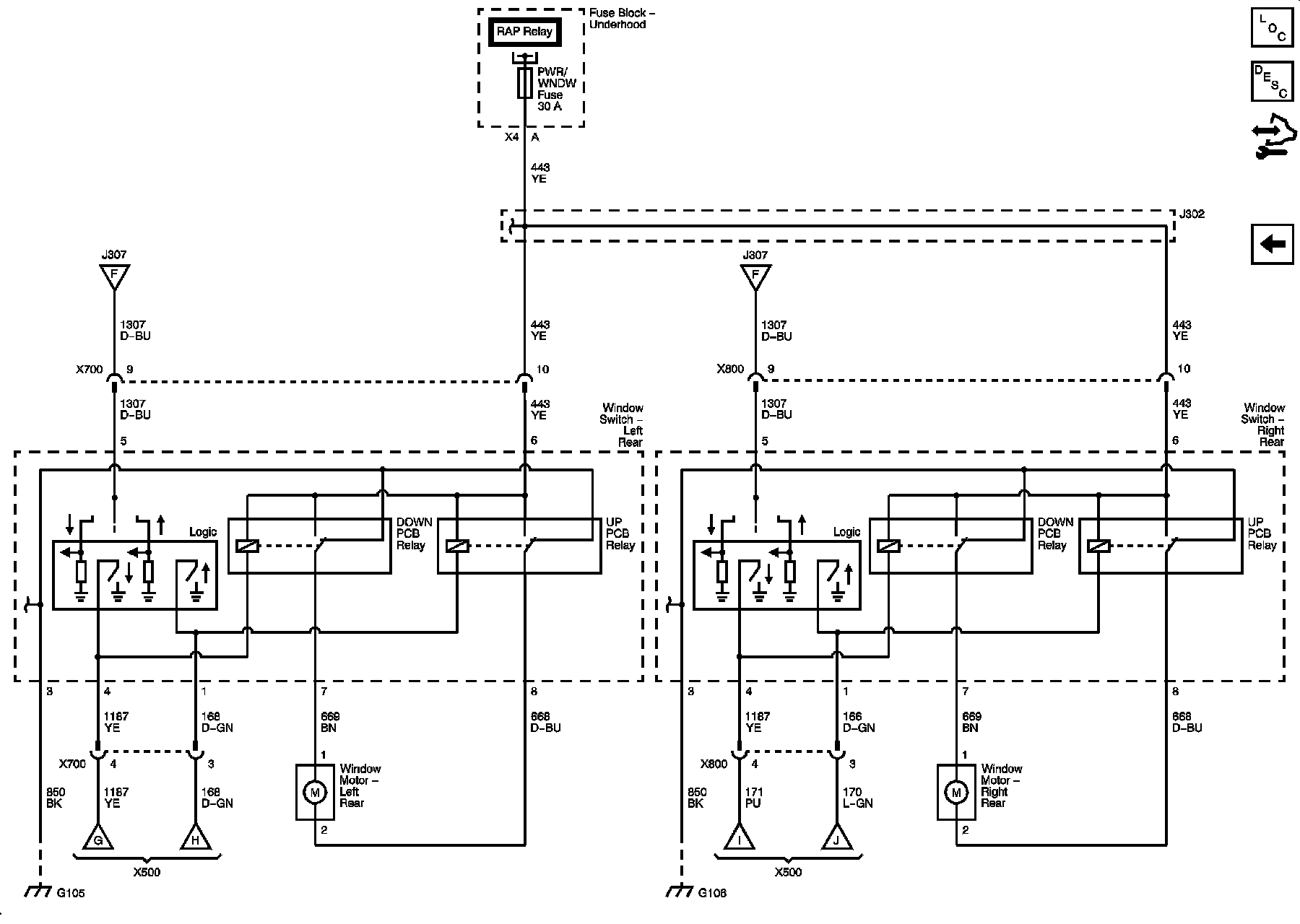
Left Front Window (Crew Cab)
Right Front Window (Crew Cab)
Rear Doors (Crew Cab)