Curiosii for ever!
: Car repair manuals for everyone.
Home
>>
Chevy Truck
>>
2011
>>
Colorado 2WD L4-2.9L
>>
Repair and Diagnosis
>>
Power and Ground Distribution
>>
Diagrams
>>
Electrical Diagrams
>>
Power Distribution Schematics
>>
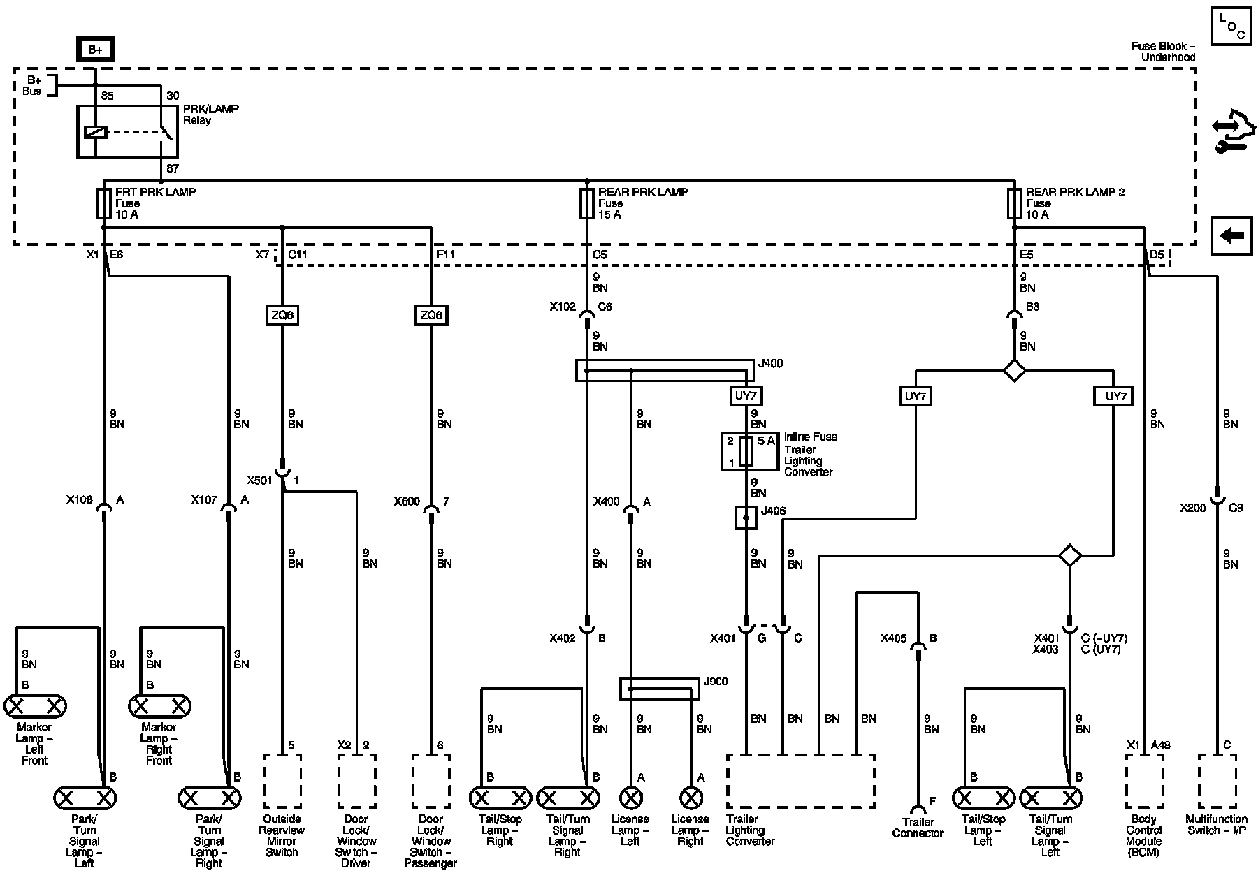
Power Distribution Schematic 10
Power Distribution Schematic 10
Power Distribution Schematics
FRT PRK LAMP, REAR PRK LAMP, and REAR PRK LAMP 2 Fuses