Curiosii for ever!: Car repair manuals for everyone.

Disassembled Views




Disassembled Views

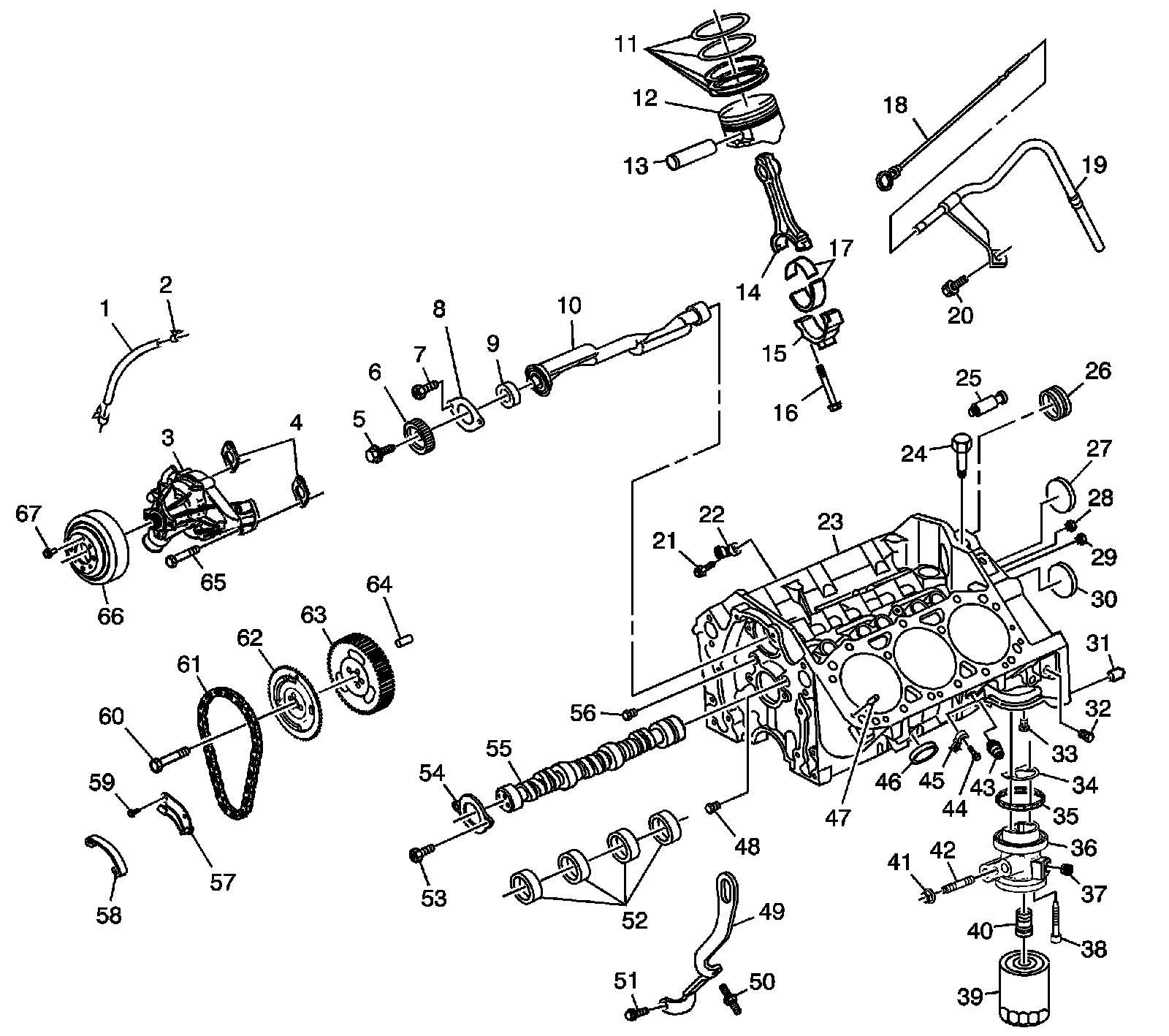
Lower Engine View 1




1 - Thermostat Bypass Hose
2 - Thermostat Bypass Pipe Clamp
3 - Water Pump
4 - Water Pump Gasket
5 - Balance Shaft Gear Bolt
6 - Balancer Shaft Driven Gear
7 - Balance Shaft Retainer Bolt
8 - Balancer Shaft Retainer
9 - Balancer Shaft Front Bearing
10 - Balance Shaft
11 - Piston Ring Set
12 - Piston
13 - Piston Pin
14 - Connecting Rod
15 - Connecting Rod Bearing Cap
16 - Connecting Rod Bolt
17 - Connecting Rod Bearing
18 - Oil Level Indicator
19 - Oil Level Indicator Tube
20 - Oil Level Indicator Tube Bolt
21 - Knock Sensor Bolt
22 - Knock Sensor
23 - Engine Block
24 - Engine Oil Pressure Indicator Switch Fitting
25 - Engine Oil Pressure Indicator Switch
26 - Balancer Shaft Rear Bearing
27 - Engine Block Coolant Hole Plug
28 - Engine Block Oil Gallery Plug
29 - Engine Block Oil Gallery Plug
30 - Engine Block Oil Gallery Plug
31 - Transmission Locating Pin
32 - Engine Block Oil Gallery Plug
33 - Oil Filter Bypass Valve
34 - Engine Oil Filter Adapter Gasket
35 - Engine Oil Filter Adapter Seal
36 - Engine Oil Filter Adapter
37 - Engine Oil Filter Adapter Plug
38 - Engine Oil Filter Adapter Bolt
39 - Oil Filter
40 - Oil Pressure Relief Valve Spring Seat Pin
41 - Engine Oil Filter Adapter Nut
42 - Engine Oil Filter Adapter Stud
43 - Block Heater
44 - Knock Sensor Bolt
45 - Knock Sensor
46 - Engine Block Coolant Hole Plug
47 - Cylinder Head Location Pin
48 - Engine Block Oil Gallery Plug
49 - Engine Lift Front Bracket
50 - Engine Lift Front Bracket Stud
51 - Engine Lift Front Bracket Bolt
52 - Camshaft Bearing
53 - Camshaft Thrust Bearing Bolt
54 - Camshaft Thrust Plate
55 - Camshaft
56 - Engine Block Oil Gallery Plug
57 - Timing Chain Tensioner Bracket
58 - Timing Chain Tensioner Shoe
59 - Timing Chain Tensioner Bolt
60 - Camshaft Sprocket Bolt
61 - Timing Chain
62 - Camshaft Sprocket
63 - Balancer Shaft Drive Gear
64 - Camshaft Sprocket Location Pin
65 - Water Pump Bolt
66 - Water Pump Pulley
67 - Water Pump Pulley Bolt