Curiosii for ever!
: Car repair manuals for everyone.
Home
>>
Chevy Truck
>>
2009
>>
Uplander (CANADA) V6-3.9L
>>
Repair and Diagnosis
>>
Accessories and Optional Equipment
>>
Memory Positioning Systems
>>
Memory Positioning Module
>>
Service and Repair
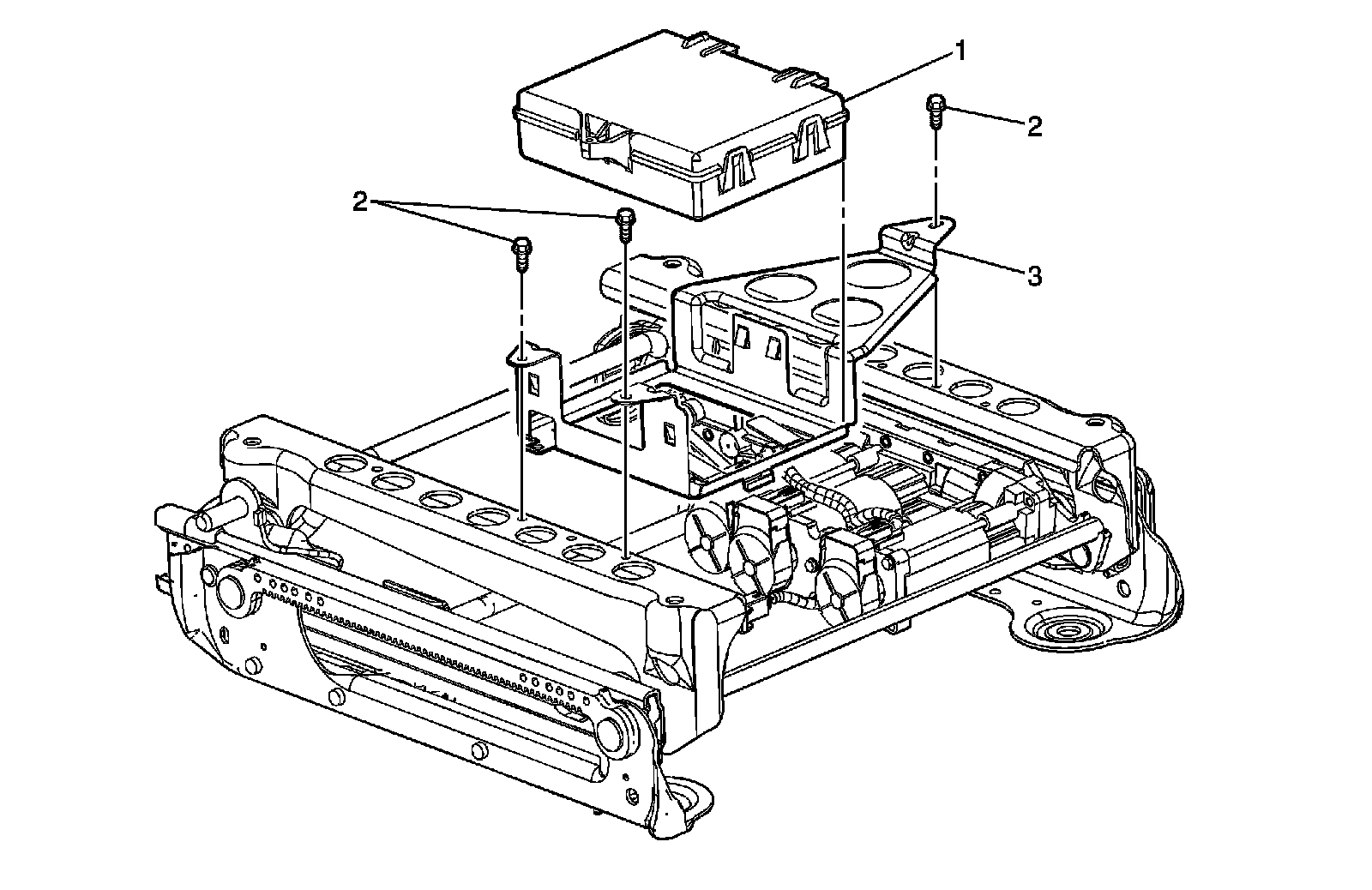
Memory Positioning Module: Service and Repair
Memory Seat Control Module Replacement