Curiosii for ever!: Car repair manuals for everyone.

Manifold Pressure/Vacuum Sensor: Service and Repair




Manifold Absolute Pressure Sensor Replacement

Removal Procedure




1. Remove the intake manifold sight shield. Refer to Upper Intake Manifold Sight Shield Replacement (6.0L) (Service and Repair).
2. Disconnect the manifold absolute pressure (MAP) sensor electrical connector (3).




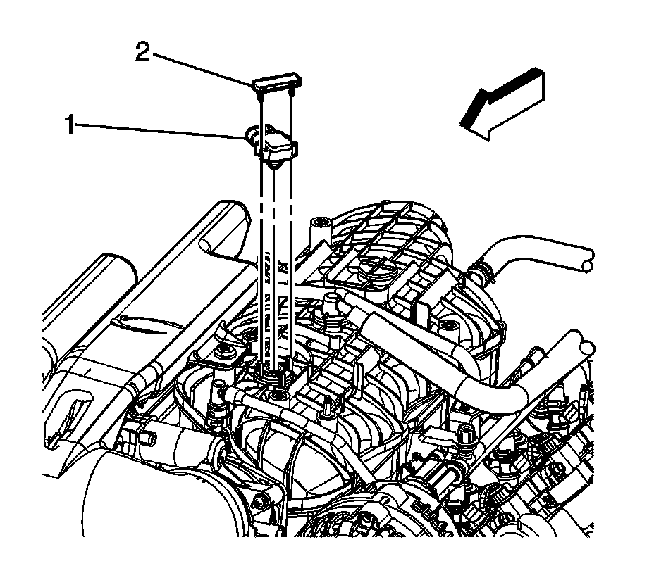
3. Remove the MAP sensor retaining clip (2) from the intake manifold.
4. Remove the MAP sensor (1) from the intake manifold.

Installation Procedure

Important: Lightly coat the MAP sensor seal with clean engine oil before installing the sensor.




1. Install the MAP sensor (1). Push the MAP sensor into the intake manifold.
2. Install the MAP sensor retainer (2) to the intake manifold.




3. Connect the MAP sensor electrical connector (3).
4. Install the intake manifold sight shield. Refer to Upper Intake Manifold Sight Shield Replacement (6.0L) (Service and Repair).