Curiosii for ever!: Car repair manuals for everyone.

Starter Motor: Service and Repair




Starter Replacement (4.2L Engine)

Removal Procedure

1. Disconnect the battery negative cable. Refer to Battery Negative Cable Disconnection and Connection (Service and Repair).
2. Remove the vacuum brake booster hose. Refer to Power Brake Booster Vacuum Check Valve and Hose Replacement (Power Brake Booster Vacuum Check Valve and Hose Replacement).




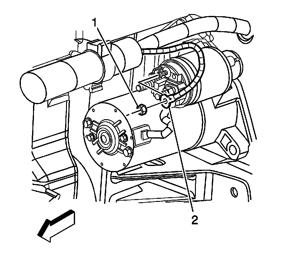
3. Remove the battery positive lead from the solenoid (1).




4. Remove the starter solenoid S-terminal lead nut (1) from the solenoid.
5. Remove the starter solenoid S-terminal lead (2) from the solenoid.




6. Remove the starter mount bolt and nut (1, 2).
7. Remove the starter motor.

Installation Procedure




1. Install the starter motor.

Caution: Refer to Fastener Caution (Fastener Caution).

2. Install the starter motor mount bolt (2) and nut (1) to tighten to 50 Nm (37 lb ft).




3. Connect the positive battery cable to the starter solenoid and secure the cable with a nut (1) and tighten to 9 Nm (80 lb in).




4. Install the starter solenoid S-terminal lead (2) to the solenoid and secure the lead with a nut (1) and tighten to 2.3 Nm (20 lb in).
5. Install the vacuum brake booster hose. Refer to Power Brake Booster Vacuum Check Valve and Hose Replacement (Power Brake Booster Vacuum Check Valve and Hose Replacement).
6. Connect the battery negative cable. Refer to Battery Negative Cable Disconnection and Connection (Service and Repair).