Curiosii for ever!: Car repair manuals for everyone.

Knock Sensor 1 Replacement




Knock Sensor 1 Replacement

Removal Procedure




1. Remove the left front wheel and tire. Refer to Tire and Wheel Removal and Installation (Service and Repair).
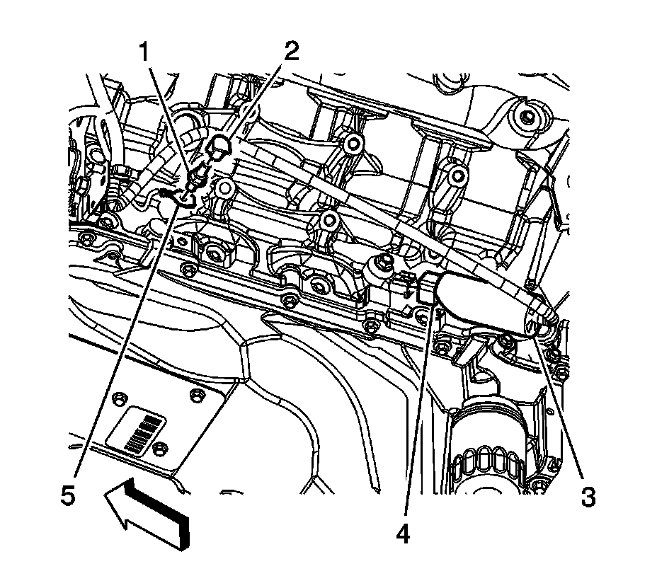
2. Working through the wheel well opening, reposition the engine wiring harness sleeve (3).
3. Disconnect the engine wiring harness electrical connector (4) from knock sensor.




4. Remove the knock sensor bolt (739) and knock sensor (718).

Installation Procedure





Caution: Refer to Fastener Caution (Fastener Caution).

1. Position the knock sensor (718) to the engine block and install the knock sensor bolt (739).

Tighten the bolt to 25 Nm(18 lb ft).




2. Connect the engine wiring harness electrical connector (4) to knock sensor.
3. Position the engine wiring harness sleeve (3) over the knock sensor electrical connection.
4. Install the left front wheel and tire. Refer to Tire and Wheel Removal and Installation (Service and Repair).