Curiosii for ever!
: Car repair manuals for everyone.
Home
>>
Chevy Truck
>>
2009
>>
Tahoe 2WD V8-4.8L
>>
Repair and Diagnosis
>>
Diagrams
>>
Electrical Diagrams
>>
Locks
>>
System Diagram
>>
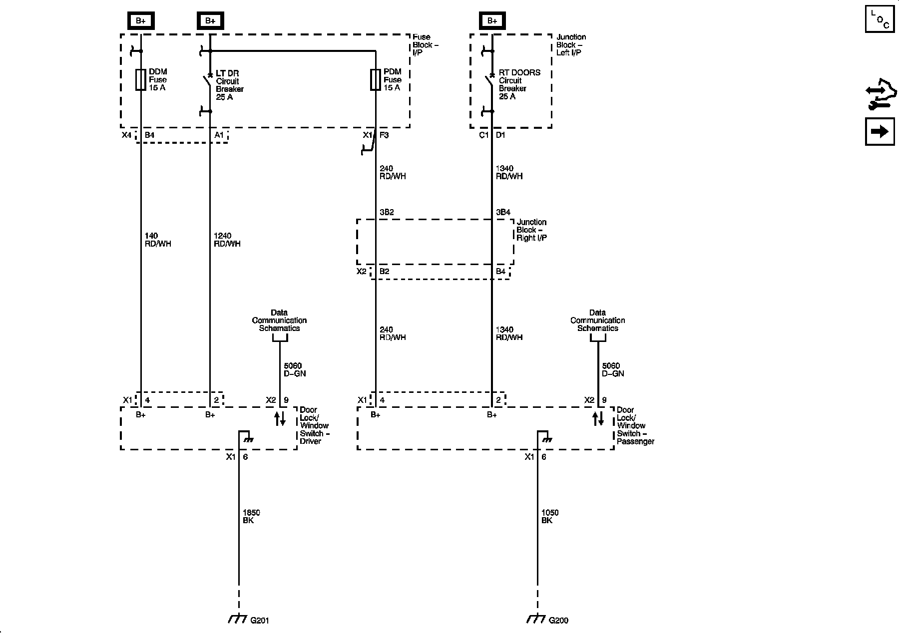
Door Control Module Schematics
Door Control Module Schematics
Door Control Module Schematics
Power, Ground, and Serial Data
Outside Rearview Mirror References
Door Lock, Window, and Lighting System References
Heated Seat References