Curiosii for ever!: Car repair manuals for everyone.

Right Rear of the Engine Compartment Component Views



Front of Vehicle/Engine Compartment Component Views

Right Rear of the Engine Compartment Components (4.8L/5.3L/6.0L/6.2L except HP2)




1 - Battery - Right
2 - A/C Low Pressure Switch (C67/CJ2)
3 - A/C Compressor Clutch (C67/CJ2)
4 - A/C Refrigerant Pressure Sensor (C67/CJ2)
5 - Mass Air Flow (MAF)/Intake Air Temperature (IAT) Sensor

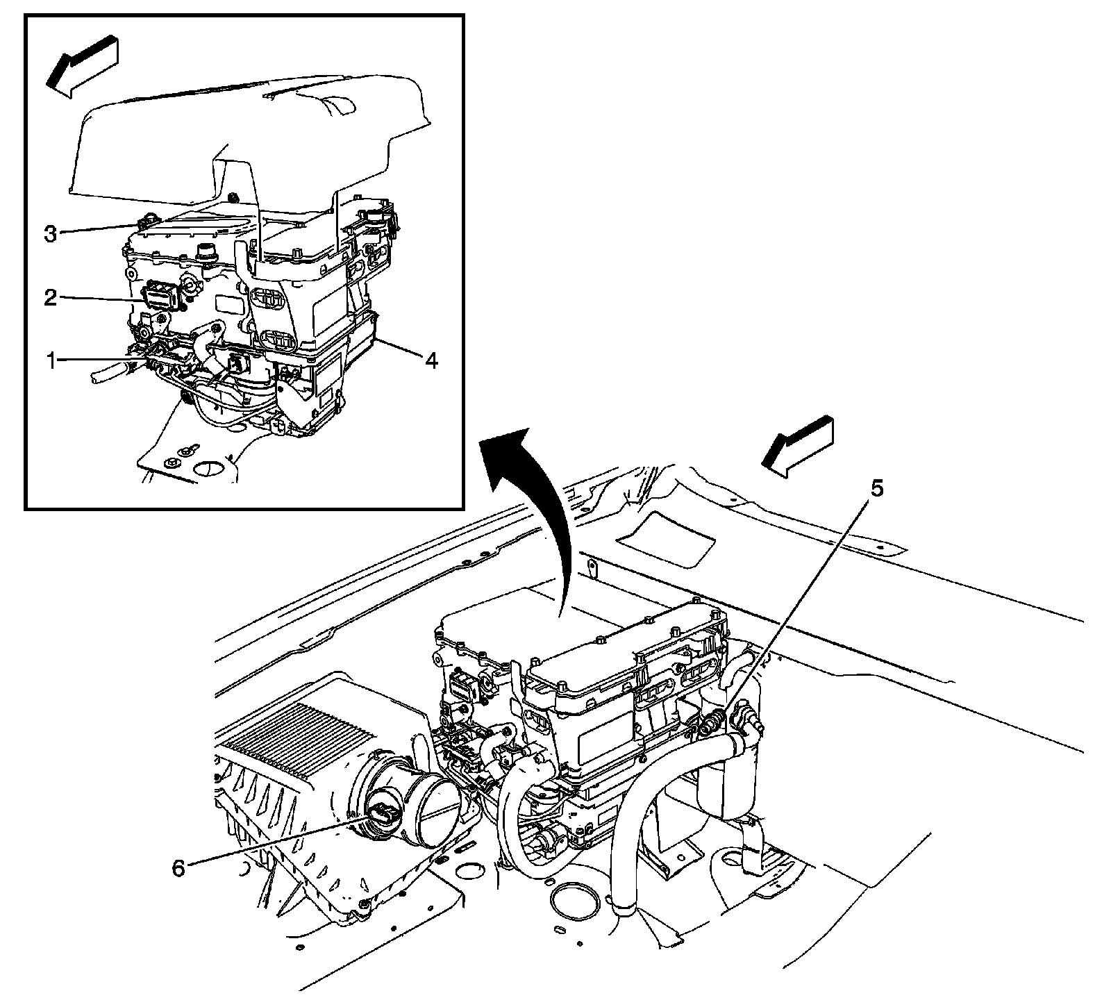
Right Rear of the Engine Compartment Components (HP2)




1 - Accessory DC Power Control Module
2 - Drive Motor Generator Power Inverter Module
3 - Drive Motor Generator Power Inverter Module Cover
4 - Electronic Power Steering Motor Control Module
5 - A/C Refrigerrant Pressure Sensor
6 - Mass Air Flow (MAF)/Intake Air Temperature (IAT) Sensor