Curiosii for ever!: Car repair manuals for everyone.

Engine



Disassembled Views

Upper and Lower Intake Manifold View

Upper and Lower Intake Manifold View:




1 - Throttle Body
2 - Throttle Body Stud
3 - Idle Air Control Valve Seal
4 - Idle Air Control Valve
5 - Idle Air Control Valve Bolt
6 - O-ring
7 - Spacer
8 - Fuel Injection Fuel Feed and Return Pipe & Retainer Nut
9 - Fuel Injection Fuel Feed and Return Pipe Retainer
10 - Fuel Injection Fuel Feed and Return Pipe
11 - Fuel Service Port Cap
12 - Fuel Schrader Valve
13 - Engine Wiring Harness Bracket Nut
14 - Engine Wiring Harness Bracket
15 - Fuel Injection Fuel Feed and Return Pipe Bolt
16 - Fuel Injector Fuel Meter Fuel Passage Plug
17 - Spacer
18 - O-ring
19 - Upper Intake Manifold Stud
20 - Positive Crankcase Ventilation Valve Cover
21 - Positive Crankcase Ventilation Valve Cover Seal
22 - Upper Intake Manifold
23 - Upper Intake Manifold Gasket
24 - Fuel Injector Fuel Meter Body Seal
25 - Fuel Injector Fuel Meter Body
26 - Lower Intake Manifold
27 - Heater Hose Fitting
28 - Engine Coolant Thermostat
29 - Engine Coolant Thermostat Seal
30 - Water Outlet
31 - Water Outlet Stud
32 - Throttle Body Seal
33 - Throttle Position Sensor Bolt
34 - Throttle Position Sensor

Upper Engine View 1




1 - Spark Plug Wire Retainer
2 - Spark Plug Wire Harness
3 - Oil Pump Drive Shaft Clamp Bolt
4 - Oil Pump Drive Shaft
5 - Spark Plug Wire Harness
6 - Spark Plug Wire Retainer
7 - Spark Plug Wire Retainer
8 - Spark Plug Wire Retainer
9 - Spark Plug
10 - Oil Pump Drive Shaft Gasket
11 - Spark Plug Wire Retainer
12 - Manifold Absolute Pressure Sensor
13 - Manifold Absolute Pressure Sensor Seal
14 - Lower Intake Manifold Bolt
15 - Lower Intake Manifold Gasket
16 - Intake Manifold Assembly
17 - Accelerator Control Cable Bracket Stud
18 - Accelerator Control Cable Bracket Bolt
19 - Accelerator Control Cable Bracket
20 - Accelerator Control Cable Bracket Nut
21 - Ignition Coil Bracket
22 - Ignition Coil Bracket Bolt
23 - Ignition Coil Assembly to Bracket Bolt
24 - Ignition Coil Assembly
25 - Ignition Coil Module
26 - Ignition Coil Module Bolt
27 - EVAP Purge Valve Seal
28 - EVAP Purge Valve
29 - EVAP Purge Valve Hose
30 - EVAP Purge Valve Bolt
31 - Spark Plug Wire Retainer

Upper Engine View 2

Upper Engine View (Part 2):




1 - Oil Filler Cap
2 - Oil Filler Cap Seal
3 - Oil Filler Tube
4 - Oil Filler Tube Seal
5 - Valve Rocker Arm Cover
6 - Valve Push Rod
7 - Valve Lifter Guide Bolt
8 - Valve Stem Oil Seal
9 - Valve Spring
10 - Valve Spring Cap
11 - Valve Stem Key
12 - Valve Rocker Arm Cover
13 - Positive Crankcase Ventilation Tube
14 - Valve Rocker Arm Cover Bolt
15 - Valve Rocker Arm Cover Bolt Grommet
16 - Valve Rocker Arm Cover Gasket
17 - Valve Rocker Arm Bolt
18 - Valve Rocker Arm
19 - Valve Rocker Arm Pivot Support
20 - Cylinder Head Bolt
21 - Spark Plug Wire Support
22 - Spark Plug Wire Support Bolt
23 - Cylinder Head Bolt
24 - Cylinder Head Bolt
25 - Exhaust Manifold Gasket
26 - Exhaust Manifold
27 - Exhaust Manifold Heat Shield Bolt
28 - Spark Plug Wire Shield
29 - Exhaust Manifold Bolt
30 - Exhaust Manifold Stud
31 - Spark Plug Wire Shield
32 - Exhaust Manifold Heat Shield
33 - Exhaust Manifold Gasket
34 - Engine Coolant Temperature Sensor
35 - Valve
36 - Cylinder Head
37 - Valve Lifter Guide
38 - Cylinder Head Gasket
39 - Cylinder Head Location Pin
40 - Valve Lifter
41 - Positive Crankcase Ventilation Tube Grommet
42 - Positive Crankcase Ventilation Tube

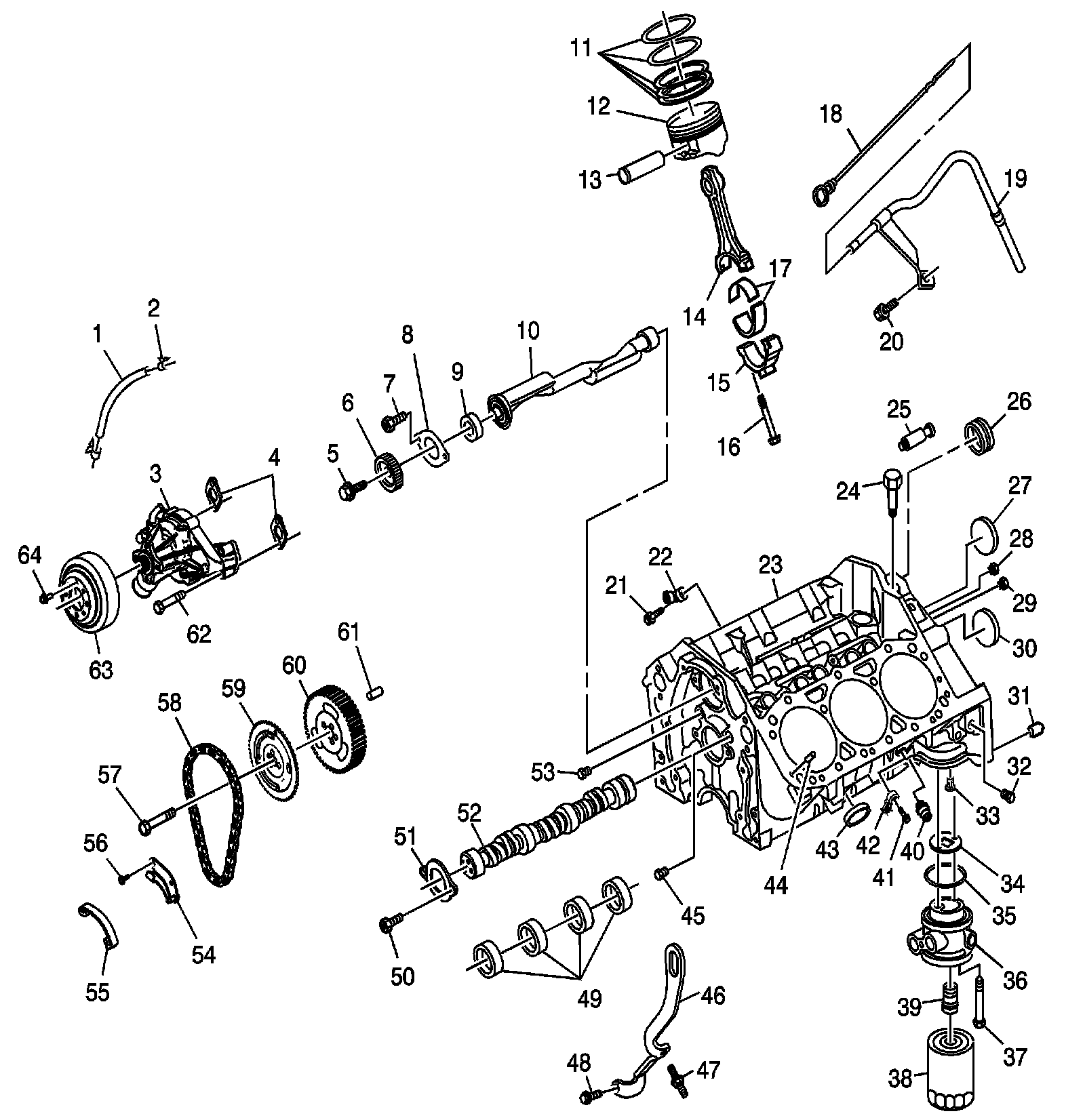
Lower Engine View 1




1 - Thermostat Bypass Hose
2 - Thermostat Bypass Pipe Clamp
3 - Water Pump
4 - Water Pump Gasket
5 - Balance Shaft Gear Bolt
6 - Balancer Shaft Driven Gear
7 - Balance Shaft Retainer Bolt
8 - Balancer Shaft Retainer
9 - Balancer Shaft Front Bearing
10 - Balance Shaft
11 - Piston Ring Set
12 - Piston
13 - Piston Pin
14 - Connecting Rod
15 - Connecting Rod Bearing Cap
16 - Connecting Rod Bolt
17 - Connecting Rod Bearing
18 - Oil Level Indicator
19 - Oil Level Indicator Tube
20 - Oil Level Indicator Tube Bolt
21 - Knock Sensor Bolt
22 - Knock Sensor
23 - Engine Block
24 - Engine Oil Pressure Indicator Switch Fitting
25 - Engine Oil Pressure Indicator Switch
26 - Balancer Shaft Rear Bearing
27 - Engine Block Coolant Hole Plug
28 - Engine Block Oil Gallery Plug
29 - Engine Block Oil Gallery Plug
30 - Engine Block Oil Gallery Plug
31 - Transmission Locating Pin
32 - Engine Block Oil Gallery Plug
33 - Oil Filter Bypass Valve
34 - Engine Oil Cooler Adapter Gasket
35 - Engine Oil Cooler Adapter Seal
36 - Engine Oil Cooler Adapter
37 - Engine Oil Cooler Adapter Bolt
38 - Oil Filter
39 - Oil Pressure Relief Valve Spring Seat Pin
40 - Block Heater
41 - Knock Sensor Bolt
42 - Knock Sensor
43 - Engine Block Coolant Hole Plug
44 - Cylinder Head Location Pin
45 - Engine Block Oil Gallery Plug
46 - Engine Lift Front Bracket
47 - Engine Lift Front Bracket Bolt
48 - Engine Lift Front Bracket Bolt
49 - Camshaft Bearing
50 - Camshaft Thrust Bearing Bolt
51 - Camshaft Thrust Plate
52 - Camshaft
53 - Engine Block Oil Gallery Plug
54 - Timing Chain Tensioner Bracket
55 - Timing Chain Tensioner Shoe
56 - Timing Chain Tensioner Bolt
57 - Camshaft Sprocket Bolt
58 - Timing Chain
59 - Camshaft Sprocket
60 - Balancer Shaft Drive Gear
61 - Camshaft Sprocket Location Pin
62 - Water Pump Bolt
63 - Water Pump Pulley
64 - Water Pump Pulley Bolt

Lower Engine View 2




1 - Crankshaft Balancer Bolt
2 - Crankshaft Balancer Washer
3 - Drive Belt Pulley
4 - Crankshaft Balancer
5 - Crankshaft Front Oil Seal
6 - Camshaft Sensor Bolt
7 - Camshaft Position Sensor Assembly
8 - Camshaft Sensor Seal
9 - Engine Front Cover Bolt
10 - Engine Front Cover
11 - Crankshaft Sprocket
12 - Crankshaft
13 - Crankshaft Balancer Key
14 - Crankshaft Lower Bearing
15 - Crankshaft Upper Bearing
16 - Crankshaft Rear Oil Seal Housing Gasket
17 - Crankshaft Rear Oil Seal Retainer Stud
18 - Crankshaft Rear Oil Seal Housing
19 - Crankshaft Rear Oil Seal Housing Bolt
20 - Crankshaft Rear Oil Seal
21 - Flywheel
22 - Flywheel Bolt
23 - Crankshaft Rear Oil Seal Housing Bolt
24 - Crankshaft Rear Oil Seal Housing Bolt
25 - Crankshaft Rear Oil Seal Housing Stud
26 - Oil Pan Nut
27 - Crankshaft Rear Oil Seal Housing Locating Pin
28 - Crankshaft Upper Bearing
29 - Crankshaft Bearing Cap
30 - Oil Pump Location Pin
31 - Oil Pump Drive Shaft
32 - Oil Pump Drive Clamp Bolt
33 - Oil Pump Bolt
34 - Oil Pan Gasket
35 - Oil Pan Baffle Bolt
36 - Oil Pan Baffle
37 - Oil Pan
38 - Oil Pan Drain Plug
39 - Oil Pan Drain Plug Seal
40 - Oil Pan Bolt
41 - Oil Pump Screen
42 - Oil Pump
43 - Crankshaft Bearing Cap Bolt
44 - Crankshaft Bearing Cap
45 - Crankshaft Lower Bearing
46 - Crankshaft Position Sensor Reluctor Ring
47 - Crankshaft Position Sensor Seal
48 - Crankshaft Position Sensor
49 - Crankshaft Position Sensor Bolt
50 - Crankshaft Balancer Weight
51 - Drive Belt Pulley Bolt