Curiosii for ever!: Car repair manuals for everyone.

Variable Valve Timing Solenoid: Service and Repair




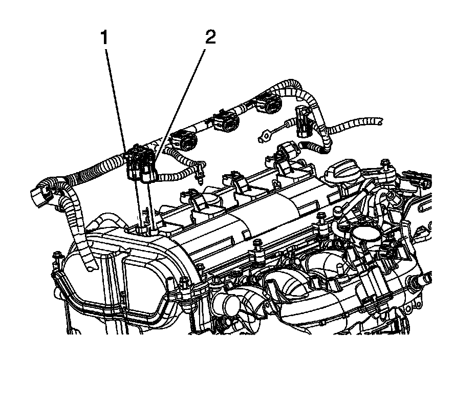
Camshaft Position Actuator Solenoid Valve Replacement

Removal Procedure




1. Disconnect the engine wiring harness electrical connector from either the intake (2) or exhaust (1) camshaft position actuator solenoid valve, as required.




2. Remove the exhaust (1) camshaft position actuator solenoid valve bolt and valve, as required.
3. Remove the intake (2) camshaft position (CMP) actuator solenoid valve bolt and valve, as required.
4. Inspect the solenoid valve O-ring seals from damage, replace as necessary.

Installation Procedure




1. Lubricate the solenoid valve O-ring seals with clean engine oil.

Caution: Refer to Fastener Caution (Fastener Caution).

2. Install the intake (2) CMP actuator solenoid valve and bolt, as required.

Tighten the bolt to 10 Nm (89 lb in).

3. Install the exhaust (1) CMP actuator solenoid valve and bolt, as required.

Tighten the bolt to 10 Nm (89 lb in).




4. Connect the engine wiring harness electrical connector to the intake (1) or exhaust (2) camshaft position actuator solenoid valve, as required.