Curiosii for ever!: Car repair manuals for everyone.

Oil Pressure Sensor: Service and Repair




Engine Oil Pressure Sensor and/or Switch Replacement

Special Tools

J 41712 Oil Pressure Switch Socket

Removal Procedure

Note: Clean the area around the oil pressure sensor. Do not allow debris to enter the engine.




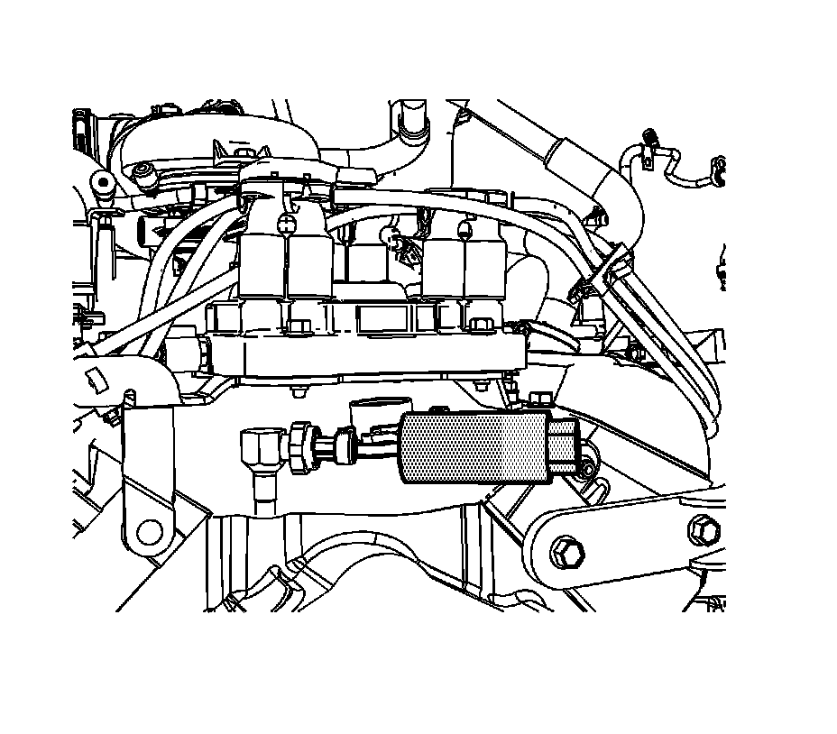
1. Disconnect the oil pressure sensor electrical connector (1).




2. Using J 41712 , remove the fuel pump/oil pressure sensor.





Note: Note the alignment of the engine oil pressure sensor fitting prior to removal.

3. Remove the oil pressure sensor fitting (1), if necessary.

Installation Procedure




1. If installing the old oil pressure sensor fitting (1), apply sealant to the threads of the fitting. Refer to Adhesives, Fluids, Lubricants, and Sealers (Specifications) for the correct part number.
2. Install the old oil pressure sensor fitting until snug, if necessary.





Caution: Refer to Fastener Caution (Fastener Caution).

3. Tighten the oil pressure sensor fitting.

1. Tighten the fitting to 15 Nm (11 lb ft).
2. Increase torque until the centerline of the fitting (1) is 50 degrees from the centerline of the crankshaft (2).




4. If installing the old sensor, apply sealant to the threads of the sensor. Refer to Adhesives, Fluids, Lubricants, and Sealers (Specifications) for the correct part number.
5. Using J 41712 , install the sensor and tighten to 30 Nm (22 lb ft).




6. Connect the oil pressure sensor electrical connector (1).
7. Check and adjust the engine oil level, if necessary.