Curiosii for ever!: Car repair manuals for everyone.

Battery Replacement




Battery Replacement

Removal Procedure




1. Disconnect the negative battery cable. Refer to Battery Negative Cable Disconnection and Connection (Service and Repair).
2. Loosen the positive battery cable terminal nut.
3. Remove the positive battery cable lead (2) from the battery.





Warning

Do not tip the battery over a 45 degree angle or acid could spill causing serious personal injury.

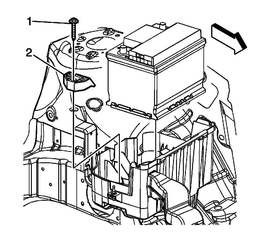
4. Remove the battery hold down bolt (1) and hold down (2).
5. Remove the battery.

Installation Procedure

Warning

Do not tip the battery over a 45 degree angle or acid could spill causing serious personal injury.




1. Install the battery to the battery box.

Caution: Refer to Fastener Caution (Fastener Caution).

2. Install the battery hold down and bolt. Tighten the bolt to 15 Nm (11 lb ft).




3. Install the positive battery cable lead (2) to the battery.
4. Tighten the positive battery cable terminal nut and tighten to 17 Nm (13 lb ft).
5. Connect the negative battery cable. Refer to Battery Negative Cable Disconnection and Connection (Service and Repair).