Curiosii for ever!: Car repair manuals for everyone.

Battery Replacement



Battery Replacement

Removal Procedure
Caution: Refer to Battery Disconnect Caution (Battery Disconnect Caution).

Caution: Batteries generate hydrogen gas, which is extremely flammable and may explode violently if ignited by a spark or a flame. Battery acid is extremely corrosive and causes severe personal injury if the acid comes into contact with the skin, and blindness if the acid comes into contact with the eyes. In order to avoid severe personal injury, use extreme caution when servicing the battery or battery-related components.




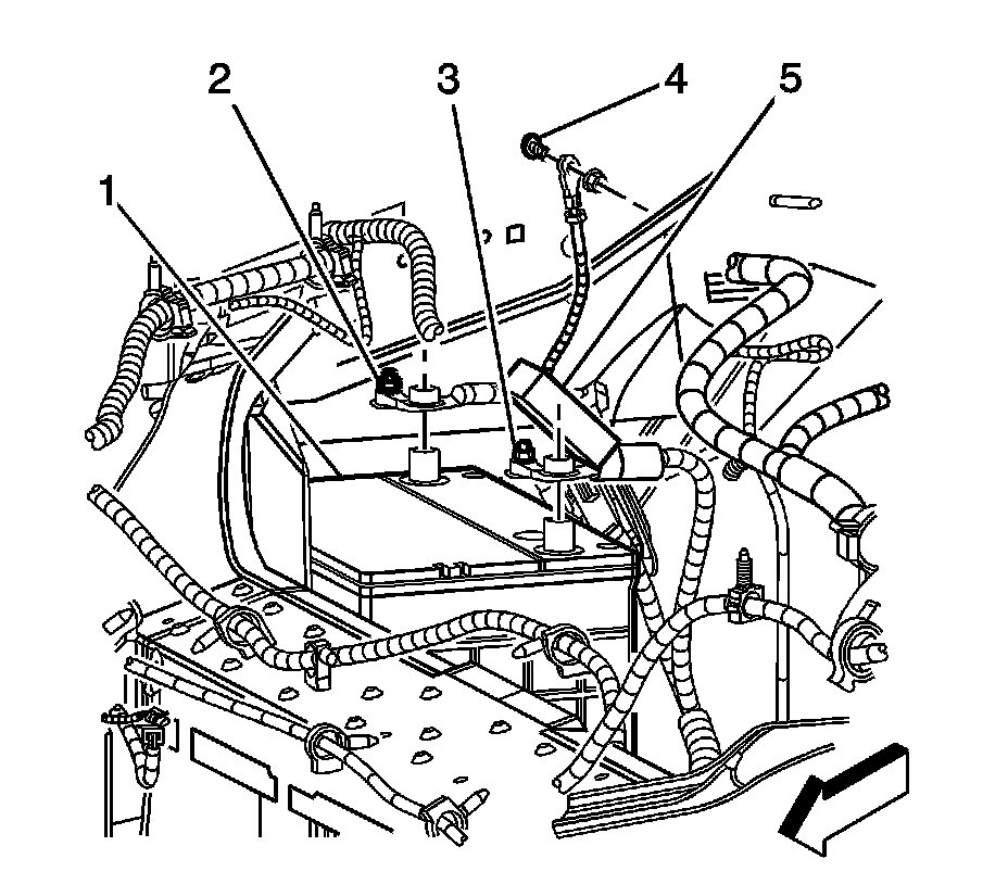
1. Remove the underhood electrical center cover (1).
2. Remove the underhood electrical center mounting bolts (3).
3. Disconnect the negative battery cable. Refer to Battery Negative Cable Disconnection and Connection (Service and Repair).




4. Remove the front end sheet metal diagonal brace. Refer to Front End Sheet Metal Diagonal Brace Replacement (Pontiac) (Service and Repair)Front End Sheet Metal Diagonal Brace Replacement (Chevrolet) (Service and Repair).
5. Open the positive battery cable cover (5).
6. Loosen the positive battery cable nut (3).
7. Remove the positive battery cable from the battery.




8. Remove the battery hold down retainer bolt (3).
9. Remove the battery hold down retainer (2).

Important: Do not tip the battery more than 40 degrees.


10. Remove the battery (1).

Installation Procedure





Important: Do not tip the battery more than 40 degrees.


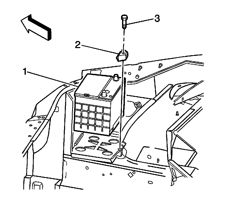
1. Install the battery (1) and ensure that the battery is positioned properly in the battery tray.
2. Install the battery hold down retainer (2).

Notice: Refer to Fastener Notice (Fastener Notice).

3. Install the battery hold down retainer bolt (3).

Tighten the bolt to 17 N.m (13 lb ft).




4. Install the positive battery cable to the battery.
5. Tighten the positive battery cable nut (3).

Tighten the bolt to 16 N.m (12 lb ft).

6. Close the positive battery cable cover (5).
7. Install the front end sheet metal diagonal brace. Refer to Front End Sheet Metal Diagonal Brace Replacement (Pontiac) (Service and Repair)Front End Sheet Metal Diagonal Brace Replacement (Chevrolet) (Service and Repair).
8. Connect the negative battery cable. Refer to Battery Negative Cable Disconnection and Connection (Service and Repair).




9. Install the underhood electrical center bolts (3).

Tighten the bolts to 10 N.m (89 lb ft).

10. Install the underhood electrical center cover (2).