Curiosii for ever!: Car repair manuals for everyone.

Case and Associated Parts



Disassembled Views

Case and Associated Parts (1 of 4)

Case and Associated Parts:




3 - Transmission Case Assembly
53 - Control Valve Body Cover
54 - Control Valve Body Cover Gasket
56 - Control Valve Body Cover Bolt M 8 X 1.25 X 25
57 - Control Valve Body Cover TORX(R) Head Bolt M 8 X 1.25 X 21
58 - Control Valve Body Cover to Case Stud M 8 X 1.25 X 24
59 - Control Valve Body Cover to Case Cover Seal
200 - Oil Pump Assembly - Model Dependent
200 - Oil Pump Assembly - Model Dependent
225 - Wiring Harness Assembly (IMS)
226 - Wiring Harness Clip
230 - Pump Cover to Case Cover Bolt M 6 X 1.0 X 95.0
231 - Pump Body to Case Bolt M6 X 1.0 X 87.5
300 - Control Valve Body Assembly - Model Dependent
300 - Control Valve Body Assembly - Model Dependent
368 - Spacer Plate and Gaskets/Control Valve Body Bolt
368 - Spacer Plate and Gaskets/Control Valve Body Bolt
372 - 1/4 Ball Check Valve
372 - 5/16 Ball Check Valve
373 - Ball Check Valve
373 - Ball Check Valve
374 - Control Valve Body Bolt M 6 X 1.0 X 65.0
375 - Control Valve Body to Case Bolt M 6 X 1.0 X 60.0
375 - Control Valve Body to Case Bolt M 6 X 1.0 X 60.0
376 - Control Valve Body to Case Bolt M 6 X 1.0 X 30.0
377 - Control Valve Body to Case Cover Bolt M 6 X 1.0 X 45.0
378 - Control Valve Body to Case Cover Bolt M 6 X 1.0 X 55.0
380 - Control Valve Body to Case Bolt M 8 X 1.25 X 90.0
381 - Control Valve Body to Case Bolt M 6 X 1 X 20.0
382 - TCC Solenoid Valve Screen/Seal Assembly
382 - TCC Solenoid Valve Screen/Seal Assembly
384 - Control Valve Body to Case Bolt M 6 X 1.0 X 85.0
390 - Temperature Sensor Clip
391 - Transmission Fluid Temperature Sensor
391 - Transmission Fluid Temperature Sensor
395 - Transmission Fluid Pressure (TFP) Manual Valve Position Switch Assembly
396 - Control Valve Body Spacer Plate and Gasket Assembly

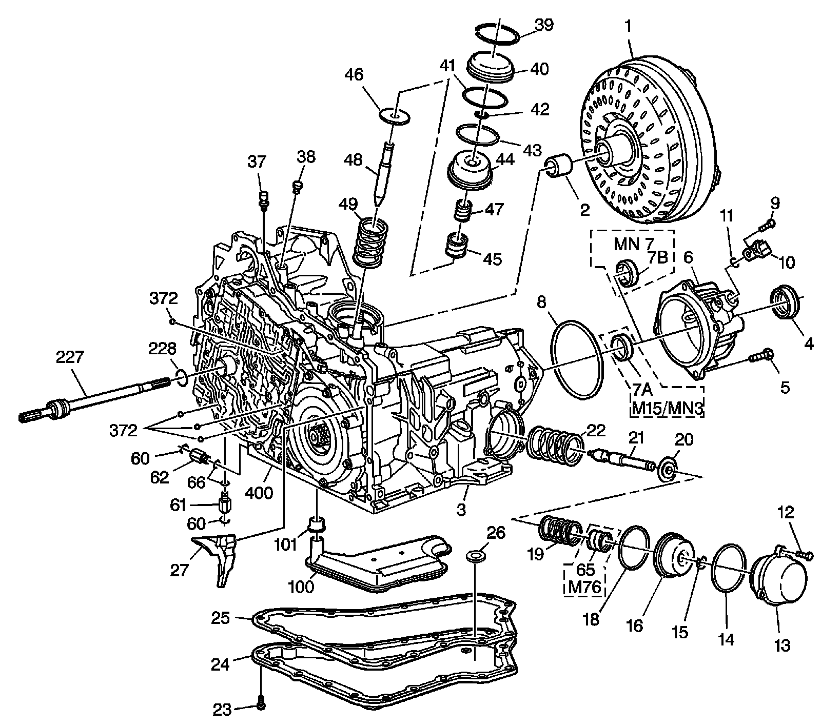
Case and Associated Parts (2 of 4)




1 - Torque Converter Assembly
2 - Torque Converter Bushing
3 - Transmission Case
4 - Right Axle Oil Seal Assembly
5 - Case Extension Bolt M 10 X 1.5 X 35.0
6 - Case Extension Assembly
7a - Front Differential Carrier Bushing
7b - Output Shaft Bearing Assembly
8 - Case Extension Seal
9 - Vehicle Speed Sensor Bolt M 8 X 1.25 X 12.0
10 - Vehicle Speed Sensor Assembly
11 - Vehicle Speed Sensor O-Ring Seal
12 - FWD Servo Cover Bolt M 6 X 1.0 X 20.0
13 - Forward Band Servo Cover
14 - Forward Band Servo Cover Seal
15 - Forward Band Servo Pin Retaining Ring
16 - Forward Band Servo Piston
18 - Forward Band Servo Piston Oil Seal Ring
19 - Forward Band Servo Piston Cushion Outer Spring
20 - Forward Servo Cushion Spring Retainer
21 - Forward Band Servo Piston Apply Pin
22 - Forward Band Servo Piston Return Spring
23 - Transmission Oil Pan Bolt M 6 X 1.0 X 17.0
24 - Transmission Oil Pan
25 - Transmission Oil Pan Gasket
26 - Transmission Oil Pan Magnet
27 - Oil Dam
37 - Transmission Vent Assembly
38 - Oil Pressure Test Hole Plug 1/8 - 27 NPTF
39 - Reverse Band Servo Cover Retaining Ring
40 - Reverse Band Servo Cover
41 - Reverse Band Servo Cover O-Ring Seal
42 - Reverse Band Servo Pin Retaining Ring
43 - Reverse Band Servo Piston Oil Seal Ring
44 - Reverse Band Servo Piston
45 - Reverse Band Servo Piston Cushion Spring
46 - Reverse Band Servo Piston Cushion Spring Retainer
47 - Reverse Band Servo Piston Cushion Spring Inner
48 - Reverse Band Servo Piston Apply Pin
49 - Reverse Band Servo Piston Return Spring
60 - Clip, Oil Cooler Quick Connect
60 - Clip, Oil Cooler Quick Connect
61 - Transmission Oil Cooler Pipe Fitting 9/16-18 UNF
62 - Transmission Oil Cooler Pipe Fitting 9/16-18 UNF
65 - Forward Band Servo Piston Cushion Inner Spring
66 - Oil Cooler Pipe Fitting O-Ring Seal
100 - Transmission Oil Filter Assembly
101 - Transmission Oil Filter Seal Assembly
227 - Oil Pump Drive Shaft Assembly
228 - Oil Pump Drive Shaft Seal
372 - Case Cover Ball Check Valve
372 - Case Cover Ball Check Valve
400 - Complete Case Cover Assembly

Case and Associated Parts (3 of 4)

Case and Associated Parts:




3 - Transmission Case
400 - Complete Case Cover Assembly
432 - 4th Clutch Shaft Thrust Washer
433 - Case Cover Bolt/Screw TORX(R) Special M6 X 1.0 X 32.0
434 - Case Cover Bolt/Screw M6 X 1.0 X 40.0
435 - Case Cover Bolt/Screw M8 X 1.25 X 50.0
436 - Case Cover Bolt/Screw M6 X 1.0 X 30.0
501 - 4th Clutch Fiber Plate Assembly
501 - 4th Clutch Fiber Plate Assembly
502 - 4th Clutch Steel Plate
502 - 4th Clutch Steel Plate
504 - 4th Clutch Shaft Assembly
505 - 4th Clutch Shaft Thrust Washer
506 - Driven Sprocket
507 - Drive Link Assembly
508 - Driven Sprocket Thrust Washer
509 - Drive Shaft Retaining Ring
510a - Standard Output Shaft
510b - Heavy Duty Output Shaft
513 - Turbine Shaft Oil Seal Ring
514 - Drive Sprocket Thrust Washer
515 - Drive Sprocket Retaining Ring
516 - Drive Sprocket
517 - Drive Sprocket Thrust Washer
518 - Turbine Shaft
519 - Turbine Shaft Oil Seal Ring
520 - Turbine Shaft O-Ring Seal
521 - Drive Sprocket Support Bearing Assembly
522 - Drive Sprocket Support
523 - Drive Sprocket Support Bushing
524 - Drive Sprocket Support Bolt/Screw M8 X 1.25 X 24.0
525 - Torque Converter Oil Seal Assembly
526 - Case Cover Pin
526 - Case Cover Pin
527 - Speed Sensor Reluctor Wheel Assembly
528 - 4th Clutch Apply Plate

Case and Associated Parts (4 of 4)




3 - Transmission Case Assembly
103 - 2-1 Manual Band Servo Cover Bolt/Screw M8 X 1.25 X 25.0 (3)
104 - 2-1 Manual Band Servo Cover
105 - 2-1 Manual Band Servo Cover Seal
106 - 2-1 Manual Band Servo Piston Pin Retaining Ring
107 - 2-1 Manual Band Servo Piston Seal
108 - 2-1 Manual Band Servo Piston
109 - 2-1 Manual Band Servo Piston Cushion Spring
110 - 2-1 Manual Band Servo Piston Spring Retainer
111 - 2-1 Manual Band Servo Piston Pin
112 - 2-1 Manual Band Servo Piston Spring
113 - 2-1 Manual Band Servo Piston Cylinder O-Ring Seal
114 - 2-1 Manual Band Servo Piston Cylinder
115 - 2-1 Manual Band Servo Exhaust Screen Assembly
117a - Forward Band Anchor Pin
117b - Reverse Band Anchor Pin
120 - Thermo Element Plate Pin
121 - Thermo Element
122 - Thermo Element Plate
123 - Thermo Element Plate Center Pin
124 - Forward Band Servo Oil Pipe
125 - 2-1 Manual Band Servo Oil Pipe
129 - Lube Oil Pipe Retainer
130 - Lube Oil Pipe and Washer Assembly
131 - Accumulator Cover Bolt/Screw M6 X 1.0 X 28.0 (11)
132 - Accumulator Cover
134 - Accumulator Cover Spacer Plate Assembly
135a - 1-2 Accumulator Piston Pin
135b - 2-3 Accumulator Piston Pin
136a - 1-2 Accumulator Piston
136b - 2-3 Accumulator Piston
137a - 1-2 Accumulator Piston Oil Seal Ring
137b - 2-3 Accumulator Piston Oil Seal Ring
138 - 2-3 Accumulator Piston Outer Spring
139 - 1-2 Accumulator Piston Cushion Spring
140 - 1-2 and 2-3 Accumulator Housing
142 - 1-2 Accumulator Piston Outer Spring
143 - 2-3 Accumulator Piston Cushion Spring