Curiosii for ever!: Car repair manuals for everyone.

Power Locks: Service and Repair



Sliding Door Lock Module Replacement

Removal Procedure

Important: By removing the power sliding door (PSD) 15A fuse, the low current logic power for both the LH and RH power sliding door modules (PSDM) will be interrupted and both PSDs will be inoperative.


1. If equipped with a power sliding door, disable the PSD system by removing the PSD 15A fuse from the instrument panel (I/P) fuse block.




2. Manually open the power sliding door.
3. Remove the power sliding door water deflector. Refer to Rear Side Door Water Deflector Replacement ().
4. Remove the forward screws.
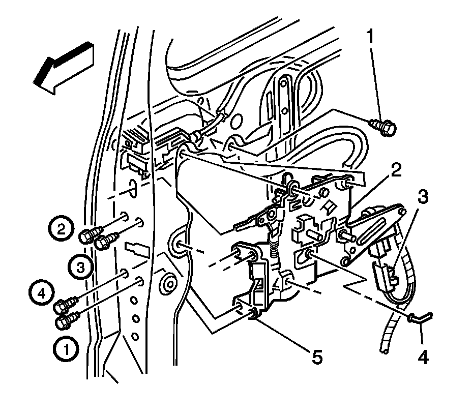
5. Remove the lock module screws (1).
6. Disconnect the electrical connector (3).
7. Disconnect the lock rods (4).
8. Lower the lock module into the door.




9. Disconnect the lock rod cable (1) from the lock module (2).
10. Carefully remove the lock module from the sliding door.

Installation Procedure




1. Position the lock module to the inner door.
2. Connect the lock rods (4).
3. Connect the electrical connector (3).
4. Connect the door lock release cable to the lock module.
5. Position the lock module to the door.
6. Install the lock module screws (1).

Notice: Refer to Fastener Notice (Fastener Notice).

7. Install the forward mounting bracket screws.

1. Tighten the screws, in sequence as shown, to 10 N.m (89 lb in).
2. Tighten the top screw (1) to 10 N.m (89 lb in).

8. Ensure the rear latch rod is secured into the sliding door insulator guide.




9. Install the water deflector. Refer to Rear Side Door Water Deflector Replacement ().
10. Close the sliding door.

Important: By installing the 15A fuse, the low current logic power will be restored to both the LH and RH PSDMs and the PSDs will be operational. However, both PSDMs will have to learn the full open and full closed positions of the PSD. Refer to Rear Side Door Actuator Control Module Programming and Setup (Programming and Relearning).


11. If equipped with a power sliding door, enable the PSD system by installing the PSD 15A fuse into the I/P fuse block.