Curiosii for ever!
: Car repair manuals for everyone.
Home
>>
Chevy Truck
>>
2008
>>
TrailBlazer 4WD L6-4.2L
>>
Repair and Diagnosis
>>
Powertrain Management
>>
Transmission Control Systems
>>
Diagrams
>>
Electrical Diagrams
Electrical Diagrams
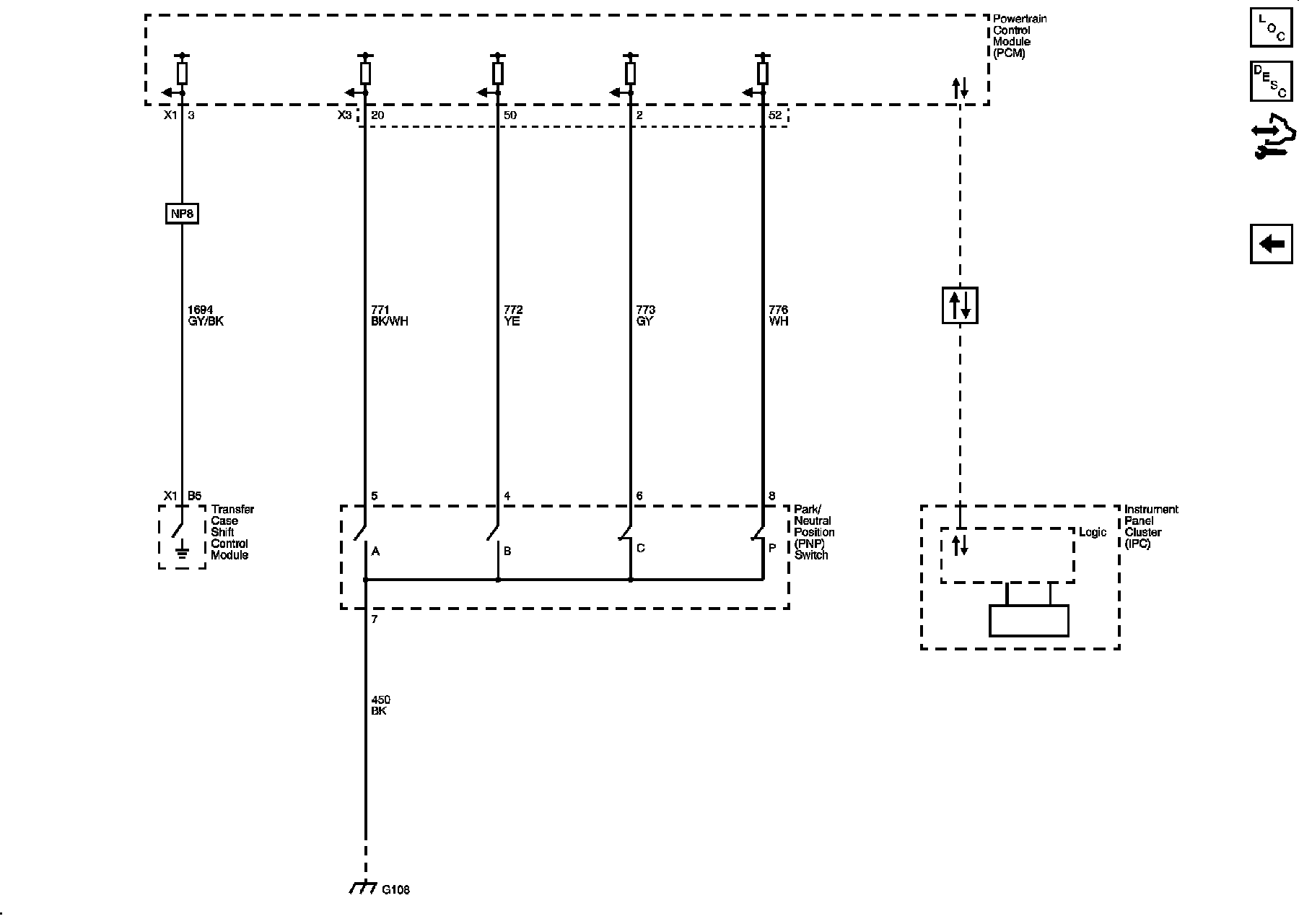
Automatic Transmission Controls Schematics (4.2L)
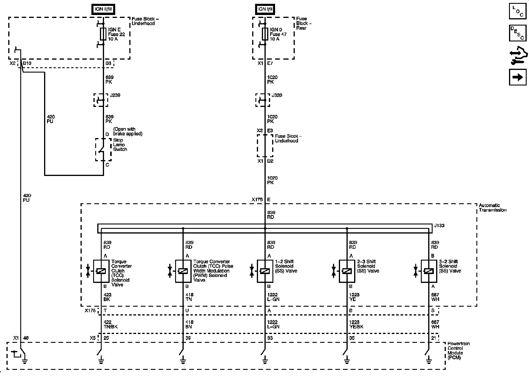
Shift Controls and Stop Lamp Switch
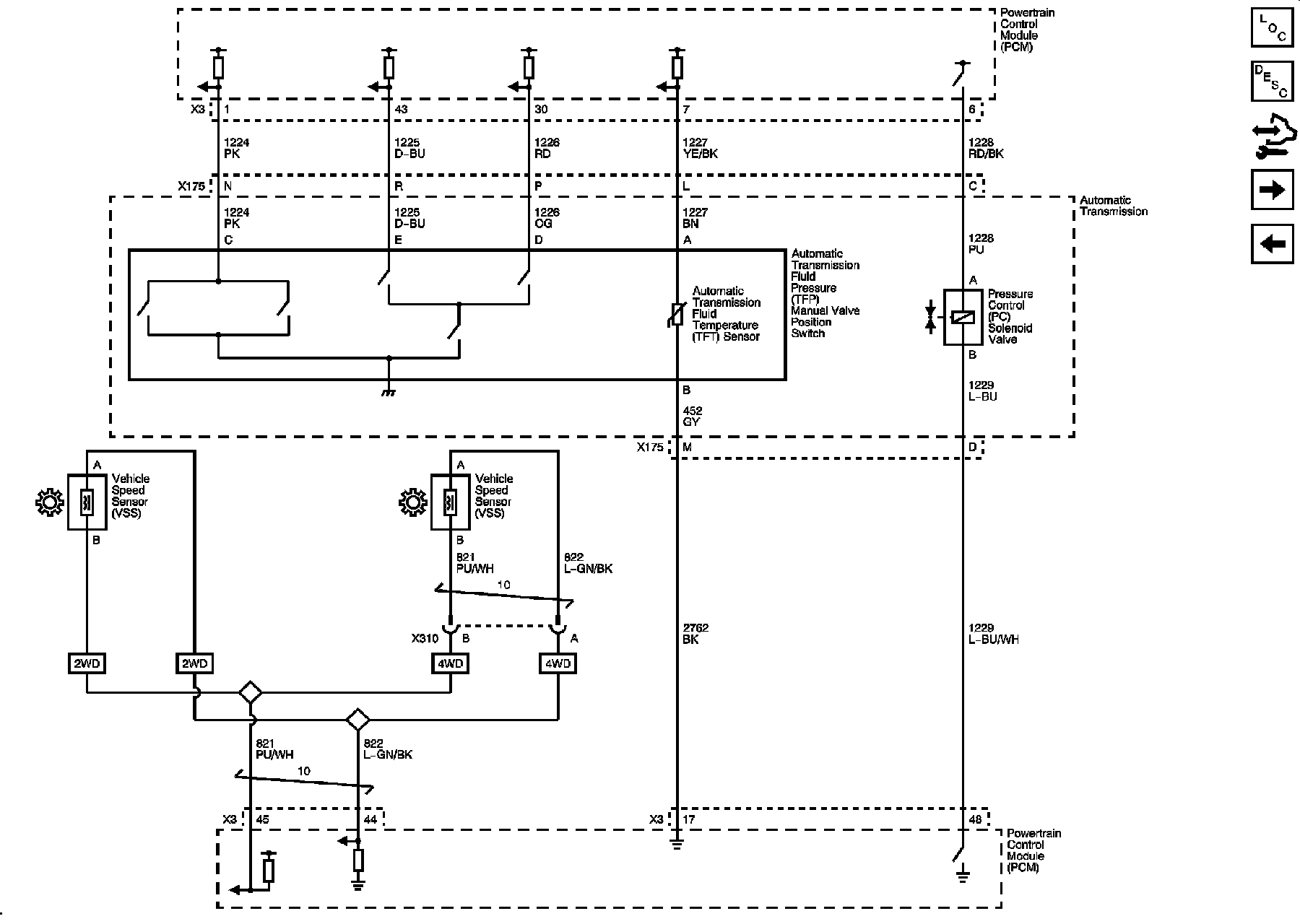
Pressure Controls, Temperature, and
VSS
PNP Switch, 4WD Signal, Serial Data, and Indicator