Curiosii for ever!
: Car repair manuals for everyone.
Home
>>
Chevy Truck
>>
2008
>>
Silverado 2500 2WD V8-6.6L DSL Turbo
>>
Repair and Diagnosis
>>
Powertrain Management
>>
Computers and Control Systems
>>
Body Control Module
>>
Service and Repair
>>
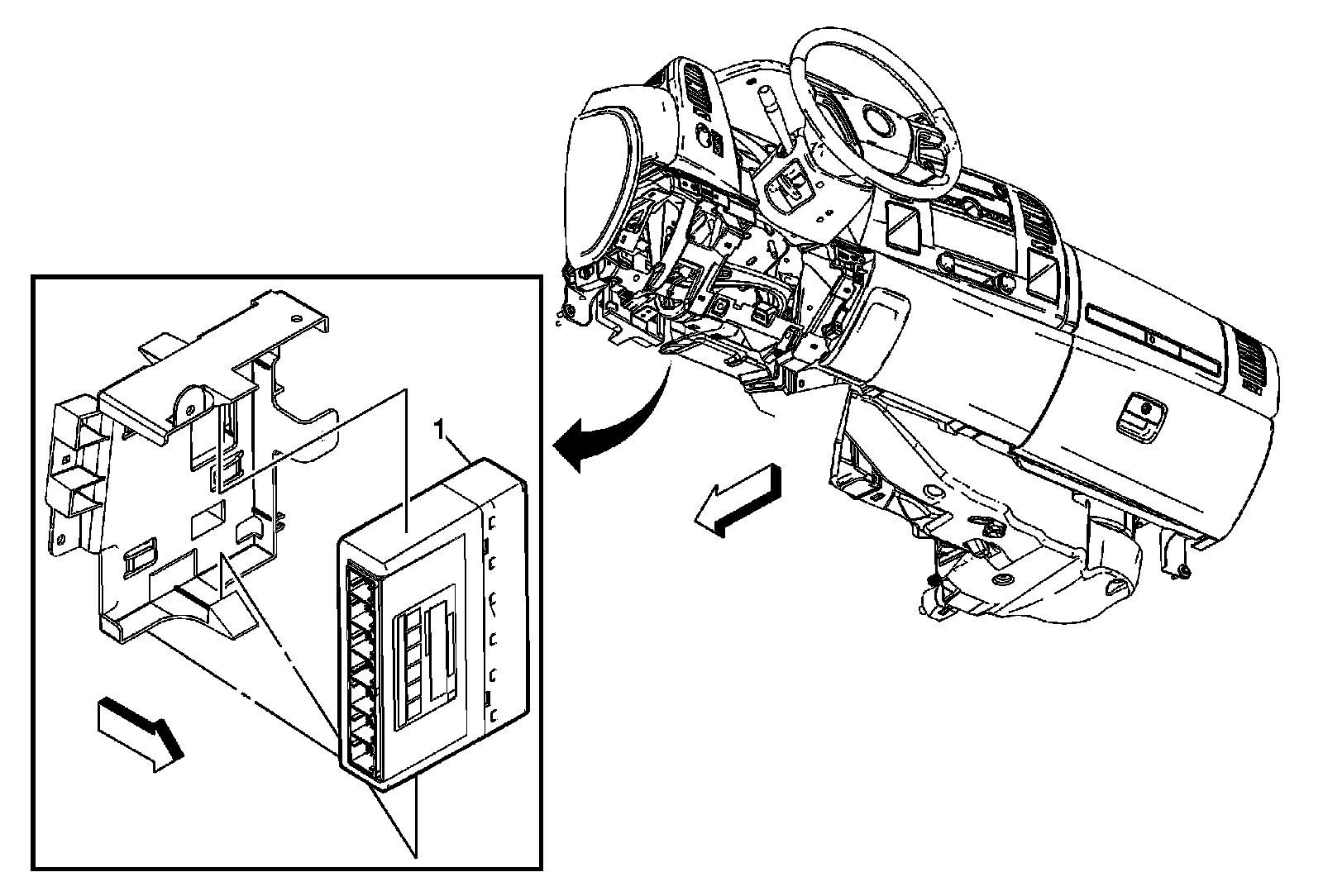
Body Control Module Replacement
Body Control Module Replacement
Body Control Module
Replacement