Curiosii for ever!: Car repair manuals for everyone.

Installation Procedure



Engine Replacement


Special Tools
* J 24319-B Steering Linkage and Tie Rod Puller
* J 45341 Rear Wheel Drive Shaft Removal Tool
* J-2619-A Slide Hammer
* J 44394 Axle Seal Protector
* J 45059 Angle Meter


Installation Procedure





1. Using a engine hoist, remove the engine from the engine stand.
2. Install the following components:

* The engine mount bracket
* The engine block heater, if equipped
* The generator

3. If equipped with a manual transaxle, install the clutch pressure plate and disc. Refer to Clutch Pressure and Driven Plate Replacement (Service and Repair) .
4. Install the engine to the transaxle.

Notice: Refer to Fastener Notice (Fastener Notice) .

5. If equipped with a automatic transaxle, install the transaxle to engine bolts/stud.

Tighten the bolts/stud to 75 N.m (55 lb ft).





6. If equipped with a manual transaxle, install the transaxle to engine bolts/stud.

Tighten the bolts/stud to 75 N.m (55 lb ft).





7. If equipped with a automatic transaxle, install the transaxle brace and bolts.
Tighten the bolts to 50 N.m (37 lb ft).





8. If equipped with a automatic transaxle, install the torque converter bolts.

Tighten the bolts to 62 N.m (46 lb ft).





9. If equipped with a automatic transaxle, install the torque converter housing access plug.




10. Remove the engine lift hoist from the engine lift hooks.
11. Slide the lift table under the vehicle.
12. Slowly lower the vehicle until it aligns with the alignment marks made during the removal.
13. Install the frame bolts.

Tighten the bolts to 100 N.m (74 lb ft) plus and additional 180 degrees using the J 45059 .





14. Install the transaxle mount to transaxle bolts.
15. Tighten the transaxle mount to transaxle bolts in the following sequence.

1. Rear
2. Middle
3. Front
Tighten the bolts to 50 N.m (37 lb ft).






16. Install the engine mount bracket bolts.
17. Tighten the engine mount to bracket bolts in the following sequence.

1. Middle
2. Rear
3. Front

Tighten the bolts to 50 N.m (37 lb ft).


18. Raise the vehicle until the lift table can be removed from under the vehicle.
19. Remove the lift table.




20. Unsecure the radiator assembly from the radiator core support.
21. Install the lower radiator support bolts.

Tighten the bolts to 34 N.m (25 lb ft).





22. Unsecure the wheel drive shaft.
23. Install the J 44394 into the right transaxle output shaft seal.
24. Install the right wheel drive shaft into the transaxle until the drive shaft splines are past the seal, remove the J 44394 , then fully install the drive shaft.
25. Verify that the wheel driveshaft is properly engaged:

* Grasp the inner tripot housing and pull the inner housing outward. Do NOT pull on the wheel drive shaft.
* The wheel drive shaft will remain firmly in place when properly engaged.

26. Repeat steps 22 through 25 for the left side.




27. Install the left and right lower ball joints to the steering knuckles.
28. Install the ball joint to steering knuckle bolts and nuts.

* Tighten the nut a first pass to 50 N.m (37 lb ft), then loosen the nut 3/4 of a turn.
* Tighten the nut a final pass to 50 N.m (37 lb ft), plus an additional 30 degrees using the J 45059 .






29. Install the left and right outer tie rods to the steering knuckles.
30. Install the NEW left and right steering gear outer tie rod to knuckle nuts.

Tighten the nut to 25 N.m (18 lb ft), plus an additional 90 degrees using the J 45059 .



31. Install the left and right stabilizer links to the struts.
32. Install the stabilizer link to strut nuts.

Tighten the nut to 65 N.m (48 lb ft).

33. Left the vehicle.




34. If equipped with a automatic transaxle, install the oil cooler lines to the transaxle.
35. Install the oil cooler line nut.

Tighten the nut to 7 N.m (62 lb in).





36. If equipped with a manual transaxle, install the range selector and shift lever cables to the transaxle bracket.
37. Install the range selector and shift lever cables to the transaxle levers.




38. If equipped with a automatic transaxle, install the range selector lever cable to the transaxle bracket.
39. Connect the range selector lever cable to the transaxle lever.




40. Gather all engine harness branches and position the harness over the engine.
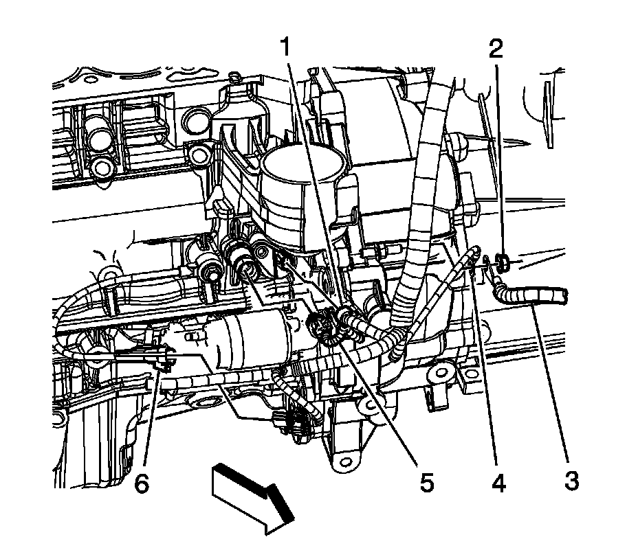
41. If equipped with a manual transaxle perform the following steps. Install the engine harness clip (6) to the transaxle.
42. Connect the engine harness electrical connector (7) to the back up lamp switch.
43. Connect the engine harness electrical connector (4) to the HO2S.
44. Install the engine harness electrical connector clip (5) to the transaxle rear mount bracket.
45. Install the engine harness clip (2) to the transaxle.
46. Install the CPA retainer (3).
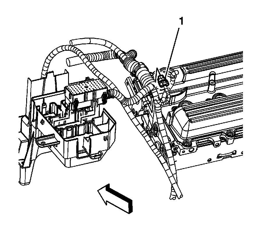
47. Connect the engine harness electrical connector (1) to the VSS.




48. If equipped with a automatic transaxle perform the following steps. Connect the engine harness electrical connector (3) to the HO2S.
49. Install the CPA retainer (2).
50. Install the engine harness electrical connector clip (4) to the transaxle rear mount bracket.
51. Install the engine harness clip (1) to the transaxle stud.
52. Connect the engine harness electrical connector (6) to the park neutral position switch.
53. Install the CPA retainer (5).




54. If equipped with a manual transaxle perform the following steps. Connect the engine harness electrical connector (3) to the HO2S.
55. Install the CPA retainer (2).
56. Connect the ECT sensor electrical connector (1).




57. If equipped with a automatic transaxle perform the following steps. Connect the engine harness electrical connector (3) to the HO2S.
58. Install the CPA retainer (2).
59. Connect the ECT sensor electrical connector (1).




60. If equipped with a automatic transaxle, connect the engine harness to the transaxle.




61. If equipped with a automatic transaxle, install the engine harness clip (3) to the speed sensor.
62. Connect the VSS electrical connector (4).
63. Install the engine harness clip (1) to the stud.
64. Install the engine harness clip nut (2) to the engine stud.

Tighten the nut to 10 N.m (89 lb in).





65. Install the engine harness lead terminal (1) to the generator.
66. Install the generator nut (2).

Tighten the nut to 20 N.m (27 lb ft).

67. Raise the vehicle.
68. Position the engine harness ground (8) to the engine block.
69. Install the engine harness ground bolt (7).

Tighten the bolt to 25 N.m (18 lb ft).





70. Unsecure the A/C compressor and position to the engine block. Install the A/C compressor bolts.

Tighten the bolts to 22 N.m (16 lb ft).

71. Connect the A/C compressor electrical connector (2).
72. Connect the A/C pressure switch electrical connector (1).
73. Raise and support the vehicle.




74. Install the engine harness clip (1) to the transaxle stud.
75. Install the engine harness clip nut (2).

Tighten the nut to 10 N.m (89 lb in).





76. If equipped with a manual transaxle perform the following steps. Install the engine harness ground terminal (4) to the stud.
77. Install the positive/negative cable (3) terminal to the stud.
78. Install the positive/negative battery cable ground nut (2).

Tighten the nut to 10 N.m (89 lb in).

79. Connect the following electrical connectors:

* CKP sensor (1)
* Oil pressure sensor (5)
* Knock sensor (6)



80. If equipped with a automatic transaxle perform the following steps. Install the engine harness ground terminal (3) to the stud.
81. Install the positive/negative cable (2) terminal to the stud.
82. Install the positive/negative battery cable ground nut (1).

Tighten the nut to 10 N.m (89 lb in).

83. Connect the following electrical connectors:

* CKP sensor (4)
* Oil pressure sensor (5)
* Knock sensor (6)

84. Install the starter. Refer to Starter Motor Replacement (Service and Repair) .




85. If equipped with a automatic transaxle perform the following steps. Install the engine harness clips (3, 5) to the intake manifold.
86. Install the engine harness clip (1) to the oil level indicator tube bracket.




87. If equipped with a manual transaxle perform the following steps, install the engine harness clips (2, 4) to the intake manifold.
88. Install the engine harness clip (1) to the oil level indicator tube bracket.



89. Connect the ignition control module electrical connector.




90. Connect the following electrical connectors:

* TAC (1)
* MAP sensor
* Fuel injector harness (2)
* Generator (3)





91. Install the brake booster vacuum hose.
92. Position the brake booster vacuum hose clamp at the engine.




93. Position the engine coolant heater cord, if necessary.
94. If equipped with a automatic transaxle, install the engine coolant heater cord straps to the engine harness, if equipped.




95. If equipped with a manual transaxle, install the engine coolant heater cord clips (1) to the camshaft cover, if equipped.




96. Connect the engine coolant heater cord, if equipped.




97. Install the radiator outlet hose to the engine.
98. Position the radiator outlet hose clamp at the engine.




99. Install the heater inlet and outlet hoses to the thermostat housing.
100. Position the heater inlet and outlet hose clamps at the thermostat housing.




101. Install the engine harness clip (1) to the EVAP purge solenoid bracket.




102. Connect the EVAP purge solenoid electrical connector (1).




103. Install the radiator inlet hose to the engine.
104. Position the radiator inlet hose clamp at the engine.




105. Position and install the ECM bracket to the studs.
106. Install the ECM bracket nuts (1) and bolts (2).

* Tighten the bolts to 25 N.m (18 lb ft).
* Tighten the nuts to 10 N.m (89 lb in).




107. Install the positive battery cable terminal (1) to the junction block stud.




108. Install the positive/negative battery cable terminal (2) to the stud.
109. Install the junction block terminal nut (1).

Tighten the nut to 15 N.m (11 lb ft).

110. Close the junction block terminal cover.




111. Connect the engine harness electrical connector (2) to the ECM.




112. Connect the body harness electrical connector (1) to the ECM.




113. Install the ECM/TCM cover.
114. Raise the vehicle.




115. Connect the cooling fan electrical connector.
116. Install the catalytic converter. Refer to Catalytic Converter Replacement (L61-2.2L/LE5-2.4L) (Catalytic Converter Replacement (LE5/L61))Catalytic Converter Replacement (LNF) (Catalytic Converter Replacement (LNF-2.0L)) .
117. Install the left side engine splash shield. Refer to Engine Splash Shield Replacement (Service and Repair) .
118. Install the engine drive belt. Refer to Drive Belt Replacement (Service and Repair) .
119. Install the windshield washer solvent reservoir. Refer to Windshield Washer Solvent Container Replacement (Service and Repair) .




120. Connect the EVAP line to the EVAP purge solenoid. Refer to Plastic Collar Quick Connect Fitting Service (Plastic Collar Quick Connect Fitting Service) .




121. Connect the fuel feed line to the fuel rail. Refer to Metal Collar Quick Connect Fitting Service (Metal Collar Quick Connect Fitting Service) .
122. Connect the negative battery cable. Refer to Battery Negative Cable Disconnection and Connection (Service and Repair) .
123. Perform the engine prelubing procedure. Refer to Engine Prelubing (Overhaul) .
124. Fill the cooling system. Refer to Cooling System Draining and Filling (Static Fill-L61-2.2L/LE5-2.4L) (Service and Repair)Cooling System Draining and Filling (GE 47716 Fill) (Service and Repair)
125. Check the automatic transaxle fluid, if equipped, add as needed. Refer to Transmission Fluid Check (Testing and Inspection) .
126. Check the manual transaxle fluid, if equipped, add as needed. Refer to Transmission Fluid Check (Transmission Fluid Check) .
127. Install the air cleaner assembly. Refer to Air Cleaner Assembly Replacement (Service and Repair) .
128. Close the hood.
129. Check the front alignment. Refer to Wheel Alignment Measurement (Service and Repair) .