Curiosii for ever!: Car repair manuals for everyone.

Automatic Transmission/Transaxle

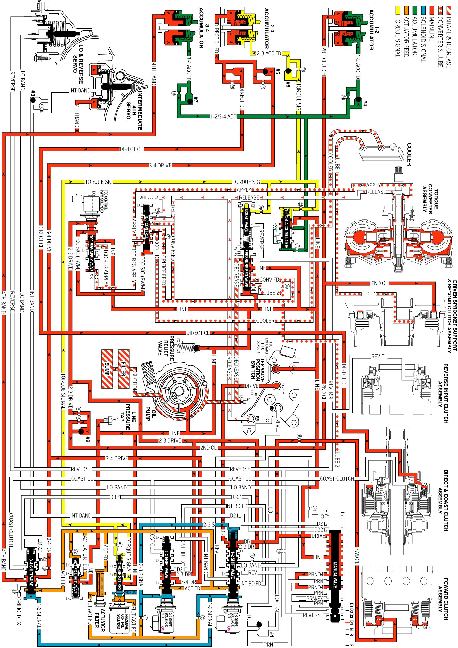
Park - Engine Running - Without Electronic Range Select Mode:



Park - Engine Running - With Electronic Range Select Mode:



Reverse - Without Electronic Range Select Mode:



Reverse - With Electronic Range Select Mode:



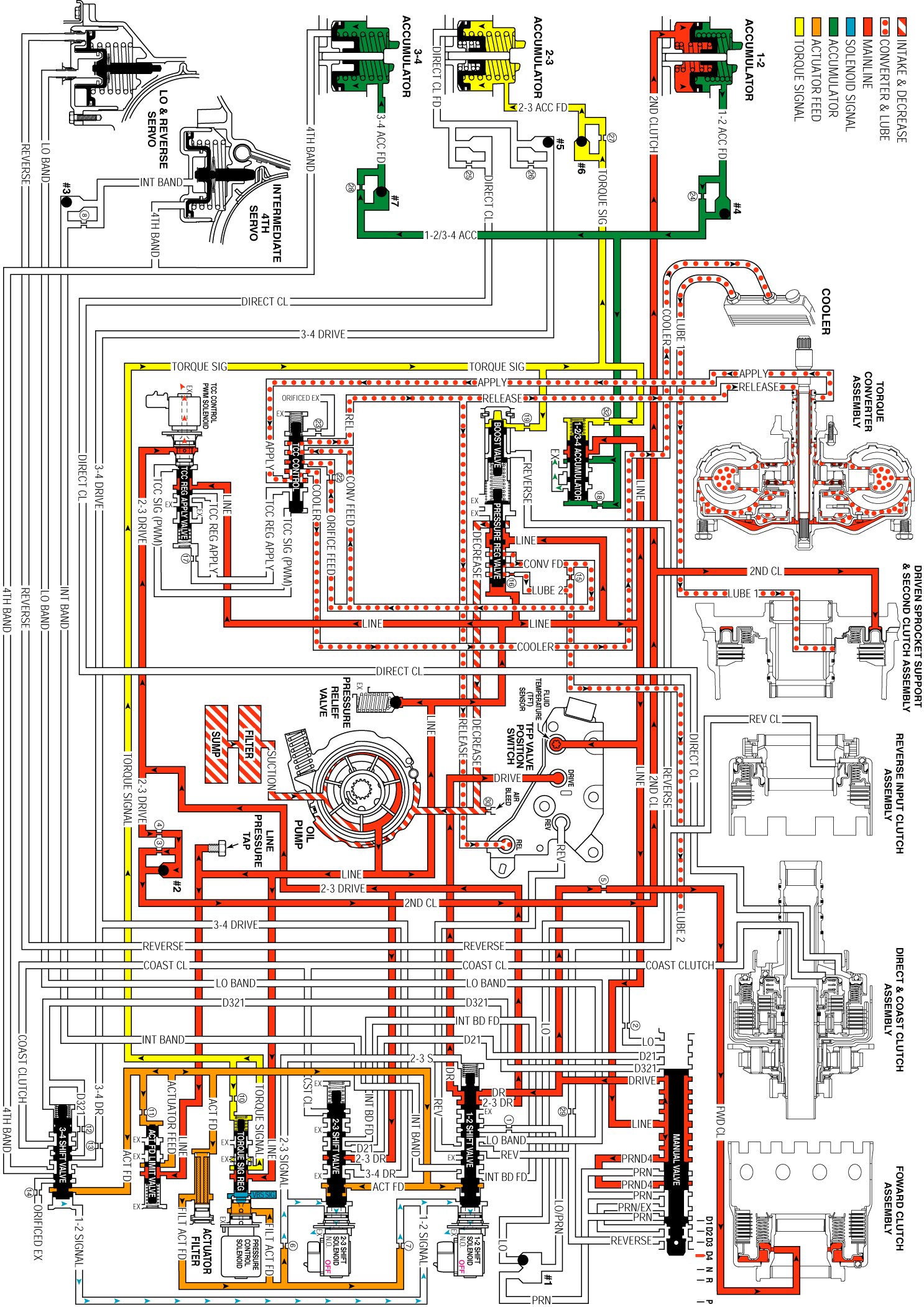
Overdrive Range, First Gear - Without Electronic Range Select Mode:



Overdrive Range, First Gear - With Electronic Range Select Mode:



Overdrive Range, Second Gear - Without Electronic Range Select Mode:



Overdrive Range, Second Gear - With Electronic Range Select Mode:



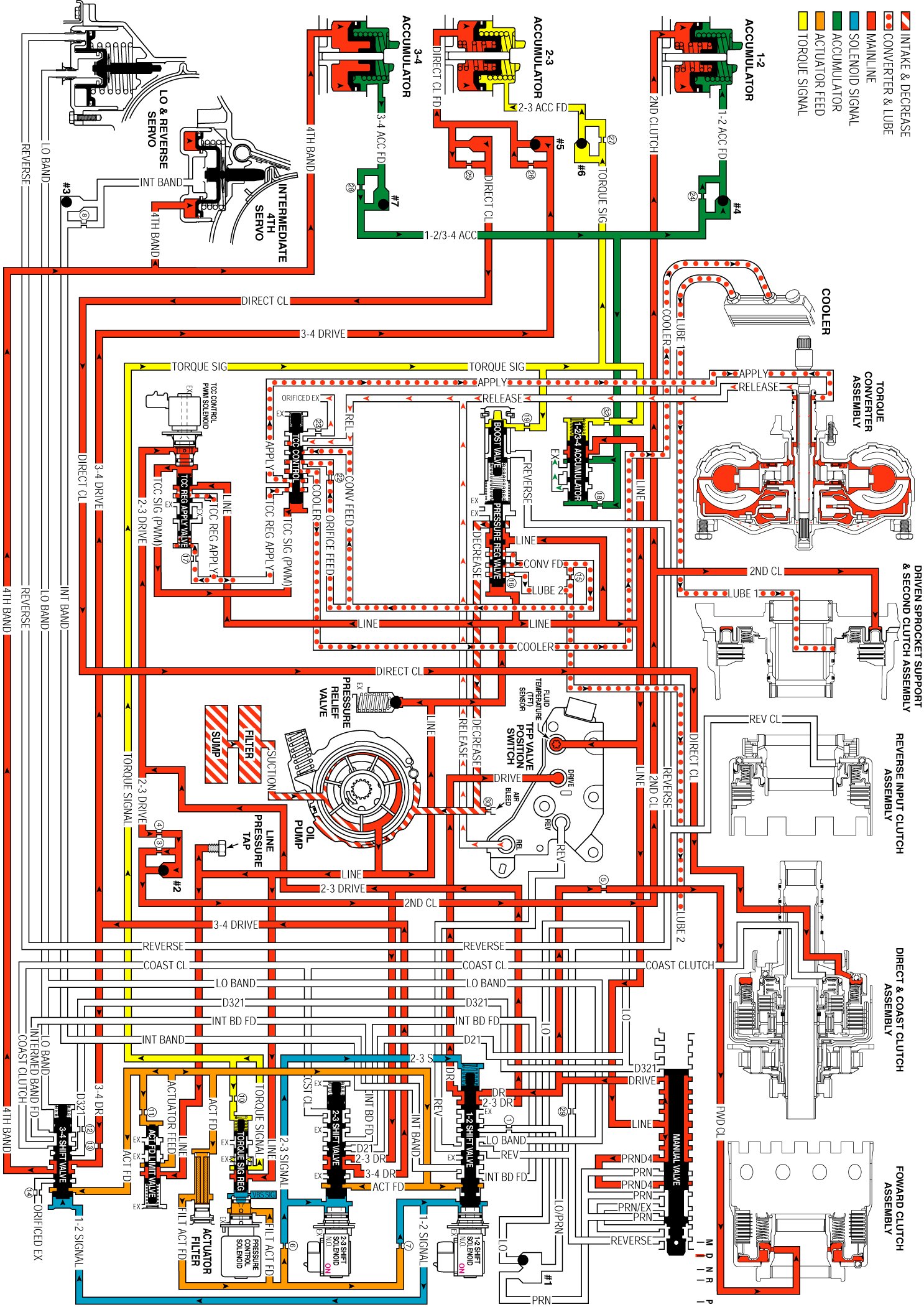
Overdrive Range, Third Gear - TCC Not Applied - Without Electronic Range Select Mode:



Overdrive Range, Third Gear - TCC Not Applied - With Electronic Range Select Mode:



Overdrive Range, Fourth Gear - TCC Applied - Without Electronic Range Select Mode:



Overdrive Range, Fourth Gear - TCC Applied - With Electronic Range Select Mode:



Overdrive Range, 4-3 Downshift - TCC Not Applied - Without Electronic Range Select Mode:



Drive Range, Manual 3rd (from Overdrive Range) - Without Electronic Range Select Mode:



Manual Range 3rd - With Electronic Range Select Mode:



Drive Range, Manual 2nd (from Drive, Manual 3rd) - Without Electronic Range Select Mode:



Manual Range 2nd - With Electronic Range Select Mode:



Drive Range, Manual 1st (from Drive, Manual 2nd) - Without Electronic Range Select Mode:



Manual Range 1st - With Electronic Range Select Mode: