Curiosii for ever!
: Car repair manuals for everyone.
Home
>>
Chevy Truck
>>
2008
>>
HHR L4-2.2L
>>
Repair and Diagnosis
>>
Diagrams
>>
Electrical Diagrams
>>
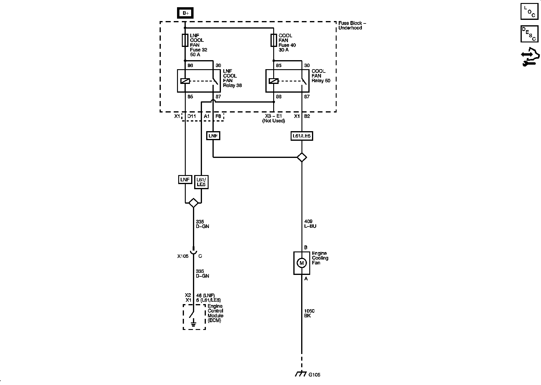
Cooling System
Cooling System
Engine Cooling Schematics
Cooling Fan and Indicators