Curiosii for ever!
: Car repair manuals for everyone.
Home
>>
Chevy Truck
>>
2008
>>
HHR L4-2.0L Turbo
>>
Repair and Diagnosis
>>
Powertrain Management
>>
Computers and Control Systems
>>
Information Bus
>>
Diagrams
>>
Electrical Diagrams
Electrical Diagrams
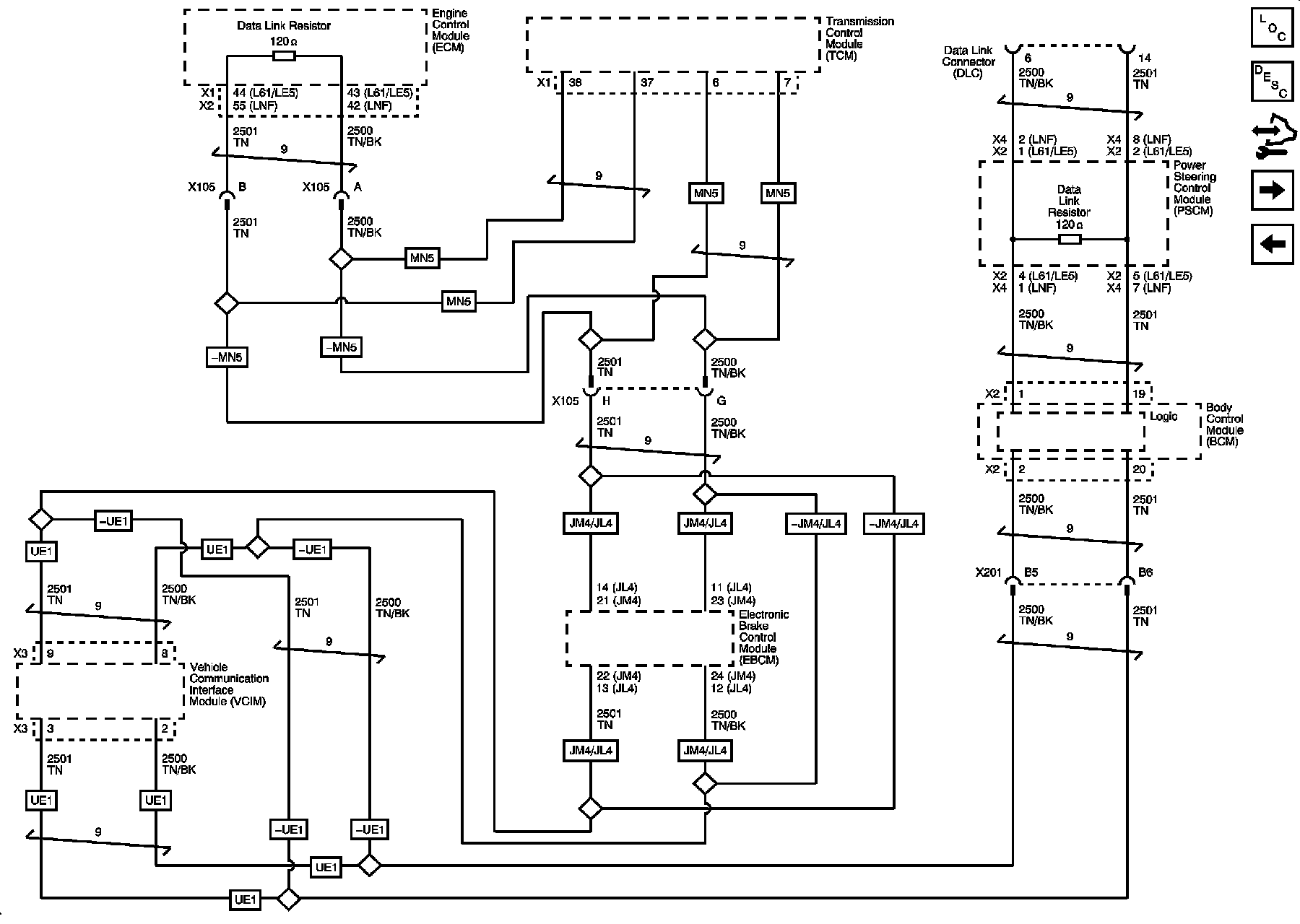
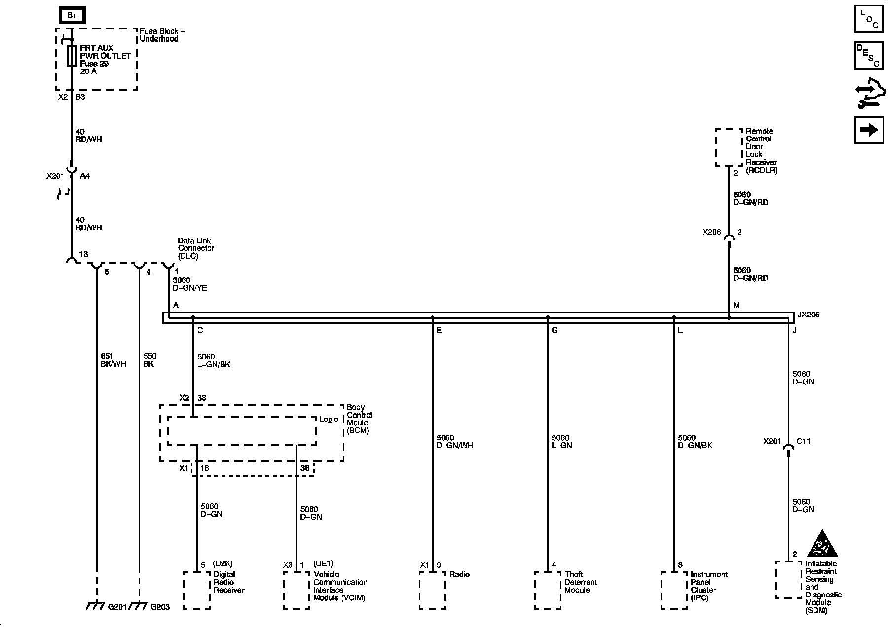
Data Communication Schematics
DLC
Power, Ground, and Low Speed GMLAN
High Speed GMLAN