Curiosii for ever!: Car repair manuals for everyone.

Ignition Cable: Service and Repair



Spark Plug Wire Replacement

Removal Procedure

1. Remove the engine cover.




2. Disconnect the spark plug wire at each spark plug.

* Twist each spark plug wire 1/2 turn.
* Pull only on the boot in order to remove the wire from each spark plug.

3. Disconnect the spark plug wire from the ignition coil.

* Twist each spark plug boot 1/2 turn.
* Pull only on the boot in order to remove the wires from the ignition coil.

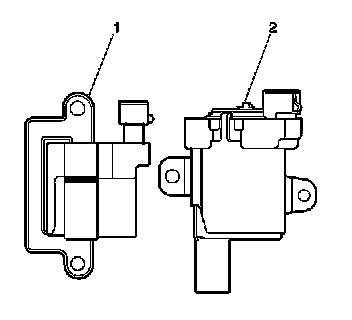
Spark Plug Wire Length V8




* The Melco(R) (square design) uses a spark plug wire (1) that is 145 mm (5.70 in) length cable seal to cable seal.
* The Delphi(R) (round design) uses a spark plug wire (2) that is 110 mm (4.30 in) length cable seal to cable seal.




* There are 2 different manufacturers for the ignition coils. the Melco(R) (1) (square design), and the Delphi(R) (2) (round design). These 2 coils use 2 different spark plug wire, and mounting brackets.




* Melco(R) (square design) coil mounting bracket (1).
* Delphi(R) (round design) coil mounting bracket (2).

Installation Procedure




1. Install the spark plug wires at the ignition coil.
2. Install the spark plug wire to each spark plug.
3. Inspect the wires for proper installation:

* Push sideways on each boot in order to inspect the seating.
* Reinstall any loose boot.

4. Install the engine cover.