Curiosii for ever!: Car repair manuals for everyone.

Crankshaft Position Sensor: Service and Repair



Crankshaft Position Sensor Replacement

Removal Procedure

Caution: Unless directed otherwise, the ignition and start switch must be in the OFF or LOCK position, and all electrical loads must be OFF before servicing any electrical component. Disconnect the negative battery cable to prevent an electrical spark should a tool or equipment come in contact with an exposed electrical terminal. Failure to follow these precautions may result in personal injury and/or damage to the vehicle or its components.

Important: Perform the Crankshaft Position System Variation Learn when the CKP sensor is removed or replaced. Service and Repair




1. Disconnect the negative battery cable.
2. Raise the vehicle. Refer to Vehicle Lifting.
3. Remove the starter.




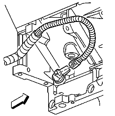
4. Disconnect the crankshaft position (CKP) sensor electrical connector.




5. Clean the area around the CKP sensor before removal in order to avoid debris from entering the engine.
6. Remove the CKP sensor retaining fastener.
7. Remove the CKP sensor.

Installation Procedure

1. Install the CKP sensor.






Notice: Refer to Fastener Notice.

2. Install the CKP sensor retaining fastener.

Tighten the fastener to 25 N.m (18 lb ft).




3. Connect the CKP sensor electrical connector.




4. Install the starter.
5. Lower the vehicle.
6. Connect the negative battery cable.
7. Perform the CKP system variation learn procedure. Refer to Crankshaft Position System Variation Learn. Service and Repair