Curiosii for ever!: Car repair manuals for everyone.

Knock Sensor 2 Replacement



Knock Sensor 2 Replacement

Removal Procedure




1. Raise and suitably support the vehicle. Refer to Vehicle Lifting.
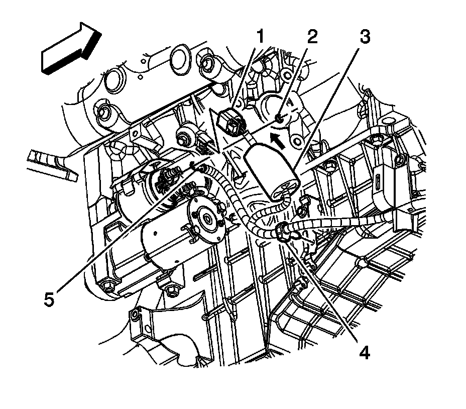
2. Reposition the knock sensor sleeve (2) down, away from the knock sensor.
3. Disconnect the engine wiring harness electrical connector from the knock sensor (1).




4. Remove the knock sensor bolt and sensor.

Installation Procedure






Notice: Refer to Fastener Notice.

1. Position the knock sensor to the engine block and install the bolt.

Tighten the bolt to 25 N.m (18 lb ft).




2. Connect the engine wiring harness electrical connector to the knock sensor (1).
3. Position the knock sensor sleeve (2) up and over the knock sensor.
4. Lower the vehicle.