Curiosii for ever!: Car repair manuals for everyone.

Camshaft Position Sensor: Service and Repair



Camshaft Position Sensor Replacement

Removal Procedure




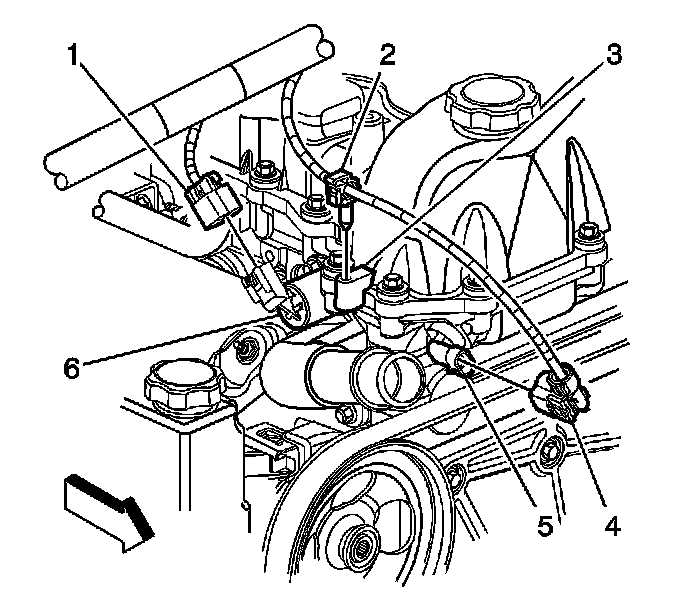
1. Disconnect the engine wiring harness electrical connector (4) from the camshaft position (CMP) sensor (5).




2. Remove the CMP sensor retaining bolt.
3. Remove the CMP sensor from the cylinder head.
Discard the O-ring seal.

Installation Procedure

1. Install a new O-ring seal to the CMP sensor.
2. Lightly lubricate the O-ring seal with clean engine oil.




3. Install the CMP sensor into the cylinder head.

Notice: Refer to Fastener Notice (Fastener Notice) .

4. Install the CMP sensor bolt.

Tighten the camshaft position (CMP) sensor bolt to 10 N.m (89 lb in).




5. Connect the engine wiring harness electrical connector (4) to the CMP sensor (5).