Curiosii for ever!
: Car repair manuals for everyone.
Home
>>
Chevy Truck
>>
2007
>>
W 3500 Tiltmaster L4-5.2L DSL Turbo
>>
Repair and Diagnosis
>>
Specifications
>>
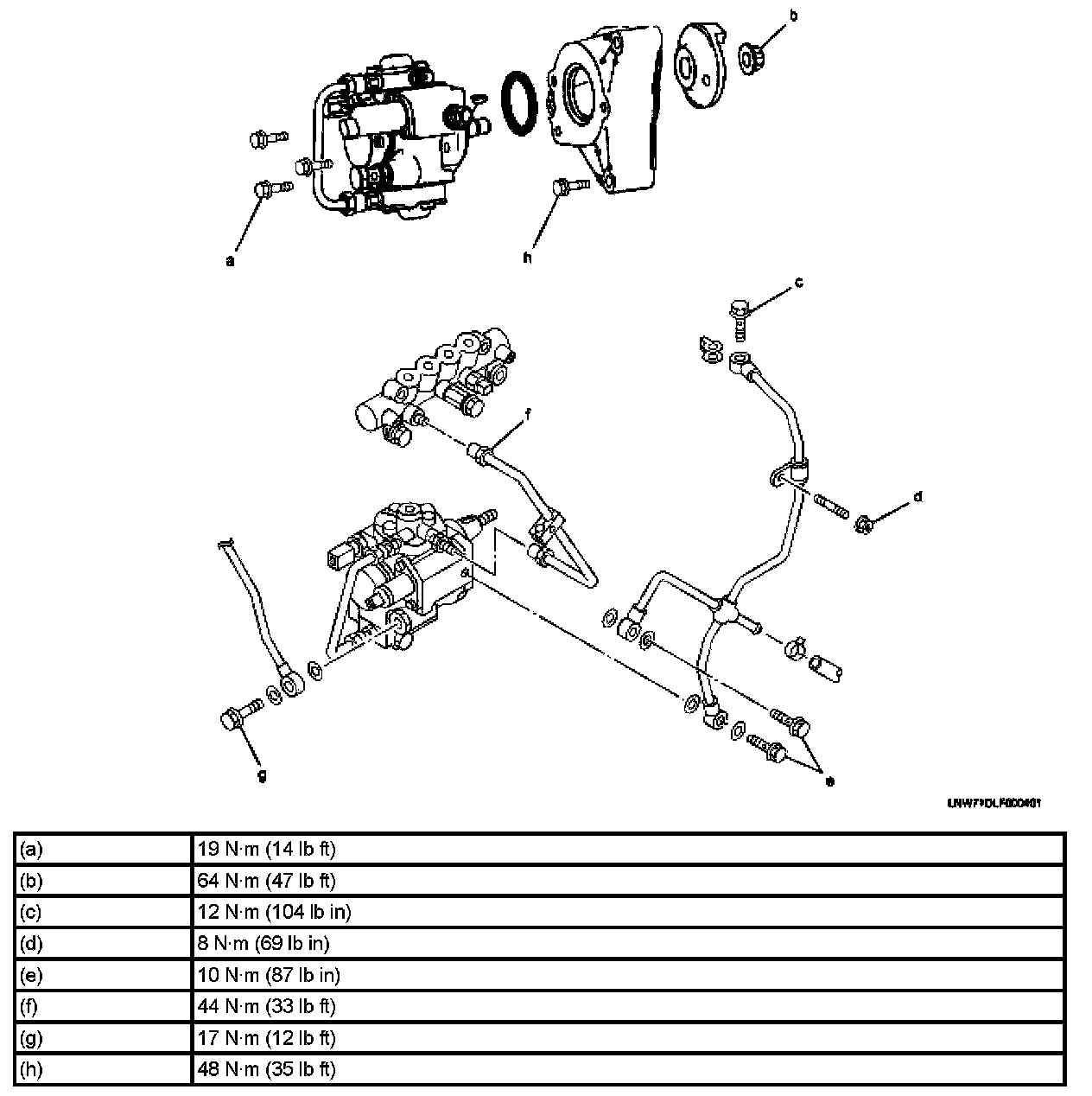
Fuel Pump
Fuel Pump
Fuel Supply Pump
Torque Specifications