Curiosii for ever!: Car repair manuals for everyone.

Diesel Particle Filter (DPF): Description and Operation

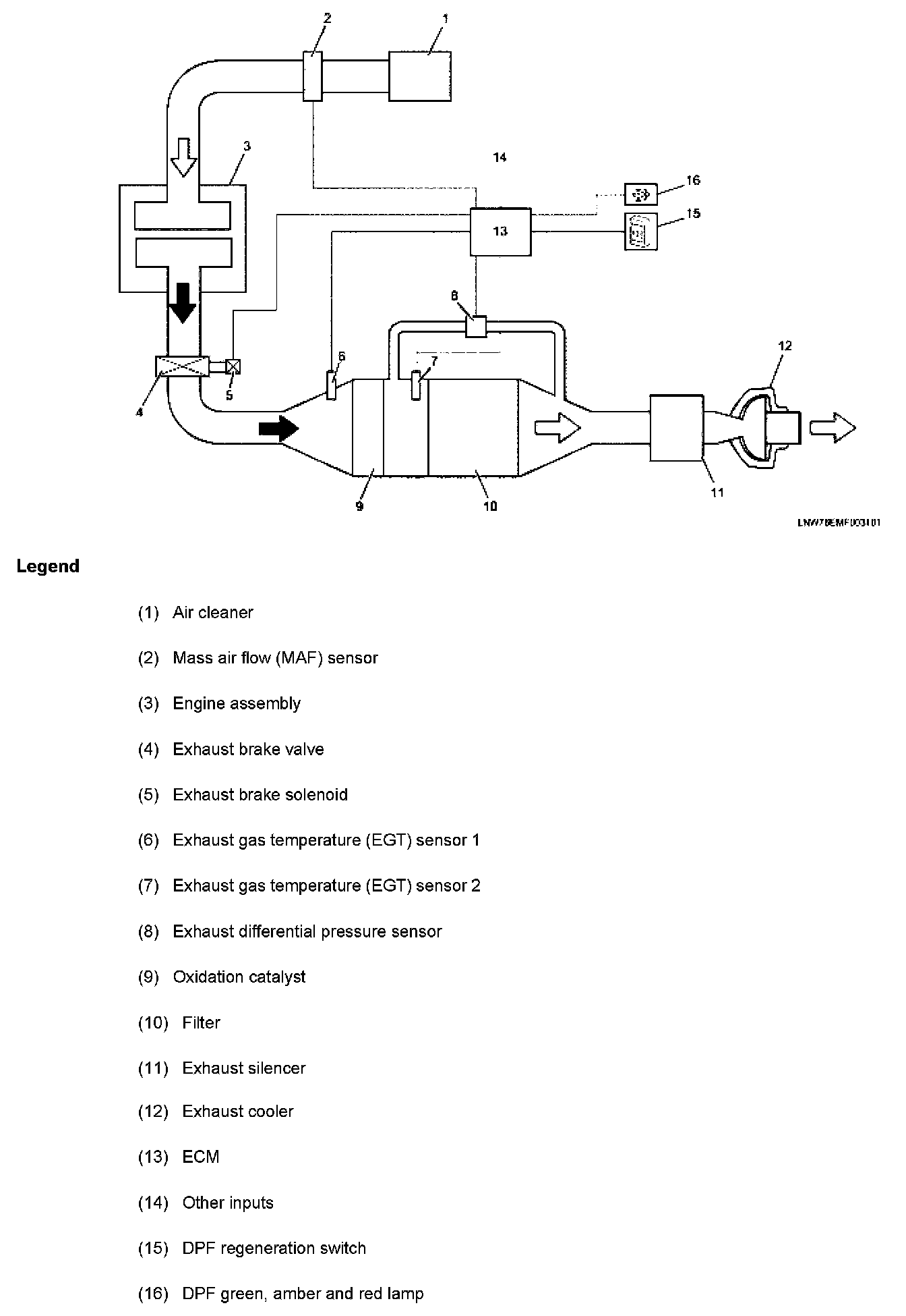
Diesel Particulate Filter (DPF) System Description

Description and Operation












The DPF is a system that uses an oxidation catalyst to clean the CO and HC, and a filter to collect PM discharged from the engine. When PM accumulated in the filter, regeneration is performed. The ECM detects the condition of PM accumulations from the exhaust differential pressure sensor or from mileage. When it is reached to a certain amount of PM accumulations or a certain length of mileage, the automatic regeneration starts. If the automatic regeneration cannot be completed by some reason, the emergency regeneration is requested to the driver by illuminating the DPF lamp on the instrument panel cluster. During regeneration, the temperature inside the filter is raised, and the accumulated PM is burned off. In order to adjust to optimized temperature, the ECM detects exhaust temperature using the exhaust temperature sensors, and then raises the temperature by controlling fuel injections and exhaust brake valve to burn off the accumulated PM. Once the regeneration starts, it must be finished within a certain time. After regeneration is finished, a purification of the filter is judged by monitoring the exhaust differential pressure.

Exhaust Differential Pressure Sensor







The exhaust differential pressure sensor is attached to the chassis frame near the DPF assembly. The exhaust differential pressure sensor is a transducer that varies voltage according to changes of the exhaust gas differential pressure between in front and in rear of filter. The exhaust differential pressure sensor provides a signal to the ECM on the signal circuit, which is relative to the differential pressure changes in front and in rear of filter. The ECM should detect a low signal voltage at a low differential pressure, such as small PM accumulation. The ECM should detect high signal voltage at high differential pressure, such as large PM accumulation.

Exhaust Gas Temperature (EGT) Sensor







The EGT sensor 1 and 2 are installed to the DPF housing. Both EGT sensors are a variable resistor. The sensor 1 measures the temperature of the exhaust gas in front of oxidation catalyst and the sensor 2 measures the temperature of the exhaust gas in front of filter. When the exhaust temperature sensor is cold, the sensor resistance is high. When the exhaust temperature increases, the sensor resistance decreases. With high sensor resistance, the ECM detects a high voltage on the signal circuit. With lower sensor resistance, the ECM detects a lower voltage on the signal circuit.

Exhaust Brake Valve












The exhaust brake valve is installed in front of the DPF housing and it composes a part of the exhaust system. The ECM controls the exhaust brake solenoid valve based on the DPF regeneration status or exhaust brake command signal. The exhaust brake solenoid energizes to apply vacuum pressure to the diaphragm chamber to operate exhaust brake valve.