Curiosii for ever!: Car repair manuals for everyone.

Part 1



Engine Replacement

Tools Required

* J 38185 (SA9111E) Hose Clamp Pliers
* J 24319-B Steering Linkage and Tie Rod Puller
* J 41820 Ball Joint Separator
* J 2619-O1 Slide Hammer
* J 29794 Axle Shaft Remover Extension
* J 33008-A Axle Shaft Puller
* J 42640 Steering Column Anti-Rotation Pin
* J 39580 Engine Support Table
* J 37096 Flywheel Holder
* J 45059 Angle Meter

Removal Procedure





Notice: The front wheels of the vehicle must be maintained in the straight ahead position and the steering column must be in the LOCK position before disconnecting the steering column or intermediate shaft. Failure to follow these procedures will cause improper alignment of some components during installation and result in damage to the SIR coil assembly.

1. Lock the steering column by installing the J 42640 into the underside of the steering column.




2. Open the hood.
3. Remove the engine oil fill cap.
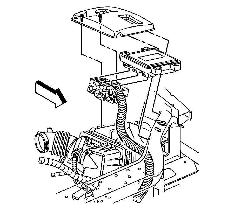
4. Pull up on the intake manifold cover in order to disengage the cover from the studs.
5. Disconnect the negative battery cable.
6. Disconnect the positive battery cable.
7. Disconnect the battery current sensor.
8. Disconnect the auxiliary ground cable on the inner fender.
9. Disconnect the positive battery feed at the junction box.
10. Remove the lower radiator air baffle.
11. Drain the cooling system.
12. Lower the vehicle.




13. Reposition the coolant recovery reservoir hose clamp (1) at the coolant crossover.
14. Remove the coolant recovery reservoir hose (2) from the crossover.
15. Remove the coolant reservoir.
16. Remove the left side diagonal brace.




17. Unsnap and remove the junction block cover.




18. Loosen the air cleaner cover bolts.
19. Remove the air cleaner cover.
20. Remove the engine control module (ECM) from the air cleaner cover.




21. Disconnect the engine harness electrical connector (1) from the transaxle control module (TCM).
22. Disconnect the engine harness electrical connector (3) from the instrument panel (I/P) harness electrical connector (2).
23. Disconnect the engine harness electrical connector (5) from the I/P harness electrical connector (4).
24. Disconnect the engine harness electrical connector (6) from the ABS module.




25. Remove the engine harness clip (1) from the air conditioning (A/C) line.




26. Remove the engine harness clip (1) from the A/C line.
27. Remove the underhood junction.




28. Unsnap and remove the engine harness connector from the junction block retainer.




29. Disconnect the engine harness electrical connector from the mass air flow (MAF)/intake air temperature (IAT) sensor.
30. Disconnect the positive crankcase ventilation (PCV) fresh air tube quick connect fitting from the air cleaner outlet duct.
31. Loosen the air cleaner outlet duct clamps at the throttle body and the MAF/IAT sensor.
32. Remove the air cleaner outlet duct from the throttle body and MAF/IAT sensor.
33. Gather the outer branches of the engine harness and lay them on top of the engine.




34. Using the J 38185, release the tension on the radiator inlet hose clamp and reposition the clamp.
35. Remove the radiator inlet hose from the coolant crossover.




36. Using the J 38185, release the tension on the radiator outlet hose clamp and reposition the clamp.
37. Remove the radiator outlet hose from the thermostat housing.




38. Disconnect the heater inlet (2) and outlet (1) hose quick connect fittings from the inlet and outlet pipes.




39. Remove the brake booster vacuum hose from the upper intake manifold fitting.




40. Disconnect the fuel feed (1) and evaporative emission (EVAP) (2) line quick connect fittings.
41. Remove the engine mount struts.
42. Drain the engine oil.
43. Remove the front wheels and tires.




44. Disconnect the engine harness electrical connectors (1) from the left and right wheel speed sensors. (right side shown, left side similar).
45. Remove the drive belt.




46. Disconnect the engine harness electrical connectors from the A/C compressor.

Important: It is not necessary to evacuate the A/C system prior to repositioning the A/C compressor.

47. Remove the A/C compressor front bolt and nut.




48. Remove the A/C compressor rear bolt. Reposition and support the A/C compressor out of the way.
49. Remove the catalytic converter.
50. Remove the engine splash shield.
51. Disconnect the battery cable retainers at the core support.




52. Remove the engine harness clips (1, 2) from the heat shield.




53. Remove the stabilizer shaft link lower nuts (3). (left side shown, right side similar).
54. Remove the stabilizer shaft links (2) from the stabilizer shaft.




55. Remove the tie rod end nuts (1) at the steering knuckles.





Notice: Do not attempt to free the ball stud by using a pickle fork or wedge type tool, because seal or bushing damage could result. Use the proper tool to separate all ball joints.

56. Using the J 24319-B, separate the outer tie rod ends from the steering knuckle.




57. Remove the lower ball joint cotter pins (2) from the ball joints.
58. Loosen the lower ball joint castle nuts (1).





Notice: Use only the recommended tools for separating the ball joint from the knuckle. Do NOT hammer or pry the ball joint from the knuckle. Failure to use the recommended tools may cause damage to the ball joint and seal.

59. Install the J 41820 over the ball joint and lower control arm as shown.
60. Rotate the castle nut counterclockwise in order to separate the ball joint from the steering knuckle.




61. Assemble the J 33008-A, J 29794, and the J 2619-O1.
62. Using the J 33008-A, J 29794, and the J 2619-O1 disengage the wheel drive shafts from the transaxle. (left side shown, right side similar).
63. Secure the wheel drive shafts to the steering knuckle/struts.





Caution: Failure to disconnect the intermediate shaft from the rack and pinion steering gear stub shaft can result in damage to the steering gear and/or intermediate shaft. This damage may cause loss of steering control which could result in an accident and possible personal injury

64. Reposition the intermediate steering shaft seal in order to provide access to the intermediate steering shaft pinch bolt.
65. Remove the intermediate steering shaft pinch bolt.
66. Disconnect the intermediate steering shaft from the power steering gear.




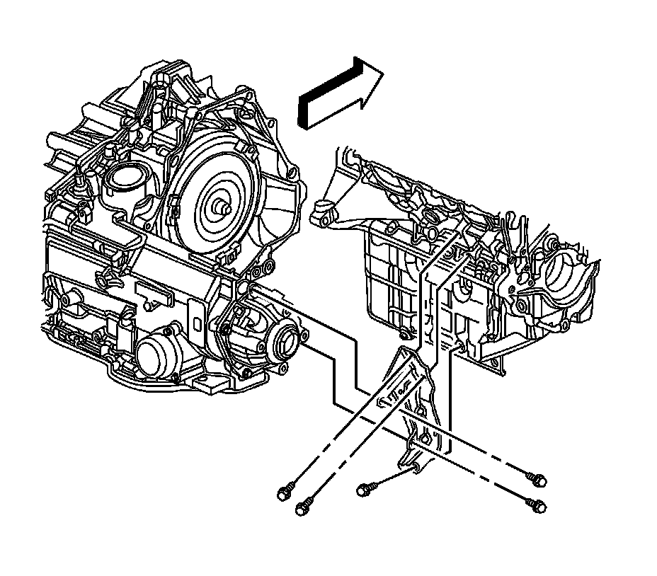
67. Place the J 39580 under the frame.
68. Lower the vehicle until the frame contacts the J 39580.




69. Remove the front and rear frame bolts (1, 2).




70. Remove the frame rear strap bolts (2, 3).
71. Remove the frame rear straps (1, 4).
72. Raise the vehicle in order to separate the powertrain/frame assembly from the vehicle.




73. If necessary perform the following steps, remove the engine harness ground wire nut (1).
74. Remove the engine harness positive battery cable (2) from the stud.
75. Disconnect the engine harness electrical connector (3) from the starter.




76. Remove the engine harness ground nuts (1, 2) from the transaxle studs.
77. Remove the engine harness grounds from the studs.
78. Remove the negative battery cable from the transaxle stud.




79. Remove the engine to transaxle brace.




80. Remove the starter motor bolts and starter.




81. Remove the torque converter cover bolts (1, 3).
82. Remove the torque converter covers (2, 4).




83. Use the J 37096 in order to hold the flywheel, and also rotate the flywheel to access the torque converter bolts.




84. Remove the torque converter bolts.




85. Remove the engine mount to frame nuts.




86. Remove the engine harness clips (1) from the transaxle brace.




87. Remove the engine harness clips (1) from the transaxle brace.




88. Remove the transaxle brace bolts and brace.




89. Remove the exhaust crossover pipe shield bolts (1) and shield (2).




90. Remove the exhaust crossover pipe nuts (1) and pipe (2).




91. Disconnect the engine harness electrical connector (1) from the EVAP purge solenoid.
92. Disconnect the engine harness electrical connector (2) from the throttle actuator.




93. Disconnect the engine harness electrical connector (1) from the manifold absolute pressure (MAP) sensor.
94. Disconnect the engine harness electrical connector (2) from the ignition coil.




95. Remove the engine harness clip (1) from the ignition coil bracket.




96. Remove the engine harness clip (1) from he ignition coil bracket.




97. Remove the engine harness clip from the engine.




98. Remove the engine harness bolt.
99. Disconnect the engine harness electrical connector from the camshaft actuator magnet.




100. Remove the engine harness bracket nut (1).
101. Remove the engine harness bracket (2) from the stud.




102. Remove the engine harness clip (1) from the bracket.




103. Disconnect the engine harness electrical connector (1) from the intake manifold tuning valve.
104. Remove the connector position assurance (CPA) retainer (2).
105. Disconnect the engine harness electrical connector (3) from the fuel injector harness electrical connector.




106. Remove the generator terminal nut (1).
107. Remove the engine harness lead (2) from the generator.
108. Disconnect the engine harness electrical connector (3) from the generator.
109. Disconnect the engine harness electrical connector (4) from the heated oxygen sensor (HO2S).




110. Remove the engine harness clip (1) from the strut bracket.




111. Disconnect the engine harness electrical connector (1) from the crankshaft position (CKP) sensor.




112. Disconnect the engine harness electrical connector (1) from the knock sensor.
113. Disconnect the engine harness electrical connector (2) from the oil pressure sensor.




114. Disconnect the engine harness electrical connector from the transaxle.




115. Disconnect the engine harness electrical connector from the vehicle speed sensor (VSS).




116. Remove the engine harness clip (1) from the stud on the transaxle.




117. Remove the engine harness clamp bolt from the transaxle.




118. Remove the engine harness clips (1) from the transaxle studs.




119. Disconnect the engine harness electrical connector from the oil level sensor.




120. Remove the engine harness clip from the oil pan.
121. Gather all branches of the engine harness together and remove the engine harness from the engine.
122. Disconnect the power steering line retainer from the generator bracket.
123. Remove the power steering pressure pipe and return line from the power steering pump and position out of the way.




124. Install an engine hoist to the engine.
125. Remove the transaxle bolts and studs.
126. Support the transaxle.
127. Separate and remove the engine from the transaxle and the frame.




128. Use the J 37096 in order to hold the flywheel.




129. Loosen the flywheel bolts.
130. Remove 5 of the 6 flywheel bolts leaving one bolt at the top of the crankshaft.
131. Grip the flywheel and remove the remaining bolt. Do not drop the flywheel when removing the final bolt.
132. Remove the engine flywheel.
133. Install the engine to the engine stand.
134. Remove the engine hoist from the engine.