Curiosii for ever!: Car repair manuals for everyone.

Upper Intake Manifold Replacement



Upper Intake Manifold Replacement

Removal Procedure




1. Disconnect the negative battery cable.
2. Remove the intake manifold cover.
3. Drain the cooling system.
4. Remove the positive crankcase ventilation (PCV) fresh air tube.




5. Remove the PCV foul air tube.
6. Reposition the brake booster vacuum hose clamp at the intake manifold.
7. Remove the vacuum hose from the intake manifold.




8. Disconnect the engine harness electrical connector (1) from the manifold absolute pressure (MAP) sensor.




9. Disconnect the engine harness electrical connectors (1, 2) from the following: electrical connector (1).
^ The evaporative emission (EVAP) canister purge solenoid
^ The electronic throttle control (ETC)




10. Disconnect the engine harness electrical connector (1) from the intake manifold tuning valve.




11. Remove the air cleaner outlet duct.
12. Disconnect the left side spark plug wires from the spark plugs.
13. Disconnect the left side spark plug wires from the ignition control module.
14. Disengage the spark plug wire retainer clips from the intake manifold bracket and the heater inlet/outlet pipe.
15. Remove the left side spark plug wires.




16. Remove the heater inlet and outlet pipe nuts (1) from the throttle body studs.
17. Remove the inlet and outlet pipe from the studs.




18. Remove the nut from the generator bracket to the intake manifold.
19. Remove the bolt connecting the generator to the bracket and the generator to the intake manifold.
20. Remove the bracket.
21. Remove the bolt holding the transmission dipstick tube to the upper intake manifold.
22. Remove the ignition coils.
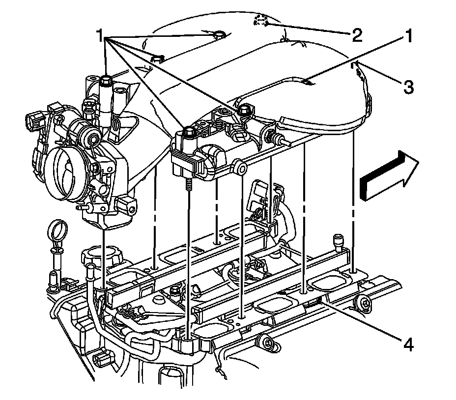
23. Remove the upper intake manifold bolts (1, 2) and stud (3).
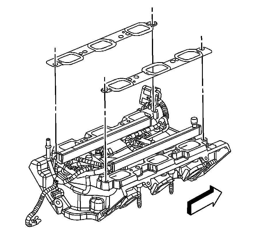
24. Separate and remove the upper intake manifold from the lower intake manifold.




25. Remove the upper to lower intake manifold gaskets.




26. Remove the inlet manifold tuning valve bolts and valve.




27. Remove the EVAP canister purge solenoid valve bolt (2) and valve (3).
28. Remove the MAP sensor bracket bolts, bracket and sensor (1).
29. Remove the throttle body bolts/studs and throttle body.
30. Clean the upper intake to lower intake gasket mating surfaces.




31. Inspect the intake manifold tuning valve seal for damage. The tuning valve blade attachment to the motor should be tight, with no looseness or slack present. Replace as necessary.
32. Apply lubricant to the nose of the valve blade (1).

Installation Procedure





Notice: Refer to Fastener Notice.

1. Install the inlet manifold tuning valve, and bolts.

Tighten the bolts to 10 N.m (89 lb in).




2. Inspect the EVAP canister purge solenoid valve seal for damage, replace as necessary.
3. Install the EVAP canister purge solenoid valve (3) and bolt (2).

Tighten the bolts to 16 N.m (12 lb ft).

4. Inspect the MAP sensor seal for damage, replace as necessary.
5. Install the MAP sensor (1), bracket, and bolts.
6. Inspect the throttle body seal for damage. Replace as necessary.
7. Apply threadlocker to the throttle body bolts/studs threads.
8. Install the throttle body and bolts/studs.

Tighten the bolts/studs to 10 N.m (89 lb in).




9. Install the NEW upper to lower intake manifold gaskets.




10. Set the upper intake manifold onto the lower intake manifold.
11. Apply threadlocker to the upper intake manifold bolts/stud threads.
12. Install the upper intake manifold bolts (1, 2) and stud (3).

Tighten the bolts and stud to 25 N.m (18 lb ft).




13. Install the ignition coil.
14. Reposition the transmission tube and install the bolt at the intake manifold.
15. Install the bracket from the generator to the intake manifold.
16. Install the bolt connecting the generator, bracket and the intake manifold.
17. Install the nut connecting the generator bracket to the upper intake manifold.
18. Install the inlet and outlet pipe to the studs.
19. Install the heater inlet and outlet pipe nuts (1) to the throttle body studs.

Tighten the nuts to 10 N.m (89 lb in).




20. Install the left side spark plug wires.
21. Connect the left side spark plug wires to the spark plugs.
22. Connect the left side spark plug wires to the ignition control module.
23. Engage the spark plug wire retainer clips to the intake manifold bracket and the heater inlet/outlet pipe.
24. Install the air cleaner outlet duct.




25. Connect the engine harness electrical connector (1) to the intake manifold tuning valve.




26. Connect the engine harness electrical connectors (1, 2) to the following:
^ The EVAP canister purge solenoid
^ The ETC




27. Connect the MAP sensor electrical connector (1).
28. Install the brake booster vacuum hose to the intake manifold.
29. Position the vacuum hose clamp at the intake manifold.




30. Install the PCV foul air tube.




31. Install the PCV fresh air tube.
32. Fill the cooling system.
33. Install the intake manifold cover.
34. Connect the negative battery cable.