Curiosii for ever!: Car repair manuals for everyone.

Starter Motor: Service and Repair



Starter Motor Replacement (4.2L Engine)

Removal Procedure

1. Disconnect the battery negative cable.
2. Remove the vacuum brake booster hose.




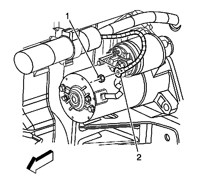
3. Remove the battery positive lead from the solenoid (1).




4. Remove the starter solenoid S-terminal lead nut (1) from the solenoid.
5. Remove the starter solenoid S-terminal lead (2) from the solenoid.




6. Remove the starter mount bolt and nut (1, 2).
7. Remove the starter motor.

Installation Procedure




1. Install the starter motor.

Notice: Refer to Fastener Notice.

2. Install the starter motor mount bolt (2) and nut (1).

Tighten the starter mount bolt and nut to 50 N.m (37 lb ft).




3. Connect the positive battery cable to the starter solenoid and secure the cable with a nut (1).

Tighten the positive cable nut to 9 N.m (80 lb in).




4. Install the starter solenoid S-terminal lead (2) to the solenoid and secure the lead with a nut (1).

Tighten the S-terminal nut to 2.3 N.m (20 lb in).

5. Install the vacuum brake booster hose.
6. Connect the battery negative cable.