Curiosii for ever!
: Car repair manuals for everyone.
Home
>>
Chevy Truck
>>
2007
>>
TrailBlazer 2WD L6-4.2L
>>
Repair and Diagnosis
>>
Power and Ground Distribution
>>
Locations
>>
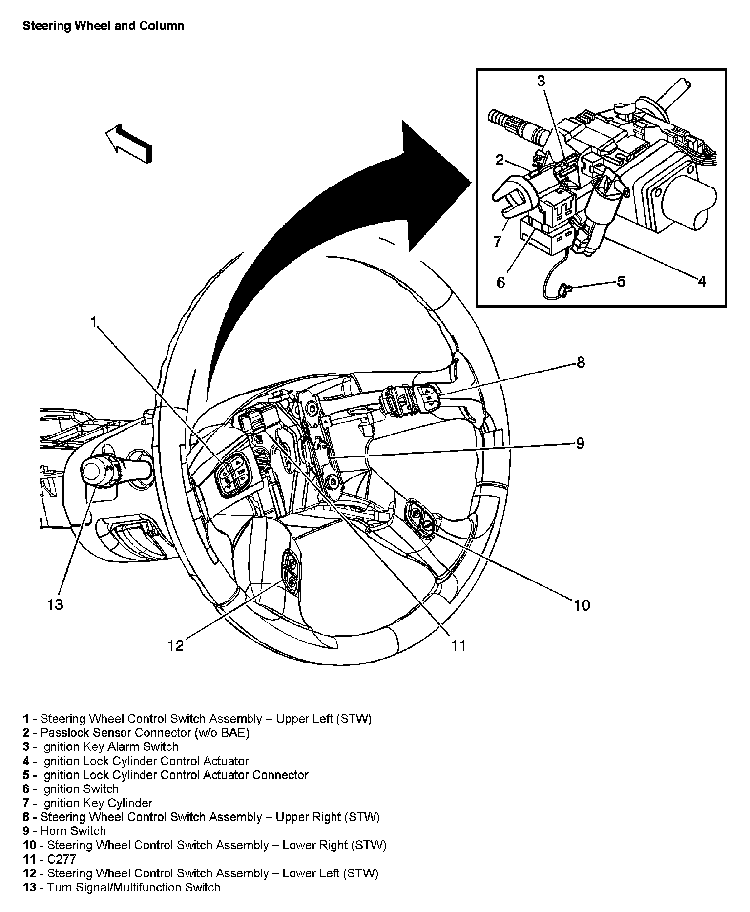
Steering Wheel and Column Views
Steering Wheel and Column Views
Steering Wheel And Column: