Curiosii for ever!
: Car repair manuals for everyone.
Home
>>
Chevy Truck
>>
2007
>>
TrailBlazer 2WD L6-4.2L
>>
Repair and Diagnosis
>>
Locations
>>
Harness Locations
>>
Instrument Panel Views
Instrument Panel Views
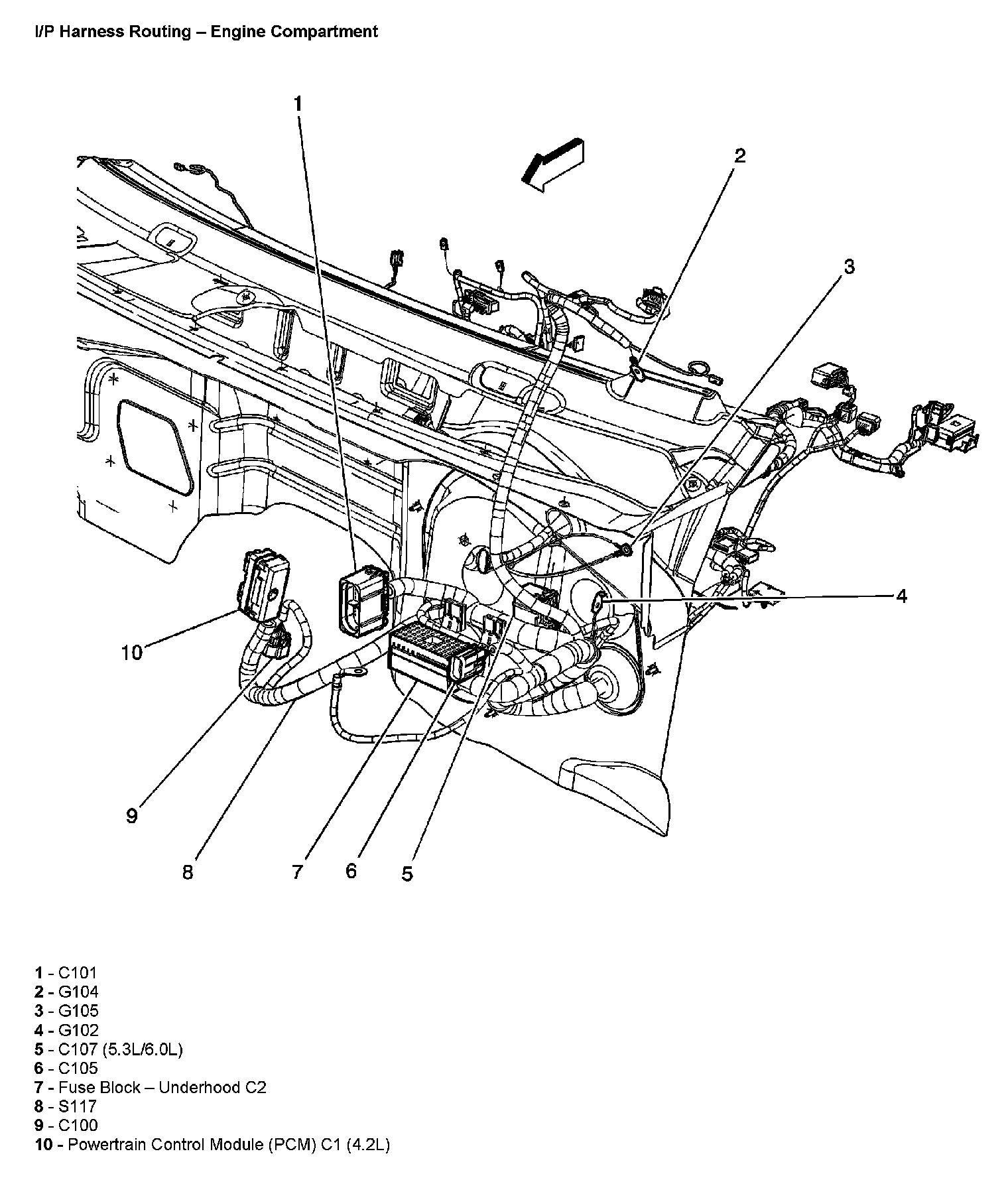
I/P Harness Routing - Engine Compartment:
I/P Harness Routing - Rear Of The I/P:
I/P Harness Routing - Front Of The I/P: