Curiosii for ever!: Car repair manuals for everyone.

Knock Sensor 1 Replacement



Knock Sensor 1 Replacement

Removal Procedure





1. Lift and support vehicle. Vehicle Lifting
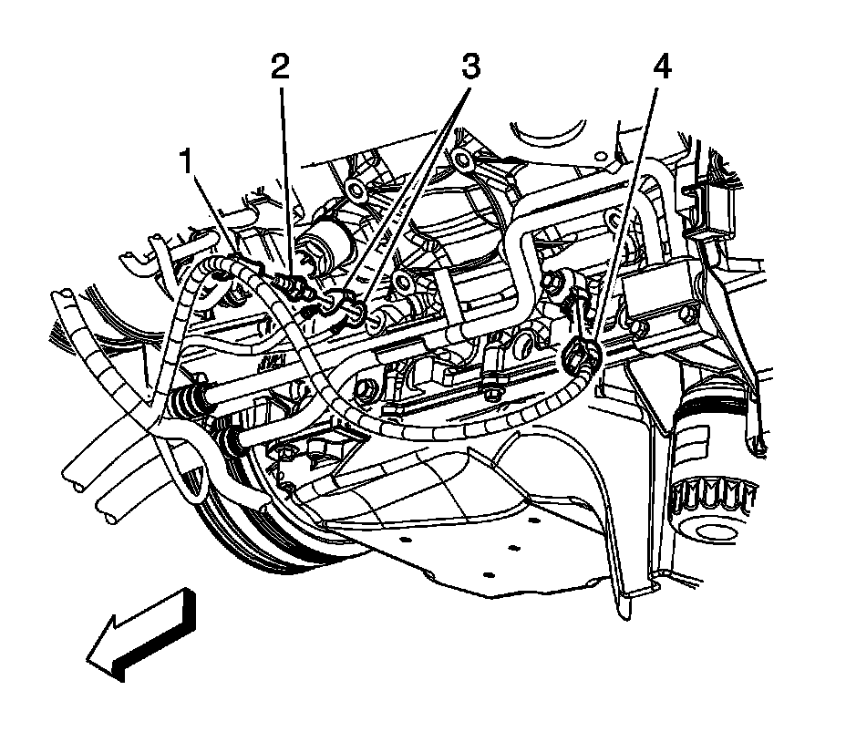
2. Disconnect the engine wiring harness electrical connector (4) from knock sensor.





3. Remove the knock sensor bolt (739) and knock sensor (718).

Installation Procedure






Notice: Refer to Fastener Notice. Fasteners

1. Position the knock sensor (718) to the engine block and install the knock sensor bolt (739).

Tighten
Tighten the bolt to 25 N.m (18 lb ft).





2. Connect the engine wiring harness electrical connector (4) to knock sensor.