Curiosii for ever!: Car repair manuals for everyone.

Electrical Diagrams



ENGINE CONTROLS SCHEMATICS

Power, Ground, MIL, and DLC







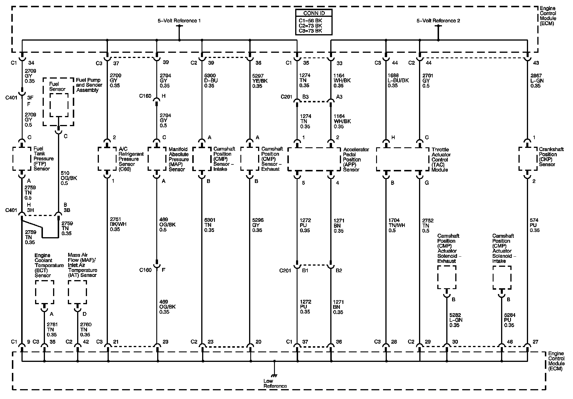
Engine Data Sensors - 5-Volt and Low References







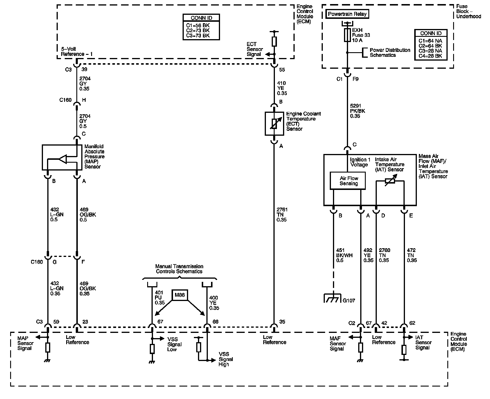
Engine Data Sensors - Pressure, Temp, and MAF/IAT







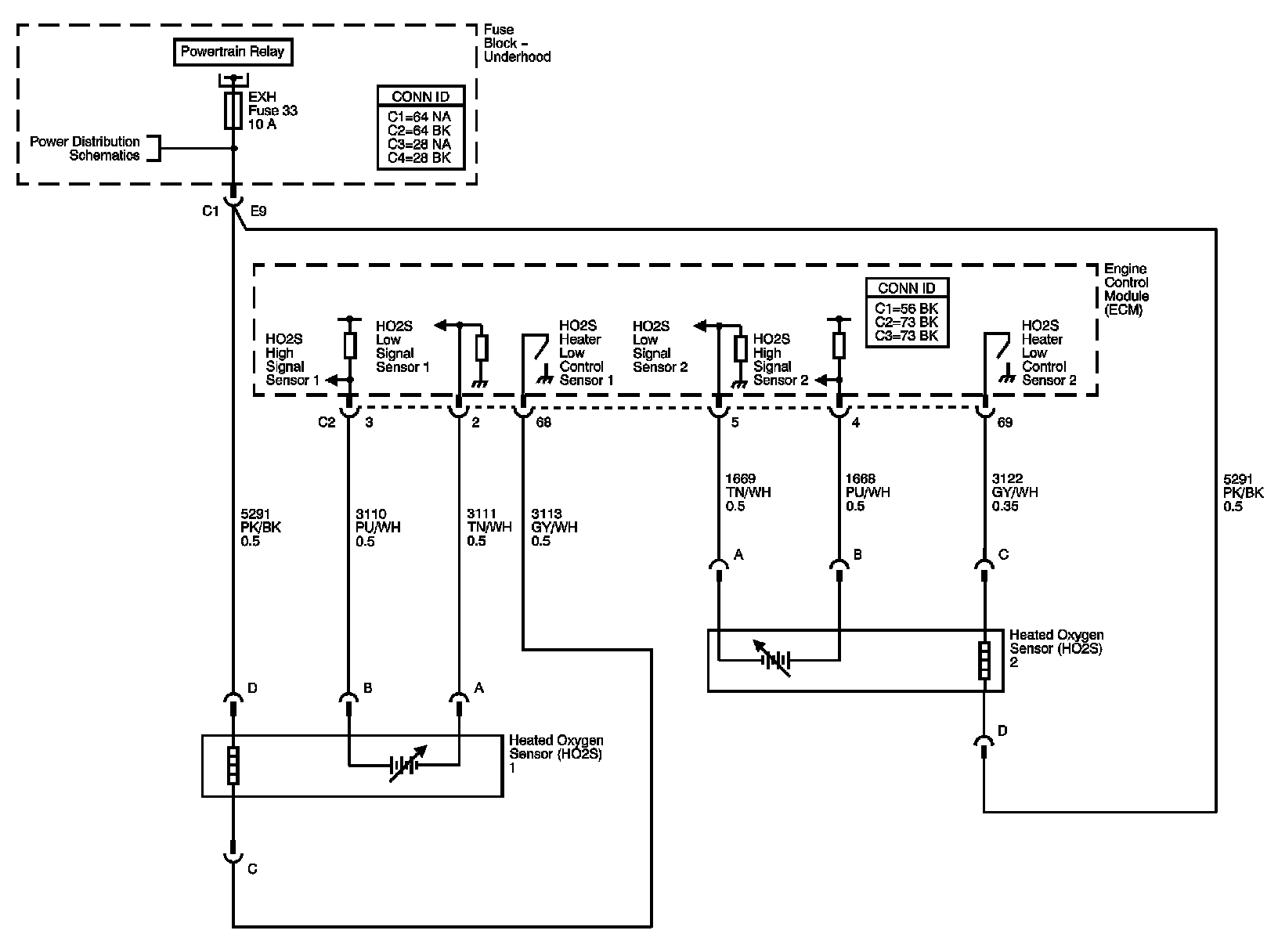
Engine Data Sensors - HO2S







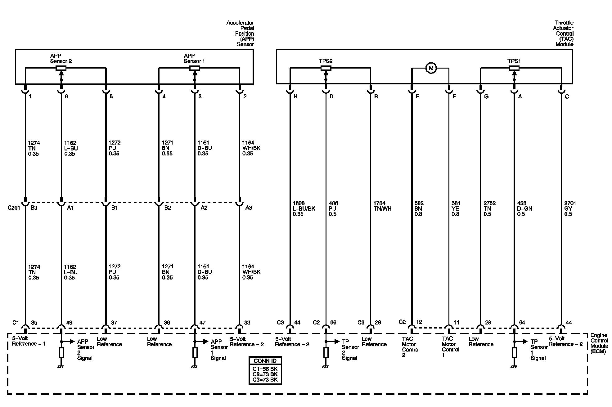
Engine Data Sensors - APP and TAC







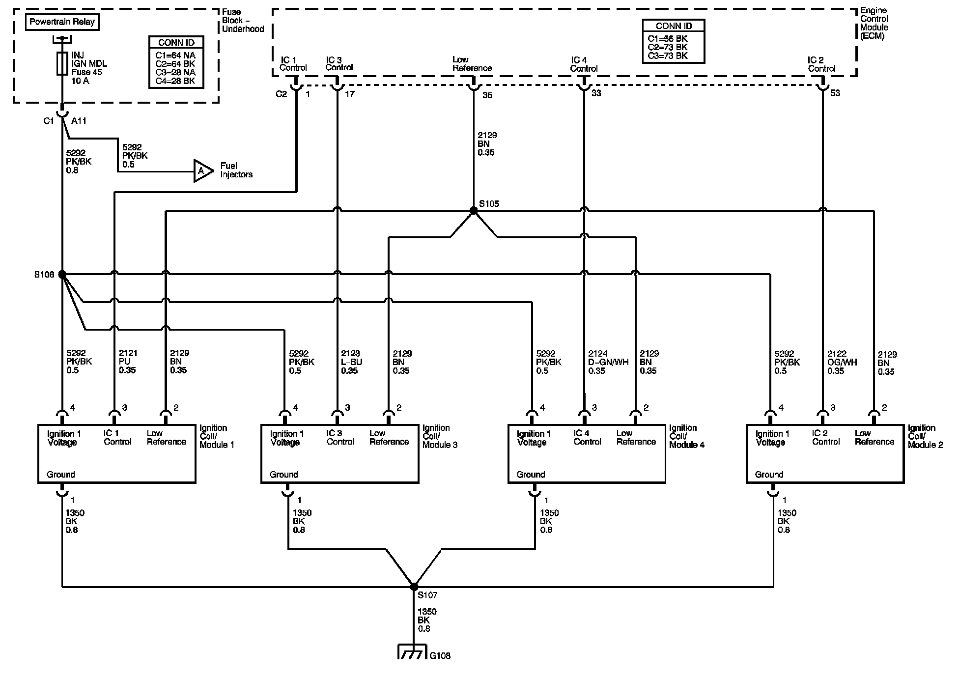
Ignition Controls - Ignition System







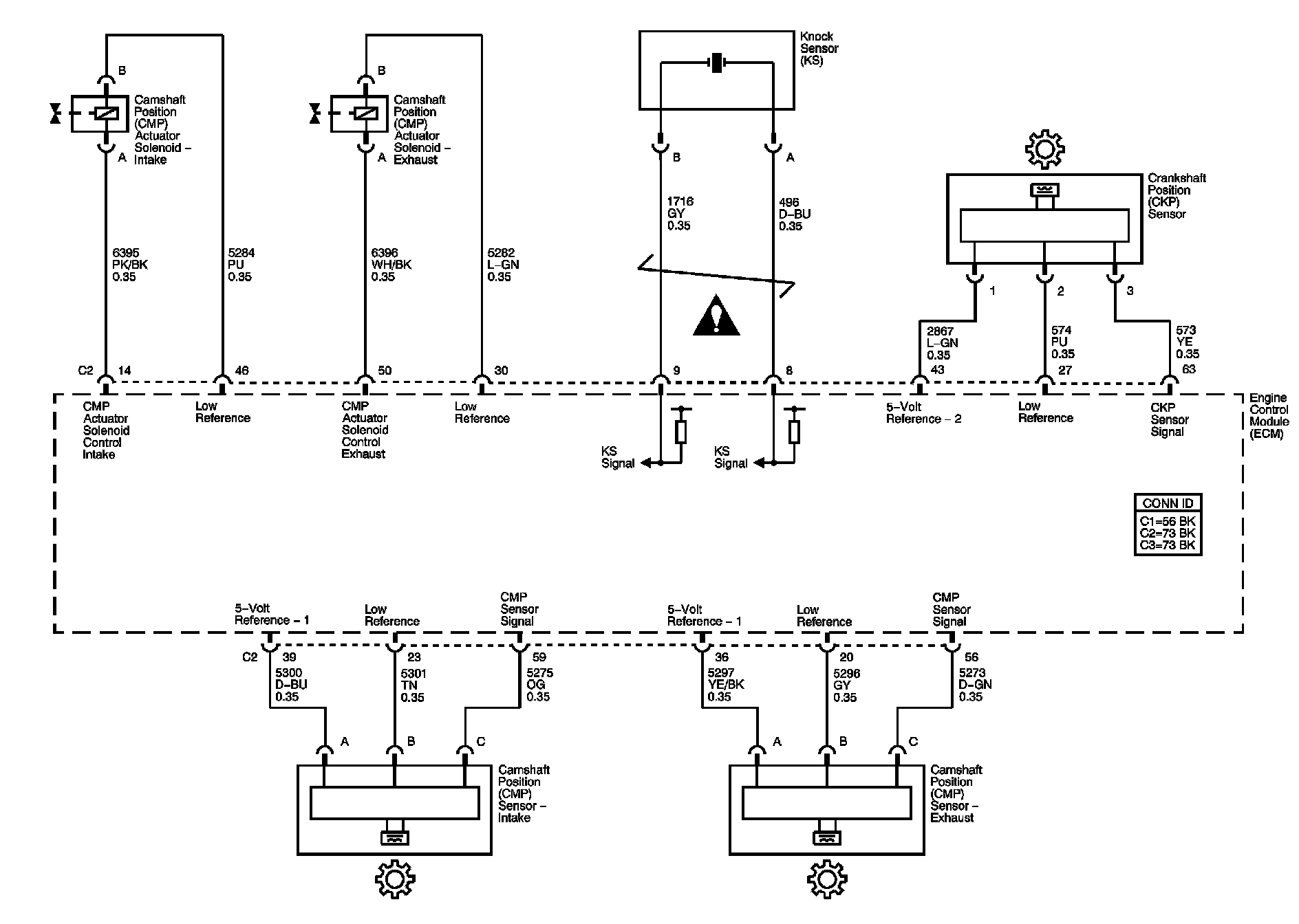
Ignition Controls - Sensors







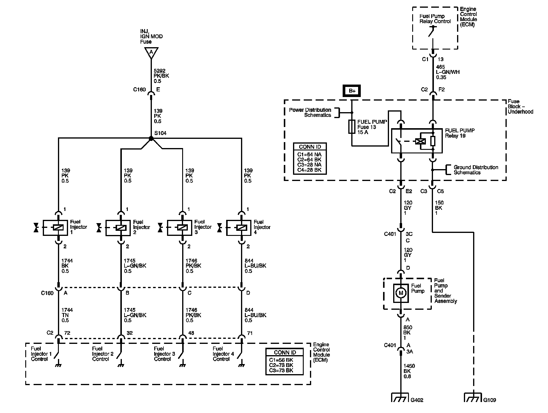
Fuel Controls







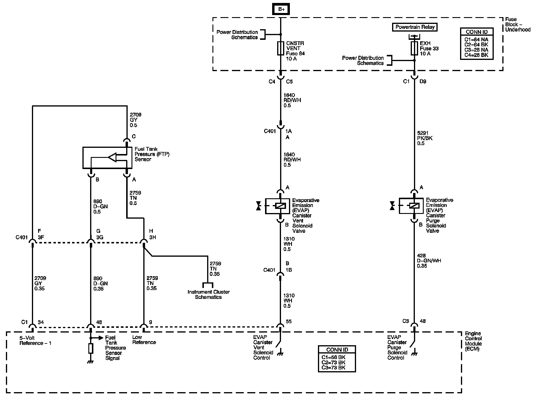
EVAP Controls







Controlled/Monitored Subsystem References







Locations: The locations for the Connectors, Grounds, Splices, and Grommets shown within these diagrams can be found via their numbers at Vehicle Locations. Locations