Curiosii for ever!: Car repair manuals for everyone.

Exploded Views



Disassembled Views

Case Components

Case Components:




1 - Shifter
2 - Shift Rod
3 - Oil Tube
4 - 3rd/4th Gear Shift Fork
5 - Input Shaft Assembly
6 - 1st/2nd Gear Shift Fork
7 - Intermediate Shaft Assembly
8 - Output Shaft Roller Bearing
9 - Output Shaft Bearing Race Bolt
10 - Output Shaft Bearing Race
11 - Clutch Housing Differential Bearing Race
12 - Shifter Detent
13 - Clutch Housing
14 - Fill Cap
15 - Clutch Housing to Transaxle Case Bolt
16 - Actuator
17 - Actuator Bolt
18 - Intermediate Shaft Roller Bearing
19 - Intermediate Shaft Bearing Snap Ring
20 - Intermediate Shaft Bolt
21 - Oil Guide
22 - Shift Cable Bracket Spacer
23 - Shift Cable Bracket Isolators
24 - Shift Cable Bracket Spacer
25 - Intermediate Shaft Seal
26 - Shift Cable Bracket Bolt
27 - Shift Cable Bracket Isolators
28 - Shift Cable Bracket
29 - Shift Cable Bracket Isolators
30 - Clutch Housing Differential Output Shaft Seal
31 - Lubricant Check Plug
32 - Vehicle Speed Sensor Bolt
33 - Vehicle Speed Sensor Retaining Bracket
34 - Vehicle Speed Sensor
35 - Differential Assembly
36 - Transaxle Case Differential Bearing Race
37 - Output Shaft Assembly
38 - 5th/Reverse Gear Shift Fork
39 - Magnet
40 - Intermediate Shaft Needle Bearing
41 - Bolt, if equipped
42 - Spring, if equipped
43 - Lever, if equipped
44 - Alignment Pin
45 - Transaxle Case
46 - Transaxle Case to Clutch Housing Bolt
47 - Lubricant Drain Plug
48 - Transaxle Case Differential Output Shaft Seal
49 - Reverse Lamp Switch
50 - Shift Shaft Detents
51 - Shift Shaft Detents
52 - Bearing
53 - Output Shaft Bearing Snap Ring
54 - Output Shaft Bolt
55 - Oil Guide
56 - Rear Cover
57 - Rear Cover Bolts
58 - Input Shaft Bolt
59 - Input Shaft Bearing Snap Ring
60 - Bearing
61 - Shifter Guide Bolt
62 - Shift Shaft Detents
63 - Shift Rod Bushing
64 - Shifter Bearing
65 - Fill Plug

Intermediate Shaft Components

Intermediate Shaft Components:




1 - Intermediate Shaft
2 - Caged Needle Bearings
3 - 2nd Gear
4 - 2nd Gear Inner Cone
5 - 2nd Gear Blocking Ring
6 - 2nd Gear Outer Cone
7 - 1st/2nd Synchronizer Assembly
8 - 1st Gear Outer Cone
9 - 1st Gear Blocking Ring
10 - 1st Gear Inner Cone
11 - Thrust Washer
12 - Bearing Collar
13 - Roller Bearing
14 - 1st Gear
15 - Roller Bearing
16 - Thrust Washer

Input Shaft Components

Input Shaft Components:




1 - Input Shaft
2 - 5th Drive Gear
3 - Thrust Bearing
4 - Caged Needle Bearing
5 - Caged Needle Bearing
6 - 3rd Drive Gear
7 - Wavy Washer
8 - Thrust Bearing
9 - Thrust Washer
10 - 3rd Gear Blocking Ring
11 - 3rd/4th Synchronizer Assembly
12 - 4th Gear Blocking Ring
13 - Wavy Washer
14 - Bearing Collar
15 - Caged Needle Bearing
16 - 4th Drive Gear
17 - Thrust Bearing
18 - Thrust Washer
19 - Input Shaft Bearing

Output Shaft Components

Output Shaft Components:




1 - Output Shaft
2 - Thrust Washer
3 - Bearing Collar
4 - Caged Needle Bearing
5 - Reverse Gear
6 - Reverse Blocking Ring
7 - 5th/Reverse Synchronizer Assembly
8 - 5th Gear Blocking Ring
9 - Bearing Collar
10 - Caged Needle Bearing
11 - Caged Needle Bearing
12 - 5th Driven Gear
13 - 3rd Driven Gear
14 - 4th Driven Gear

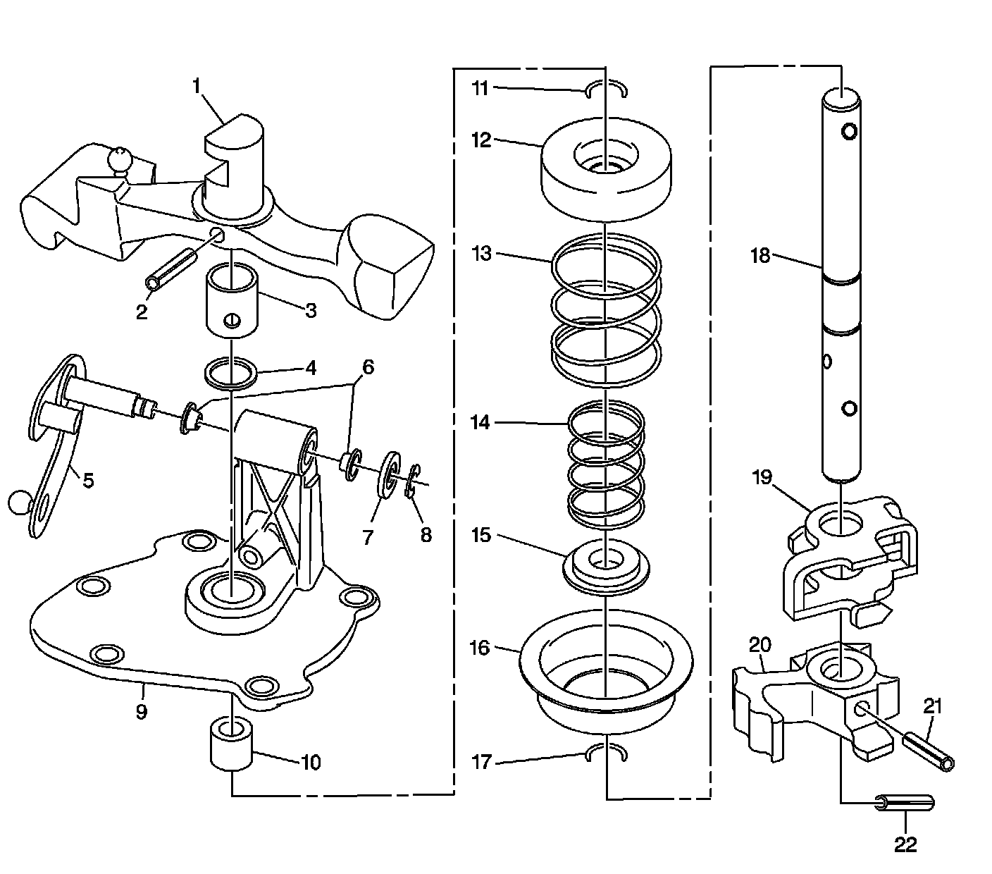
Shifter Components

Shifter Components:




1 - Shift Lever
2 - Roll Pin
3 - Cover Bushing
4 - Seal
5 - Select Lever
6 - Bushing
7 - Washer
8 - Retainer
9 - Shift Cover
10 - Bushing
11 - Retainer
12 - Outer Spring Seat
13 - Outer Spring
14 - Inner Spring
15 - Inner Spring Seat
16 - End Cap
17 - Retainer
18 - Shift Shaft
19 - Outer Control Lever
20 - Inner Control Lever
21 - Roll Pin
22 - Reverse Inhibit Roll Pin

Differential Components

Differential Components:




1 - Left Differential Side Bearing
2 - Left Differential Shim
3 - Differential Ring Gear Bolts
4 - Differential Ring Gear
5 - Differential Case
6 - Right Differential Shim
7 - Right Differential Side Bearing
8 - Vehicle Speed Sensor (VSS) Ring
9 - Side Gear Thrust Washer
10 - Side Gear
11 - Pinion Shaft Snap Ring
12 - Pinion Gear Thrust Washer
13 - Pinion Gear
14 - Side Gear Thrust Washer
15 - Side Gear
16 - Pinion Shaft
17 - Pinion Gear
18 - Pinion Gear Thrust Washer
19 - Pinion Shaft Snap Ring