Curiosii for ever!: Car repair manuals for everyone.

Part 2



Engine Replacement Continued 65 - 125

Removal Procedure




65. If equipped with a automatic transaxle perform the following steps. Remove the engine harness clip nut (2) from the engine stud.
66. Remove the engine harness clip (1) from the stud.
67. Disconnect the vehicle speed sensor (VSS) electrical connector (4).
68. Remove the engine harness clip (3) from the speed sensor.




69. If equipped with a automatic transaxle, disconnect the engine harness from the transaxle.




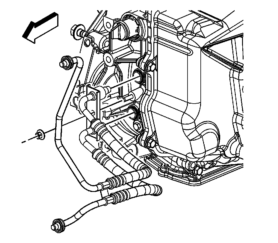
70. If equipped with a automatic transaxle perform the following steps. Disconnect the engine coolant temperature (ECT) sensor electrical connector (1).
71. Remove the connector position assurance (CPA) retainer (2).
72. Disconnect the engine harness electrical connector (3) from the heater oxygen sensor (HO2S).




73. If equipped with a manual transaxle perform the following steps. Disconnect the ECT sensor electrical connector (1).
74. Remove the CPA retainer (2).
75. Disconnect the engine harness electrical connector (3) from the HO2S.




76. If equipped with a automatic transaxle perform the following steps. Remove the CPA retainer (5).
77. Disconnect the engine harness electrical connector (6) from the park neutral position switch.
78. Remove the engine harness clip (1) from the transaxle stud.
79. Remove the CPA retainer (2).
80. Remove the engine harness electrical connector clip (4) from the transaxle rear mount bracket.
81. Disconnect the engine harness electrical connector (3) from the HO2S.




82. If equipped with a manual transaxle, disconnect the engine harness electrical connector (1) from the VSS.
83. Remove the engine harness clip (2) from the transaxle.
84. Remove the CPA retainer (3).
85. Remove the engine harness electrical connector clip (5) from the transaxle rear mount bracket.
86. Disconnect the engine harness electrical connector (4) from the HO2S.
87. Disconnect the engine harness electrical connector (7) from the back up lamp switch.
88. Remove the engine harness clip (6) from the transaxle.
89. Gather all engine harness branches are reposition the harness off to the side, out of the way.




90. If equipped with a automatic transaxle, disconnect the range selector lever cable from the transaxle lever.
91. Remove the range selector lever cable from the transaxle bracket.




92. If equipped with a manual transaxle, disconnect the range selector and shift lever cables from the transaxle levers.
93. Remove the range selector and shift lever cables from the transaxle bracket.




94. If equipped with a automatic transaxle, remove the oil cooler line nut.
95. Remove the oil cooler lines from the transaxle.




96. Remove the left and right stabilizer link to strut nuts.
97. Separate the stabilizer links from the struts. (left side shown, right side similar).




98. Remove the left and right steering gear outer tie rod to knuckle nuts. Discard the nuts.
99. Using the J 24319-B, separate the outer tie rods from the steering knuckles. (left side shown, right side similar).




100. Remove the left and right ball joint to steering knuckle bolts and nuts.
101. Separate the lower ball joints from the steering knuckles. (left side shown, right side similar).




102. Assemble the J 45341 and the J-2619-A.
103. Using the J 45341 and the J-2619-A, separate the right wheel drive shaft from the transaxle. Repeat for the left side.
104. Secure the wheel drive shafts out of the way.




105. Remove the lower radiator support bolts.
106. Secure the radiator assembly to the radiator core support with bungee cords.




107. Lower the vehicle to about 3 feet off the ground.
108. Position a engine lift table under the frame.
109. Place wood blocks on top of the lift table between the table and the frame.
110. Lower the vehicle until the frame is resting on the blocks of wood.
111. Remove the engine mount bracket bolts.




112. Remove the transaxle mount to transaxle bolts.




113. Remove the frame bolts using the following sequence:
1. Remove the front frame bolts.
2. Remove the rear frame bolts.
114. Slowly raise the vehicle up away from the powertrain assembly.
115. Slide the lift table out from under the vehicle.
116. Attach an engine lift hoist to the engine lift hooks.




117. If equipped with a automatic transaxle, remove the torque converter housing access plug.




118. If equipped with a automatic transaxle, remove the torque converter bolts.




119. If equipped with a automatic transaxle, remove the transaxle brace bolts and brace.




120. If equipped with a manual transaxle, remove the transaxle to engine bolts/stud.




121. If equipped with a automatic transaxle, remove the transaxle to engine bolts/stud.
122. Separate the engine from the transaxle.
123. If equipped with a manual transaxle, remove the clutch pressure plate and disc.
124. Remove the following components:
* The engine mount bracket
* The engine block heater, if equipped
* The generator
125. Using the engine hoist, install the engine to a suitable engine stand.