Curiosii for ever!
: Car repair manuals for everyone.
Home
>>
Chevy Truck
>>
2007
>>
HHR L4-2.2L
>>
Repair and Diagnosis
>>
Diagrams
>>
Electrical Diagrams
>>
Cooling System
>>
System Diagram
System Diagram
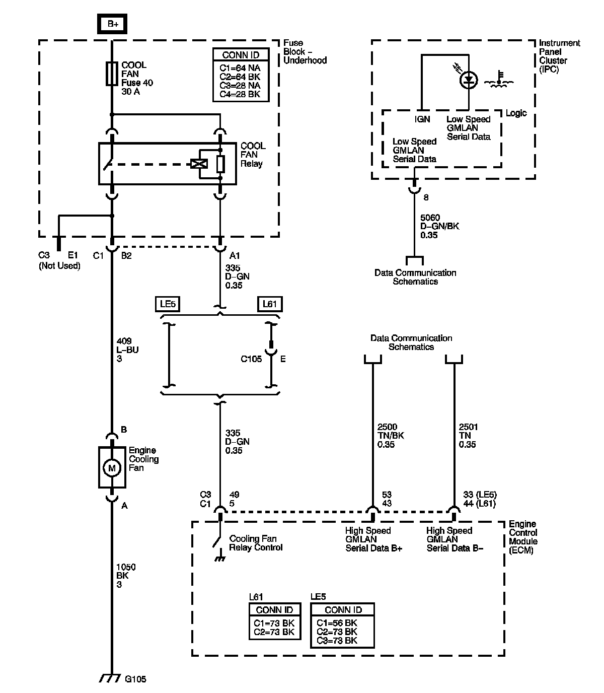
Engine Cooling Schematics
Engine Cooling Schematics:
Locations: The locations for the Connectors, Grounds, Splices, and Grommets shown within these diagrams can be found via their numbers at Vehicle Locations.
Locations