Curiosii for ever!: Car repair manuals for everyone.

Body Control Systems



Body Control System Diagram 1:




Body Control System Diagram 2:




Body Control System Diagram 3:




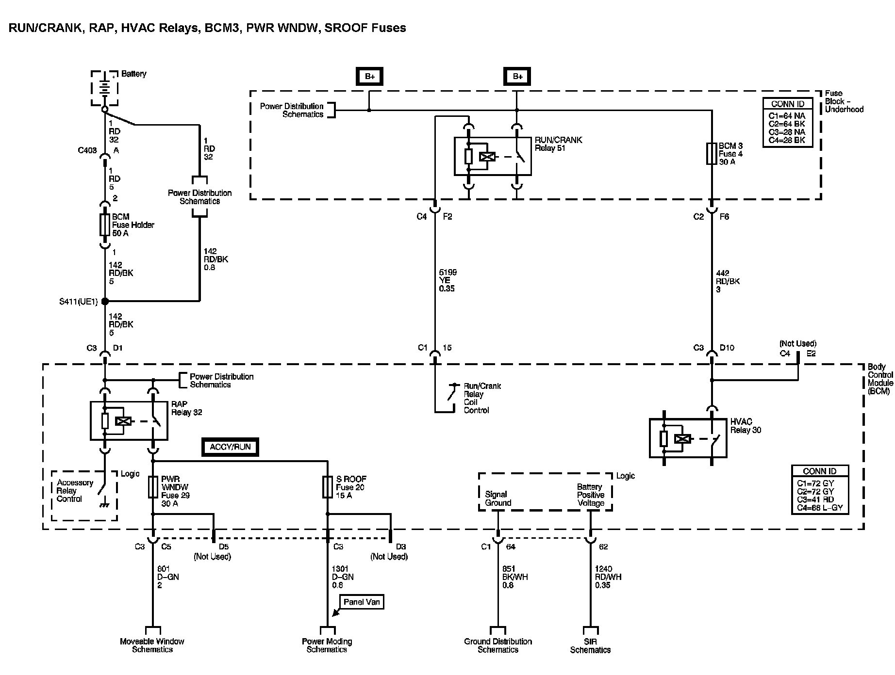
Body Control System Diagram 4:




Body Control System Diagram 5:






Locations: The locations for the Connectors, Grounds, Splices, and Grommets shown within these diagrams can be found via their numbers at Vehicle Locations. Locations