Curiosii for ever!: Car repair manuals for everyone.

Battery Replacement (Primary)



Battery Replacement (Primary)

Removal Procedure

Caution: Batteries produce explosive gases. Batteries contain corrosive acid. Batteries supply levels of electrical current high enough to cause burns. Therefore, in order to reduce the risk of personal injury while working near a battery, observe the following guidelines:

* Always shield your eyes.

* Avoid leaning over the battery whenever possible.

* Do not expose the battery to open flames or sparks.

* Do not allow battery acid to contact the eyes or the skin.

- Flush any contacted areas with water immediately and thoroughly.

- Get medical help.






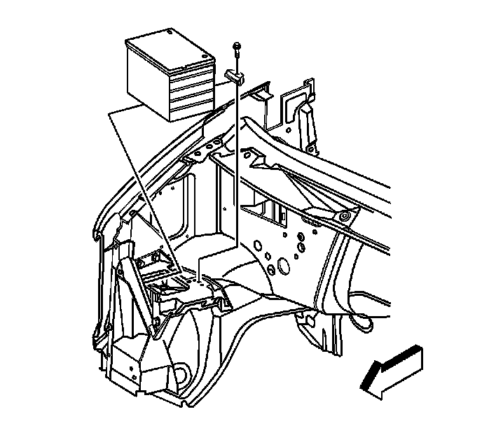
1. Remove the coolant recovery reservoir and bolt.
2. Disconnect the battery negative cable from the negative battery terminal.
3. Disconnect the battery positive cable from the positive battery terminal.





4. Remove the battery hold-down retainer bolt and retainer.
5. Remove the battery from the vehicle.
6. Inspect the battery for:

* Damage
* Worn or corroded cables and connectors
* Damage or foreign objects in the battery carrier

7. If damage is noted, find and correct the cause.
8. Clean any corrosion form the battery cables and connectors.
9. Clean the battery tray and remove any foreign objects from the tray.

Installation Procedure





1. Install the battery into the battery carrier.

Notice: Refer to Fastener Notice.

2. Install the battery hold-down retainer and bolt.

Tighten the bolt to 25 N.m (18 lb ft).





3. Connect the battery positive cable and the positive battery cable terminal to the battery.
4. Connect the battery negative cable and the negative battery cable terminal to the battery.
5. Install the coolant recovery reservoir.

Tighten the reservoir bolt to 11 N.m (97 lb in).