Curiosii for ever!
: Car repair manuals for everyone.
Home
>>
Chevy Truck
>>
2007
>>
Express 2500 V8-4.8L
>>
Repair and Diagnosis
>>
Power and Ground Distribution
>>
Locations
>>
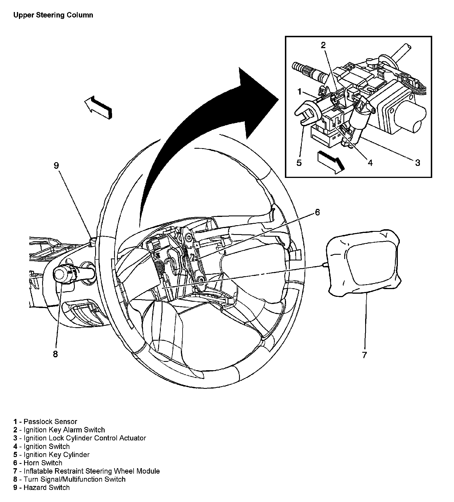
Steering Views
Steering Views
Upper Steering Column: